Makes 🢒
Cadillac 🢒
2007 🢒
STS 🢒
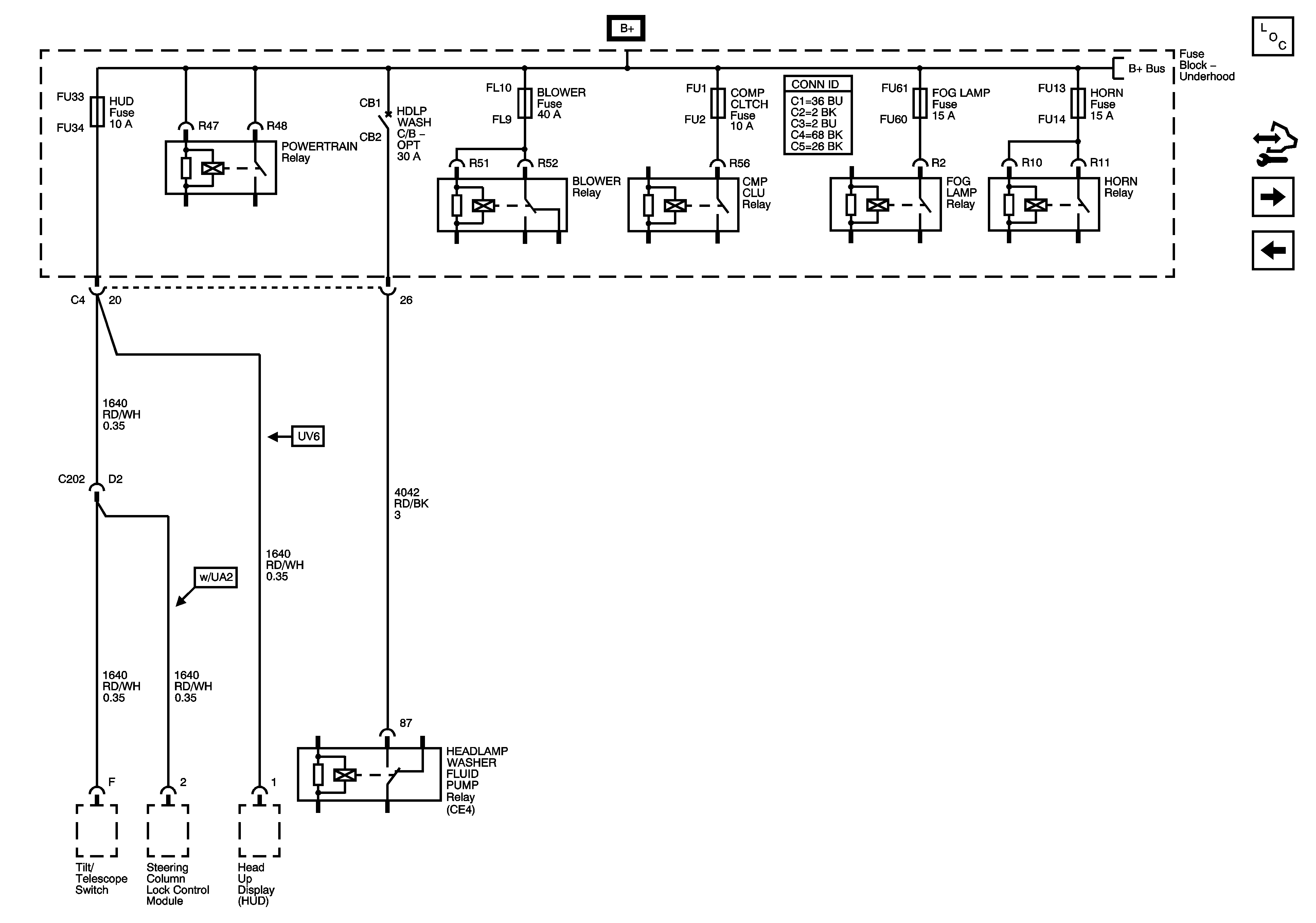
Fuse Block - Underhood: HUD, Front Blower, Compressor Clutch, Fog Lamp and Horn Fuses; HDLP Washer Circuit Breaker and Main Relay
Fuse Block - Underhood: HUD, Front Blower, Compressor Clutch, Fog Lamp and Horn Fuses; HDLP Washer Circuit Breaker and Main Relay