GM Service Manual Online
For 1990-2009 cars only
Makes
🢒
Cadillac
🢒
2007
🢒
STS
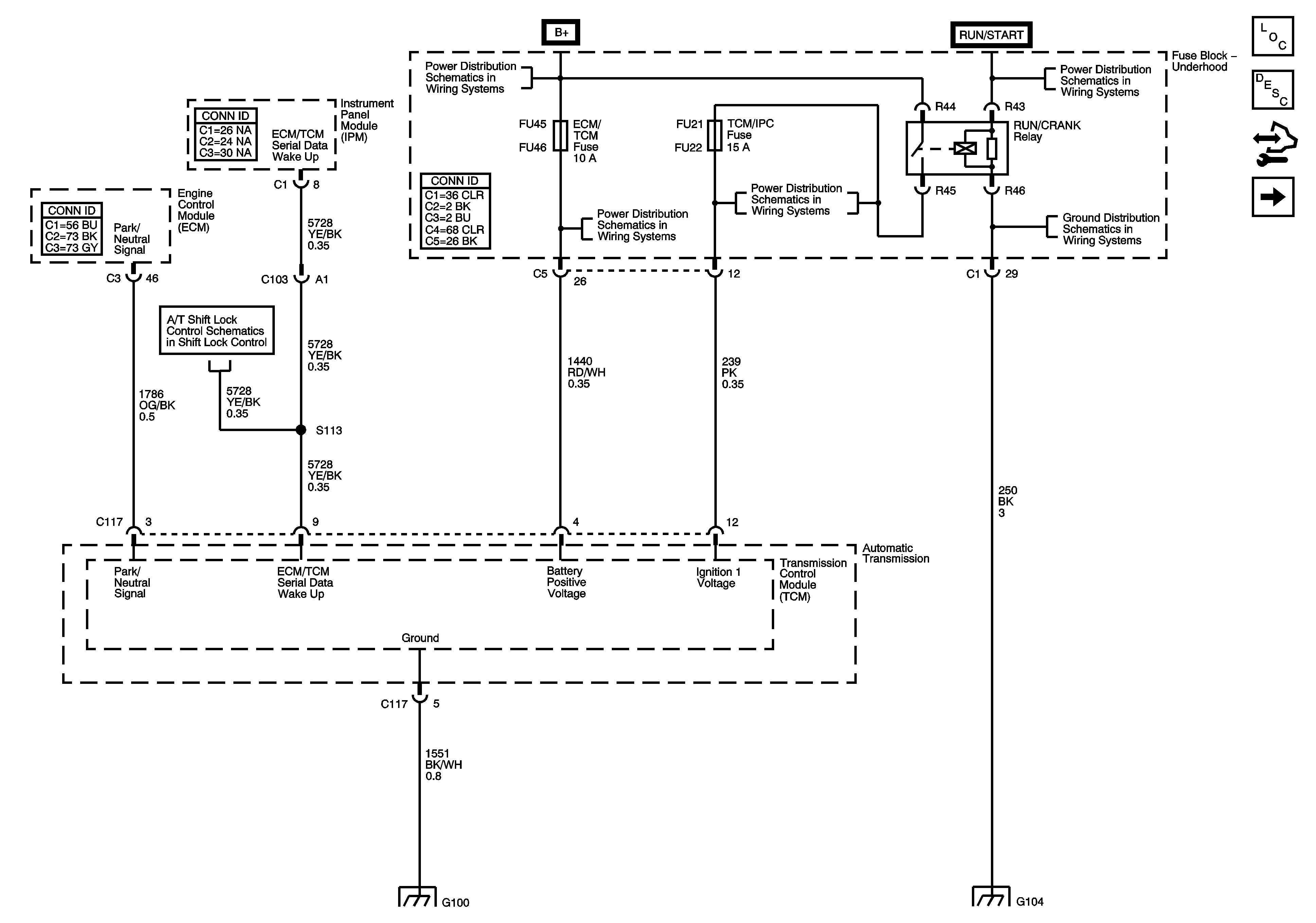
🢒 06 GMX295 Engine Controls 4.4L - TCM Power, Grounds, ECM, IPM
06 GMX295 Engine Controls 4.4L - TCM Power, Grounds, ECM, IPM
TCM Power, Grounds, ECM, IPM
Master Electrical Component List
Transmission General Description
Control Module References
ECM, EBCM
Shift Lock Control Schematics
Fuse Block Underhood Bussing
06 STS Ground Dist - G100 (LH2)
Fuse Block - Underhood Fuses/Relays: IPM/ALDL, Auto Headlamp Dimming, CCP, ECM/TCM, WPR MOD, WPR SW/VICS and Rain Sensor/HDLP Wash Fuses, Accessory Relay
Fuse Block - Underhood: Starter IGN 1 Relays; Starter, Starter Relay, CCP TCM/IPM/ECM, MAF, ABS and Washer Nozzle/ACC Fuses
Fuse Block Right Rear: LT Turn Signal, RIM(1), Rear Fog Lamp, FT Passenger Door Module, Heated Steering Column, IGN 1, RIM(2) and Airbag Fuses; Rear Fog Lamp and IGN 1 Relays
G104 (1 of 2)
G104 (1 of 2)