GM Service Manual Online
For 1990-2009 cars only
Makes
🢒
Cadillac
🢒
2007
🢒
STS
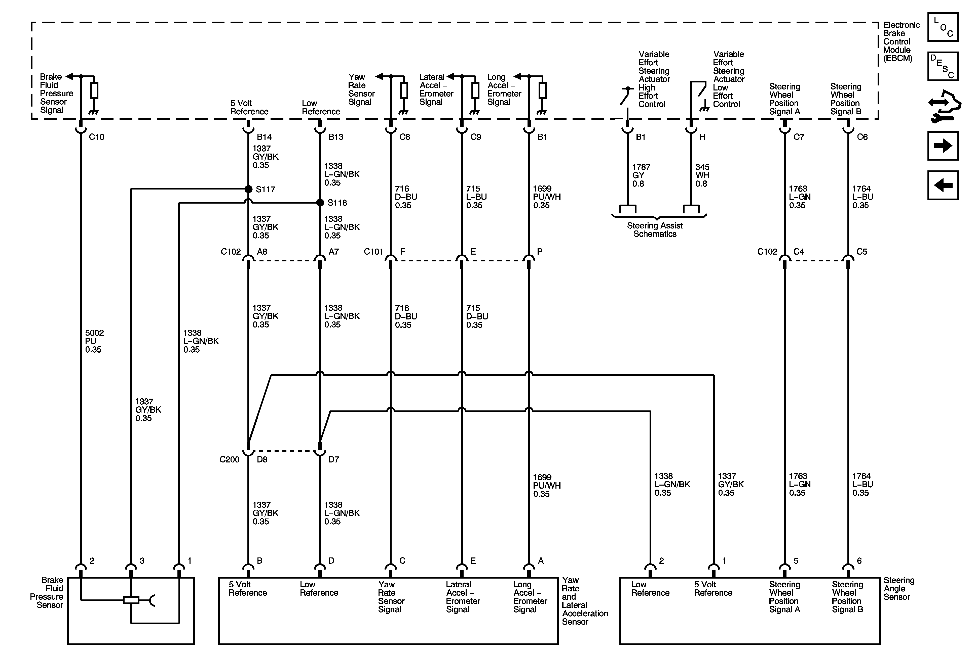
🢒 Stability Control System
Stability Control System
Stability Control System
Master Electrical Component List
ABS Description and Operation
Control Module References
Indicator and Traction Control
Wheel Speed Sensors
Steering Assist Schematics