GM Service Manual Online
For 1990-2009 cars only
Makes
🢒
Cadillac
🢒
2007
🢒
STS
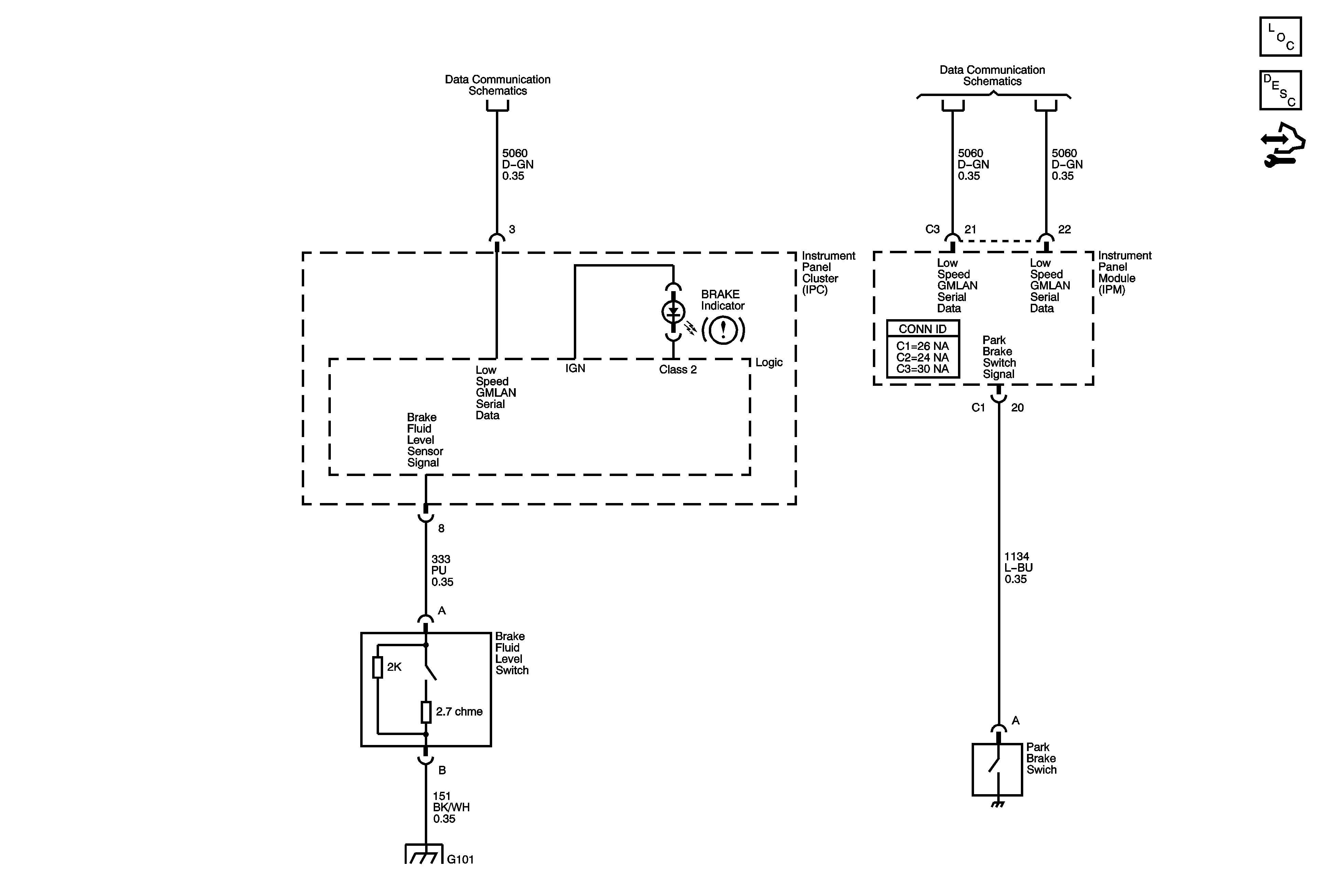
🢒 Brake Warning System Schematics
Brake Warning System Schematics
Brake Warning System
Master Electrical Component List
Brake Warning System Description and Operation
Control Module References
GM LAN - Low Speed 2 of 2
GM LAN - Low Speed 2 of 2
G101