GM Service Manual Online
For 1990-2009 cars only
Makes
🢒
Cadillac
🢒
2007
🢒
STS
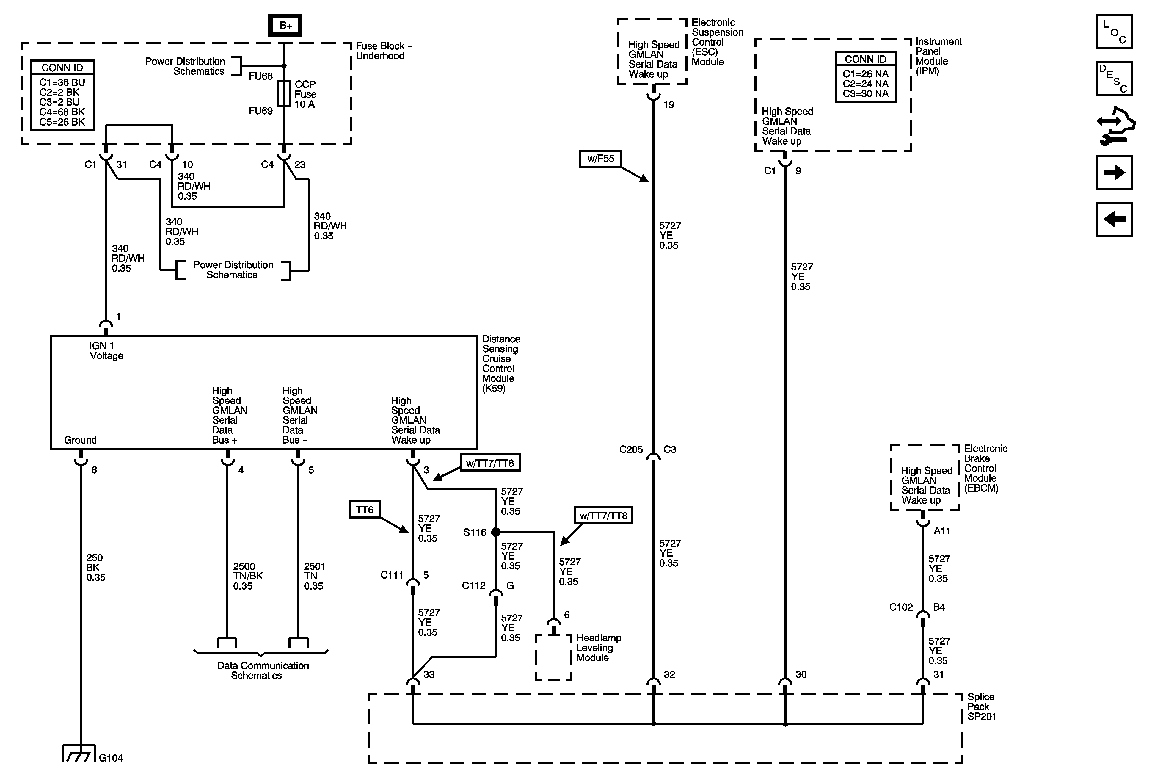
🢒 Distance Sensing Cruise Ccntrol Module - K59
Distance Sensing Cruise Ccntrol Module - K59
Distance Sensing Cruise Control Module - K59
Master Electrical Component List
Cruise Control Description and Operation (Conventional Cruise Control)
Control Module References
DLC, Brake Pedal Position Sensor
Cruise Control Switch, Steering Wheel Controls
Fuse Block - Underhood Fuses/Relays: IPM/ALDL, Auto Headlamp Dimming, CCP, ECM/TCM, WPR MOD, WPR SW/VICS and Rain Sensor/HDLP Wash Fuses; ACC Relay
Fuse Block - Underhood Fuses/Relays: IPM/ALDL, Auto Headlamp Dimming, CCP, ECM/TCM, WPR MOD, WPR SW/VICS and Rain Sensor/HDLP Wash Fuses; ACC Relay
GM LAN - High Speed, Domestic w/ UE1, K59, F55
G104 (2 of 2)