GM Service Manual Online
For 1990-2009 cars only
Makes
🢒
Cadillac
🢒
2007
🢒
STS
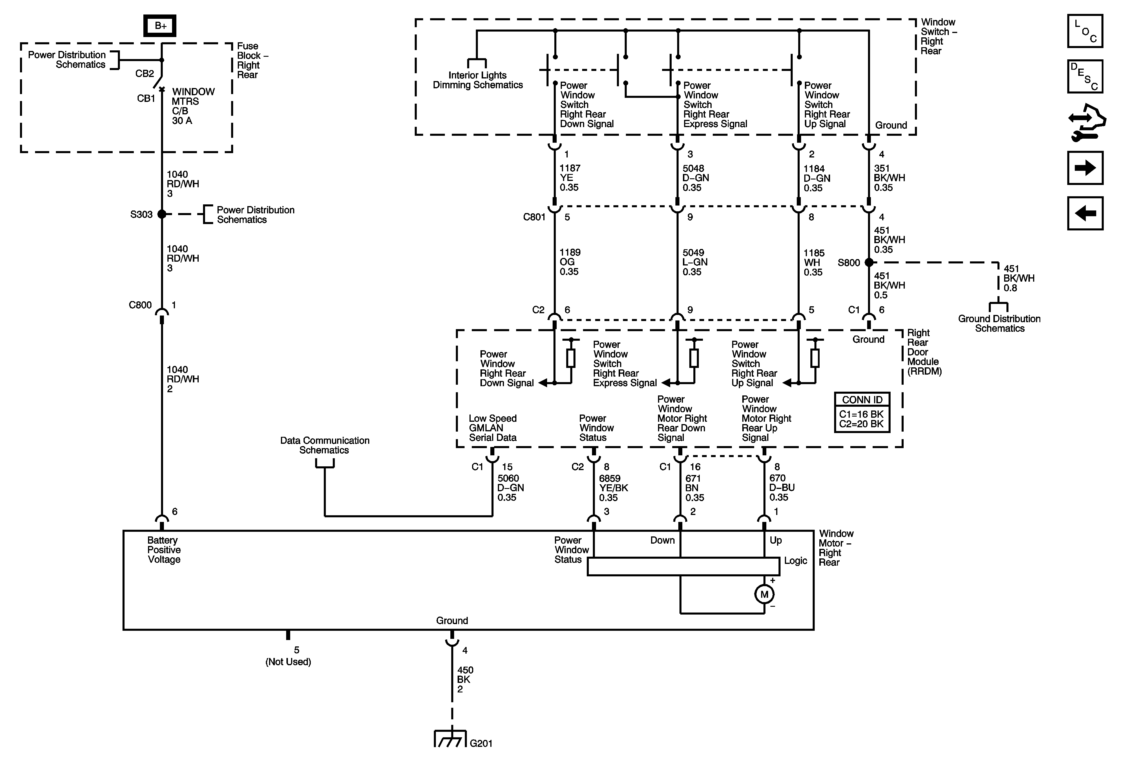
🢒 Right Rear Window Switch, Motor
Right Rear Window Switch, Motor
Right Rear Window Switch, Motor
Master Electrical Component List
Power Windows Description and Operation
Control Module References
Left Rear Window Switch, Motor
Front Passenger Window Switch, Motor
Fuse Block - Right Rear Bussing
Fuse Block - Right Rear - Radio/OnStar, Rt Turn Signal, Canister Vent, and RF Heated/Vented Seat Fuses, Window Motors Circuit Breaker
Dimming 2 of 3
GM LAN - Low Speed 2 of 2
G201 (1 of 2)
G201 (1 of 2)