GM Service Manual Online
For 1990-2009 cars only
Makes
🢒
Cadillac
🢒
2007
🢒
STS
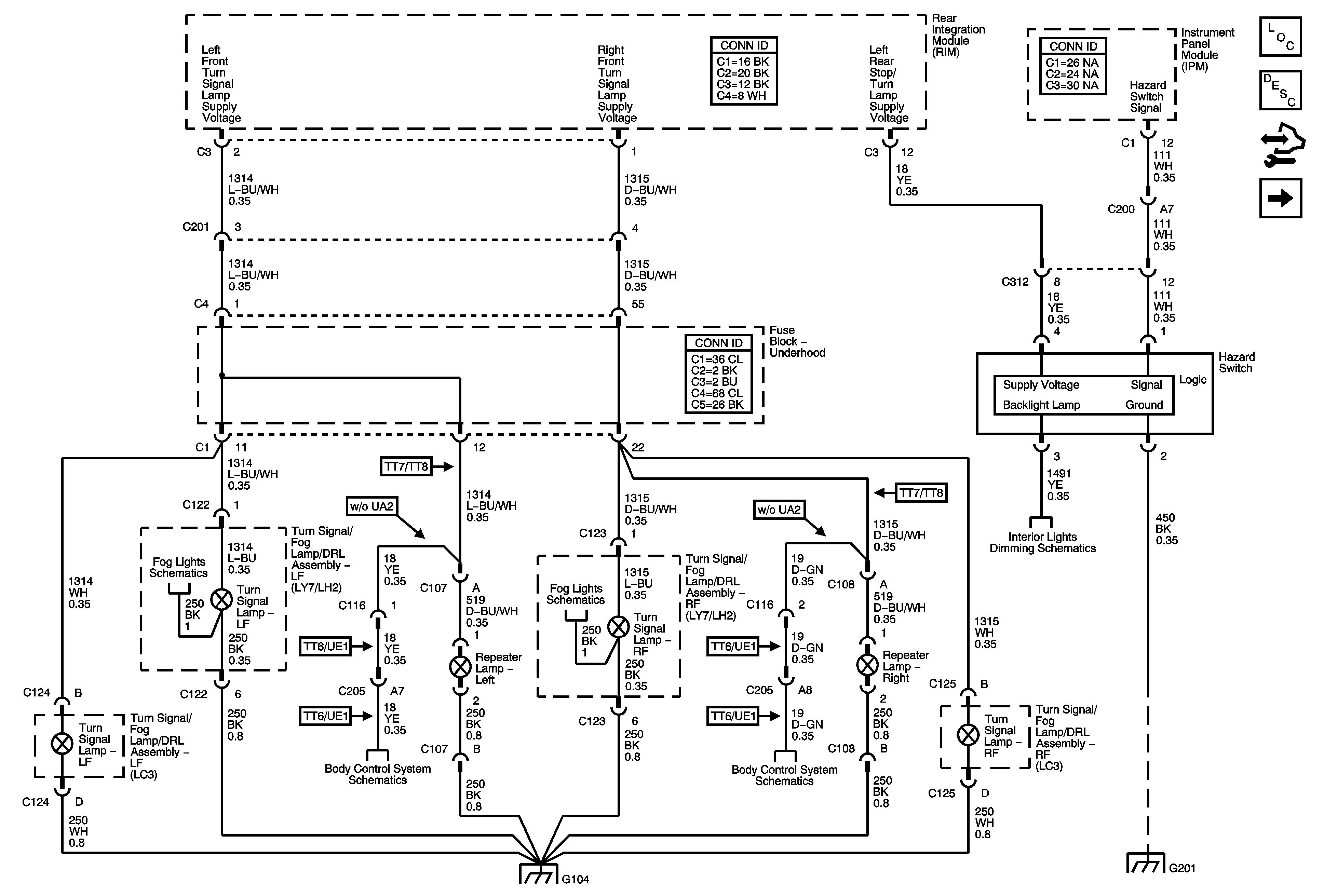
🢒 Front Turn Signaland Repeater Lamps, Hazard Switch - Domestic and Export
Front Turn Signaland Repeater Lamps, Hazard Switch - Domestic and Export
Front Turn Signal and Repeater Lamps, Hazard Switch - Domestic, Export
Master Electrical Component List
Exterior Lighting Systems Description and Operation
Control Module References
Headlamp Switch, Ambient Light Sensor, DLC
Front Fog Lamps
RIM Inputs and Outputs
Front Fog Lamps
G104 (2 of 2)
RIM Inputs and Outputs
Dimming 1 of 3
G201 (1 of 2)