GM Service Manual Online
For 1990-2009 cars only
Makes
🢒
Cadillac
🢒
2007
🢒
STS
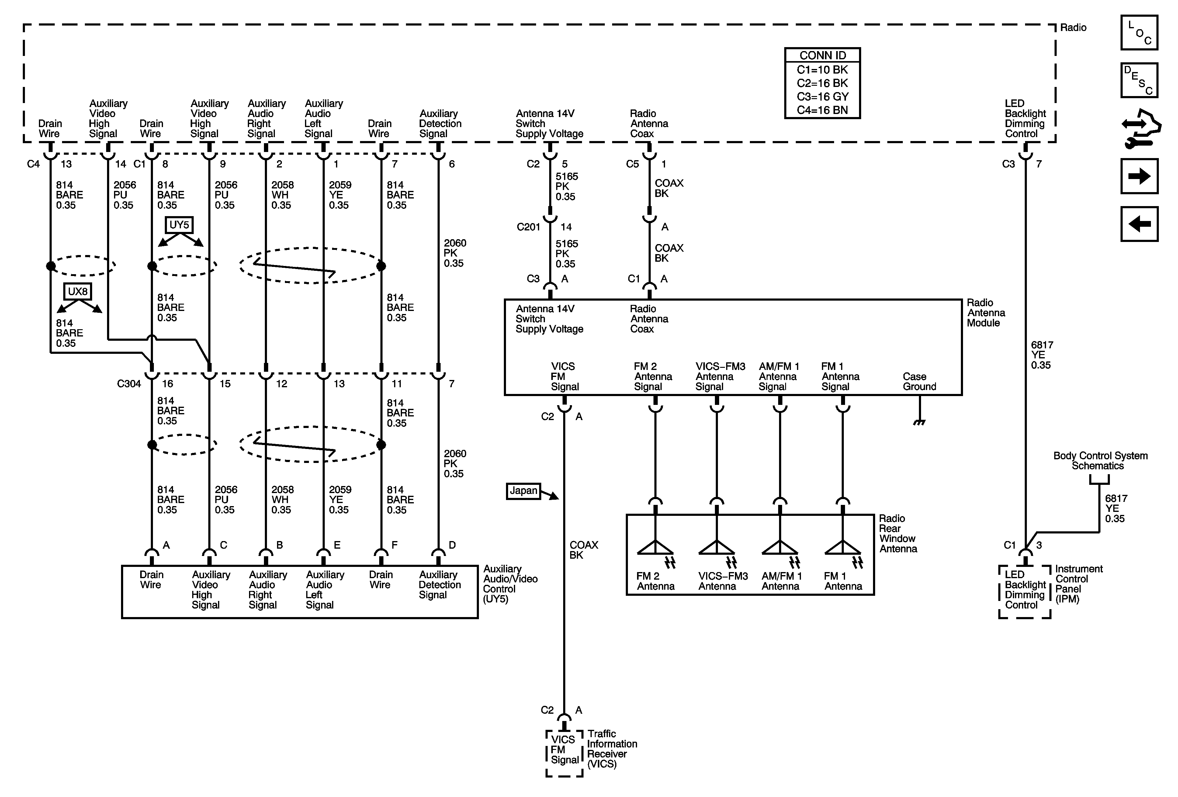
🢒 Radio Antennas, Audio/Video Adapter
Radio Antennas, Audio/Video Adapter
Radio Antennas, Audio/Video Adapter
Master Electrical Component List
Radio/Audio System Description and Operation
Control Module References
Digital Radio Receiver w/ U2K
Speakers w/ UY5 3 of 3
IPM Input and Outputs 2 of 3