GM Service Manual Online
For 1990-2009 cars only
Makes
🢒
Cadillac
🢒
2007
🢒
STS
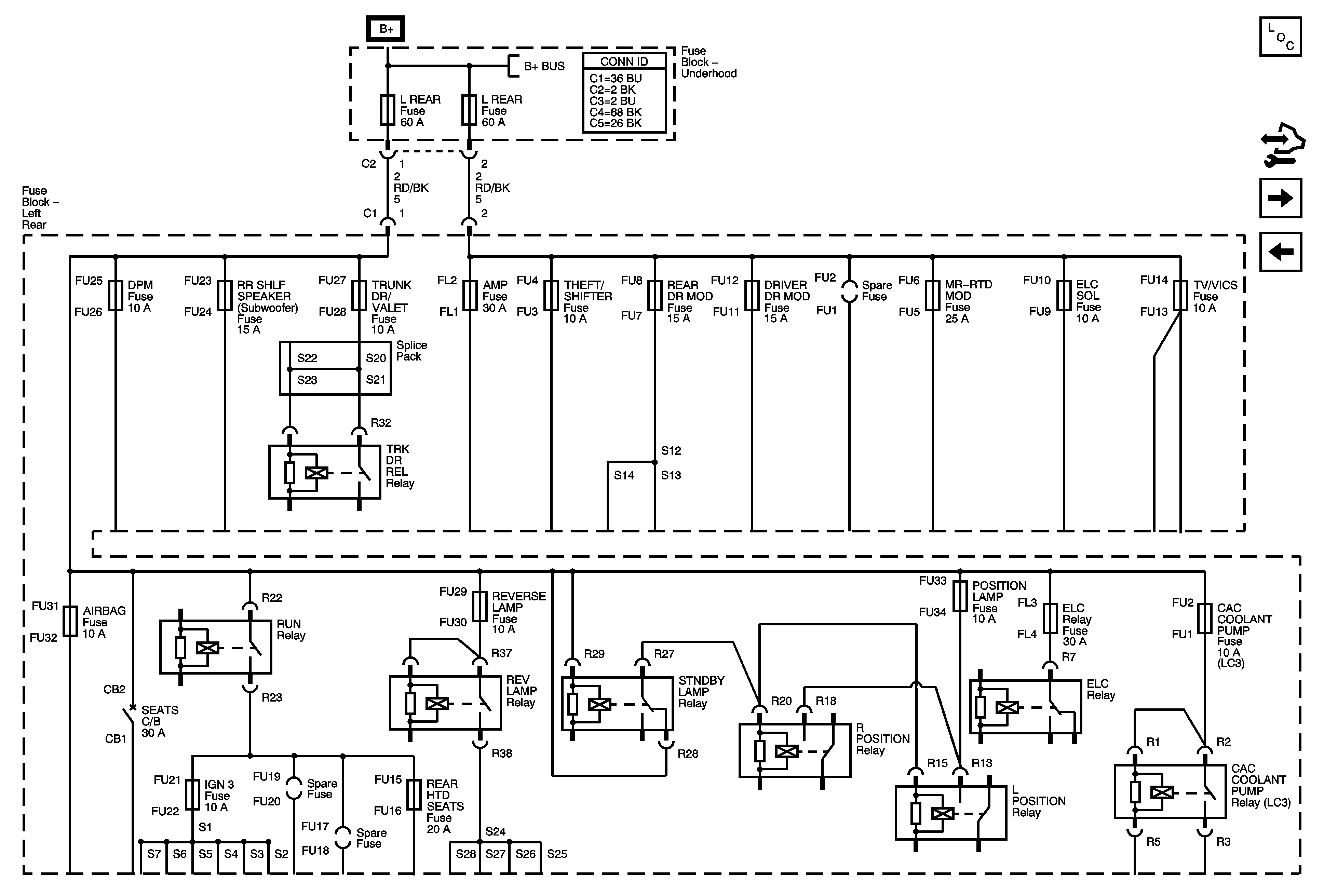
🢒 Fuse Block - Left Rear Bussing
Fuse Block - Left Rear Bussing
Fuse Block - Left Rear Bussing
Master Electrical Component List
Control Module References
Fuse Block - Right Rear Bussing
Fuse Block Underhood Wiring Bussing
Fuse Block Underhood Wiring Bussing