GM Service Manual Online
For 1990-2009 cars only
Makes
🢒
Cadillac
🢒
2007
🢒
STS
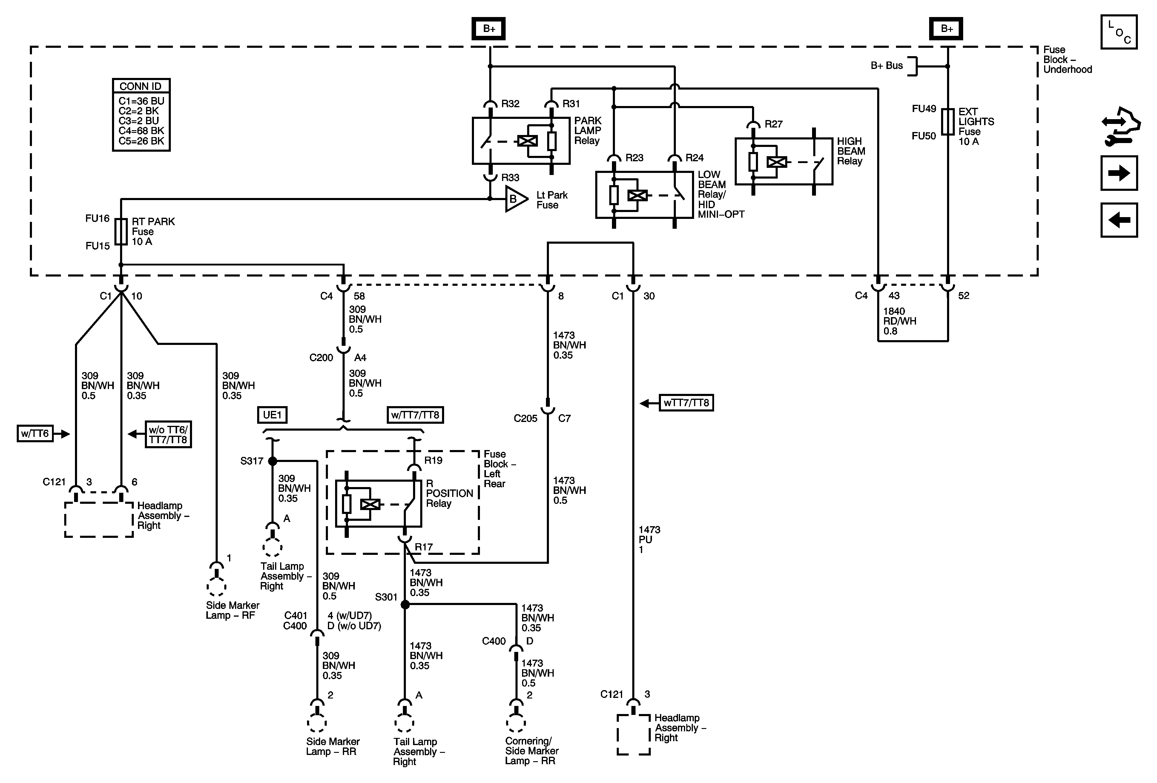
🢒 Fuse Block - Underhood Relay/Fuses: Park Lamp Relay, Rt Park Fuses, Tilt/Lk/LMP/CLM Relay Coils Fuse
Fuse Block - Underhood Relay/Fuses: Park Lamp Relay, Rt Park Fuses, Tilt/Lk/LMP/CLM Relay Coils Fuse
Fuse Block - Underhood Relay/Fuses: PARK LAMP RELAY, RT PARK FUSE, TILT/LK/LMP/CLM RELAY COILS FUSE
Master Electrical Component List
Control Module References
Fuse Block - Underhood Fuses: LT PARK Fuse, License/Dimming Fuse
Fuse Block - Right Rear Bussing
Fuse Block Underhood Wiring Bussing
Fuse Block - Underhood Fuses: LT PARK Fuse, License/Dimming Fuse