GM Service Manual Online
For 1990-2009 cars only

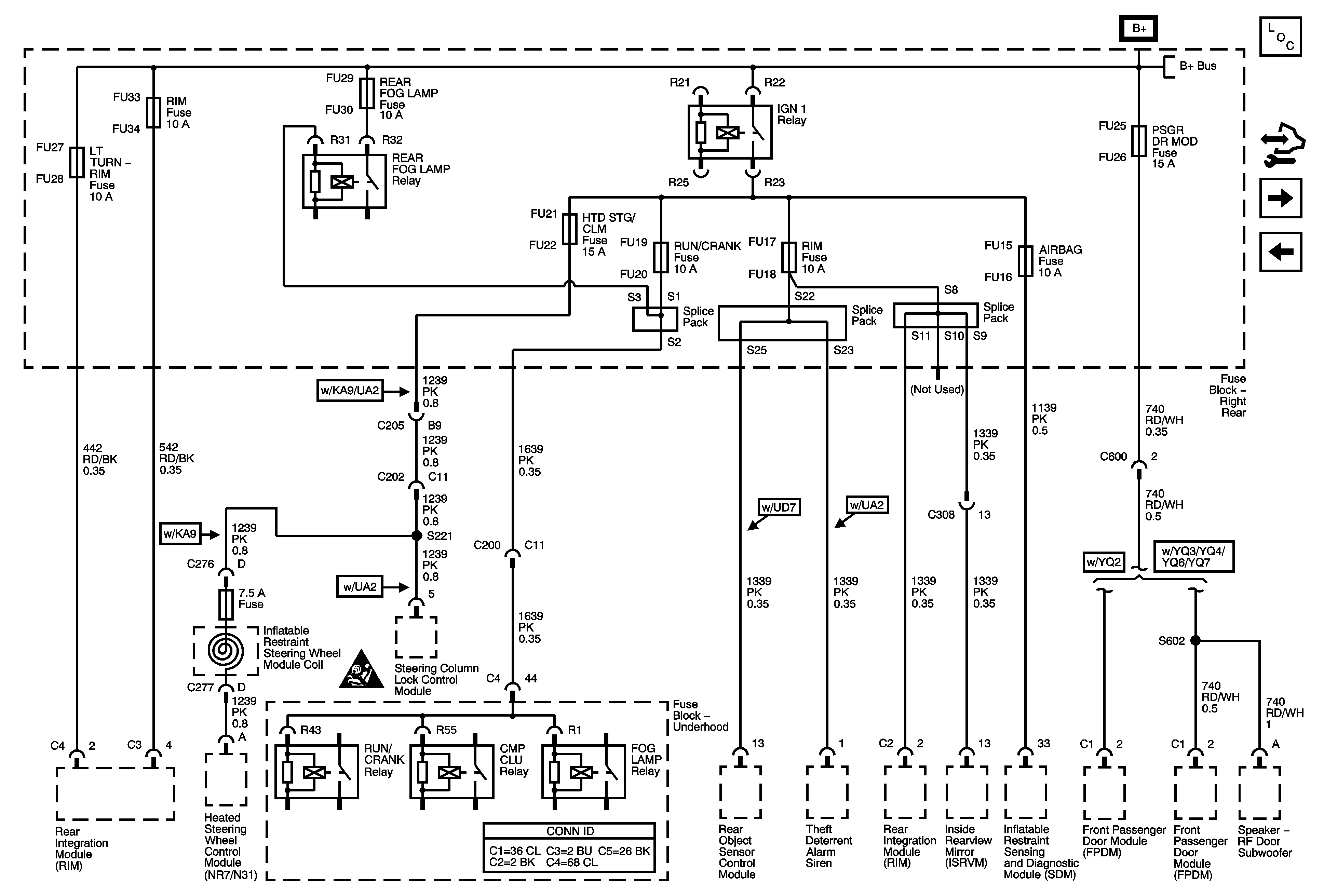
Fuse Block - Right Rear - Lt Turn Signal, RIM 1, Rear Fog Lamp, Ft Pass Door Module, Htd Stg Clm, IGN 1, RIM 2 and Airbag Fuses, Rear Fog Lamp and Ign 1 Relays

Fuse Block - Right Rear: LT TURN SIGNAL, RIM(1), REAR FOG LAMP, FT PASS. DOOR MODULE, HTD STG CLM, IGN 1, RIM(2) AND AIRBAG FUSES, REAR FOG LAMP AND IGN 1 RELAYS


Object Number: 1823971  Size: FS
Master Electrical Component List
Control Module References
Ignition Mode Switch
Fuse Block - Right Rear - Radio/OnStar, Rt Turn Signal, Canister Vent, and RF Heated/Vented Seat Fuses, Window Motors Circuit Breaker
Fuse Block - Right Rear Bussing