GM Service Manual Online
For 1990-2009 cars only
Makes
🢒
Cadillac
🢒
2007
🢒
STS
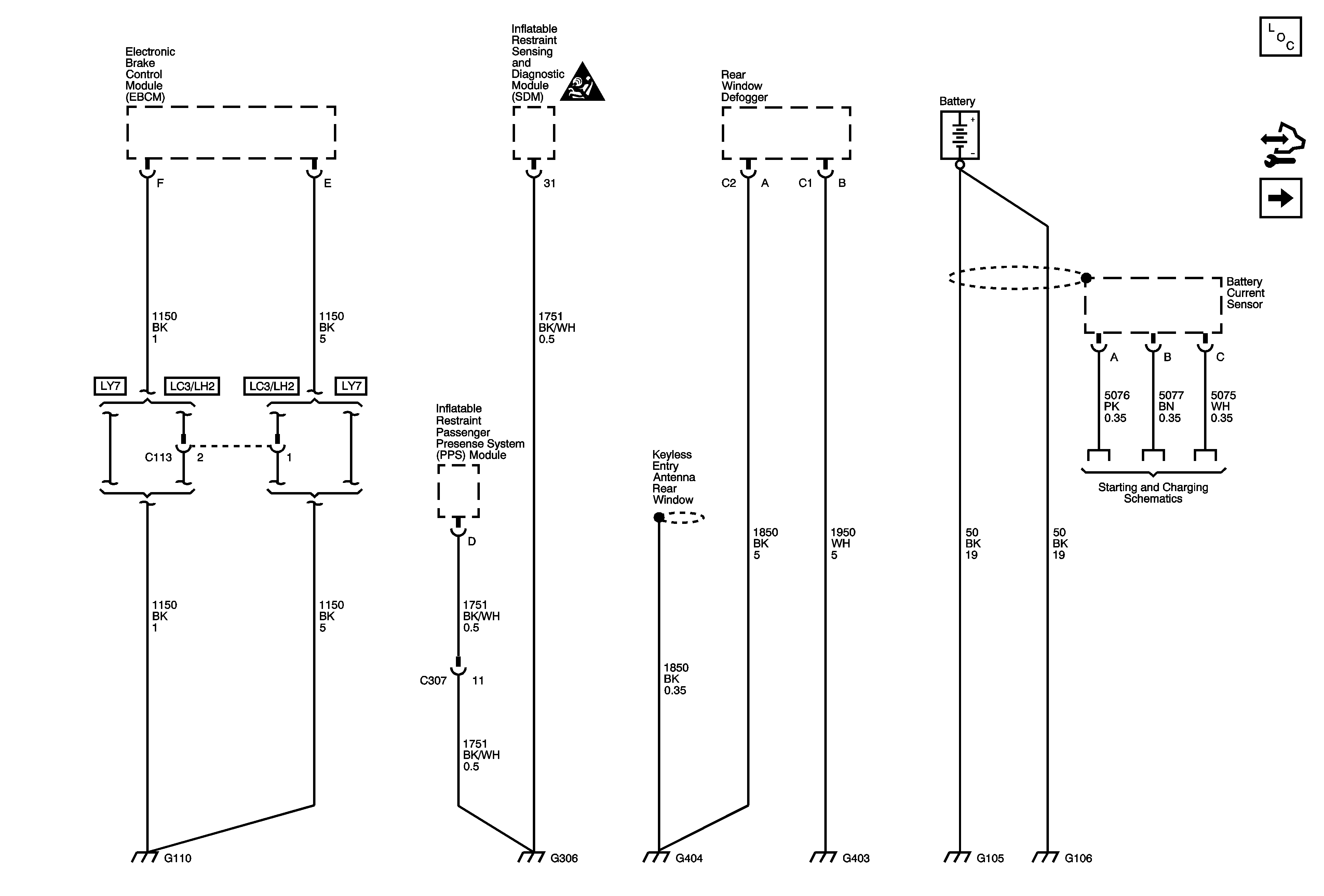
🢒 G105, G106, G110, G306, G403 and G404
G105, G106, G110, G306, G403 and G404
G105, G106, G110, G306, G403 and G404
Master Electrical Component List
Control Module References
G100 (LH2/LC3)
Power and Grounding Schematic Icons