GM Service Manual Online
For 1990-2009 cars only
Makes
🢒
Cadillac
🢒
2007
🢒
STS
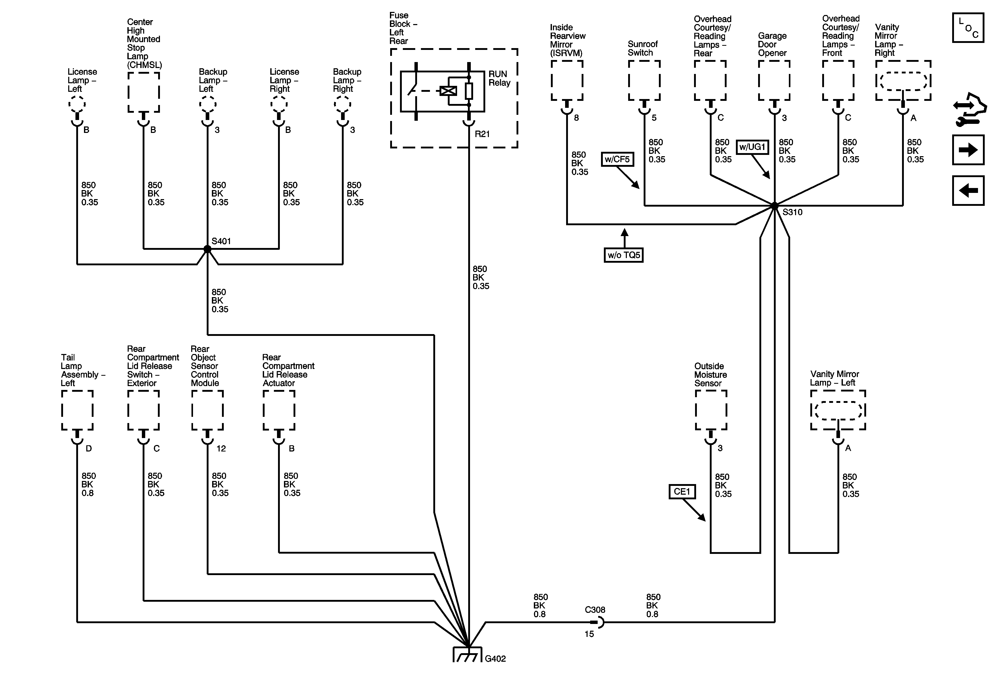
🢒 G401 (1 of 2)
G401 (1 of 2)
G401 1 of 2
Master Electrical Component List
Control Module References
G401 (2 of 2)
G307 (LHD)