GM Service Manual Online
For 1990-2009 cars only
Makes
🢒
Cadillac
🢒
2007
🢒
STS
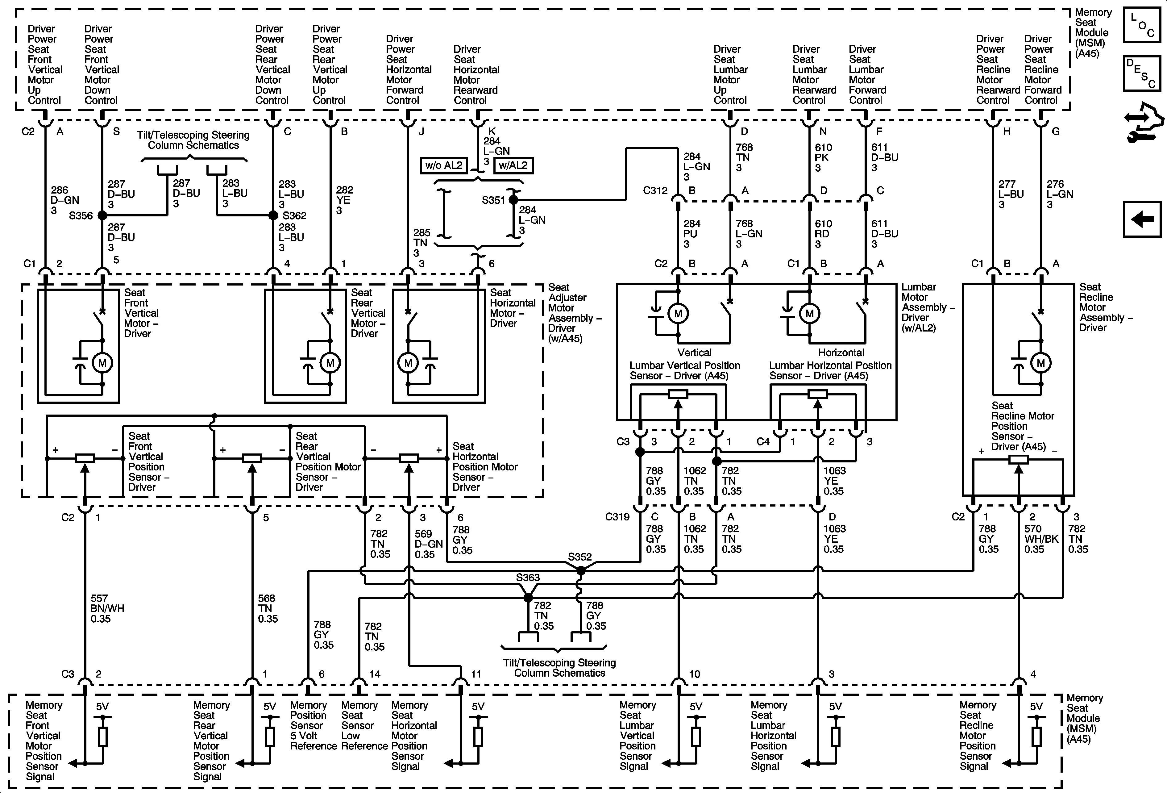
🢒 Position Sensors and Motors
Position Sensors and Motors
Position Sensors and Motors
Master Electrical Component List
Power Seats System Description and Operation (Without Memory A45)
Control Module References
Memory Seat Module Power, Ground and DLC
Tilt/Telescoping Steering Column Schematics
Tilt/Telescoping Steering Column Schematics