GM Service Manual Online
For 1990-2009 cars only
Makes
🢒
Cadillac
🢒
2008
🢒
STS
🢒
Engine
🢒
Engine Controls and Fuel - 4.6L (LH2)
🢒 Engine Controls Schematics
Figure
1:
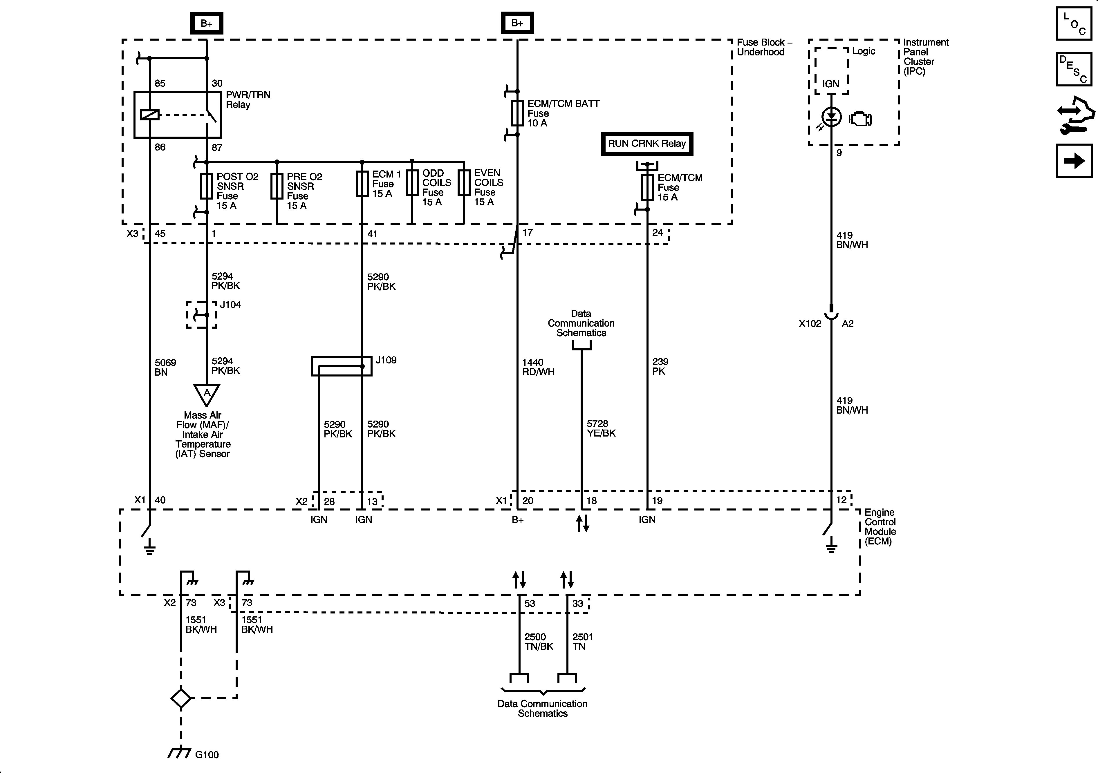
ECM Power, Ground, Serial Data, and MIL
Master Electrical Component List
Engine Control Module Description
Control Module References
Engine Data Sensors - 5-Volt and Low References 1 of 2
Figure
2:
Engine Data Sensors - 5-Volt and Low Reference 1 of 2
Master Electrical Component List
Engine Control Module Description
Control Module References
Engine Data Sensors - 5-Volt and Low Reference 2 of 2
ECM Power, Ground, Serial Data, and MIL
Figure
3:
Engine Data Sensors - 5-Volt and Low Reference 2 of 2
Master Electrical Component List
Engine Control Module Description
Control Module References
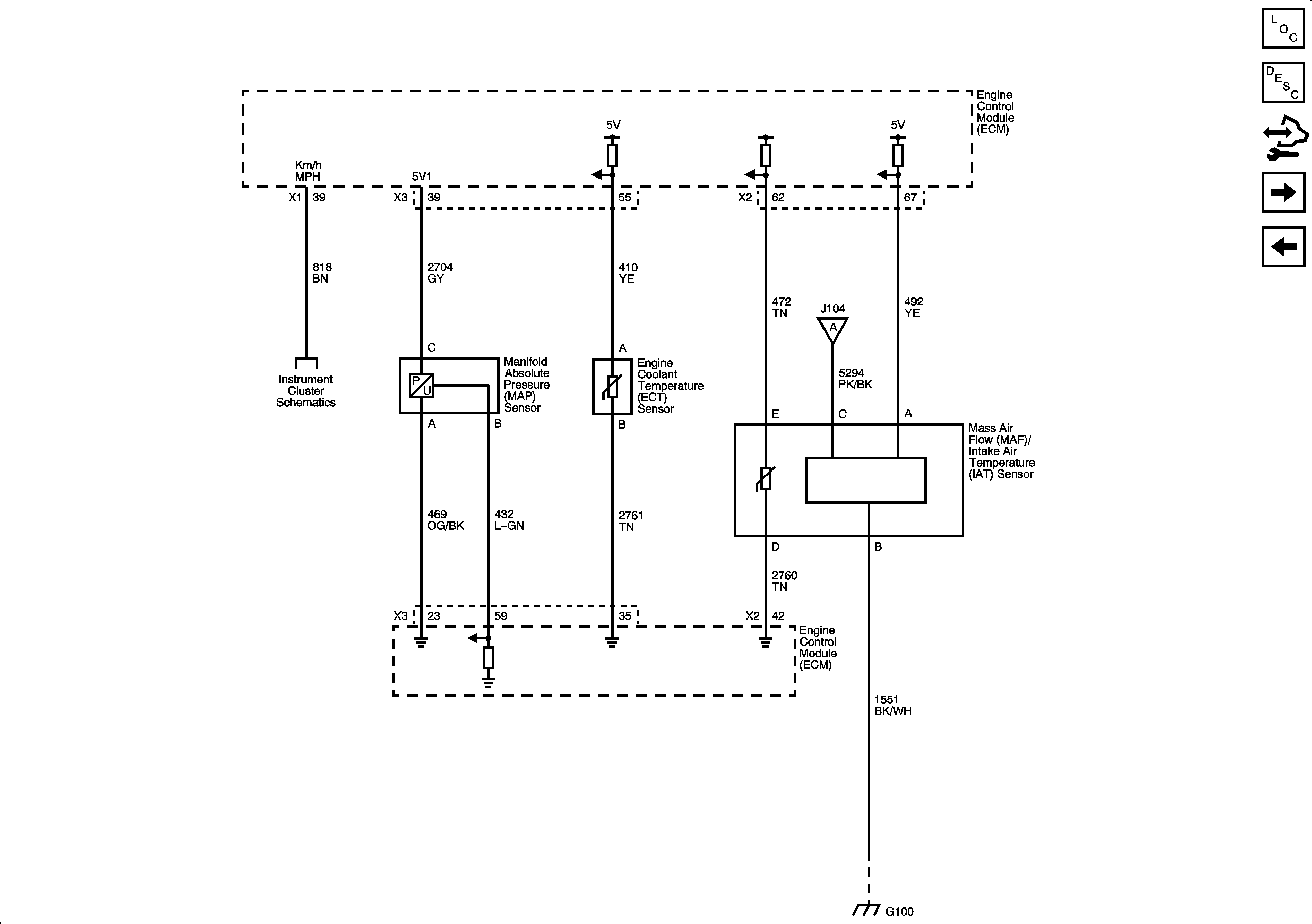
Engine Data Sensors - Pressure, Temperature, MAF, VSS
Engine Data Sensors - 5-Volt and Low References 1 of 2
Figure
4:
Engine Data Sensors - Pressure, Temperature, MAF, VSS
Master Electrical Component List
Engine Control Module Description
Control Module References
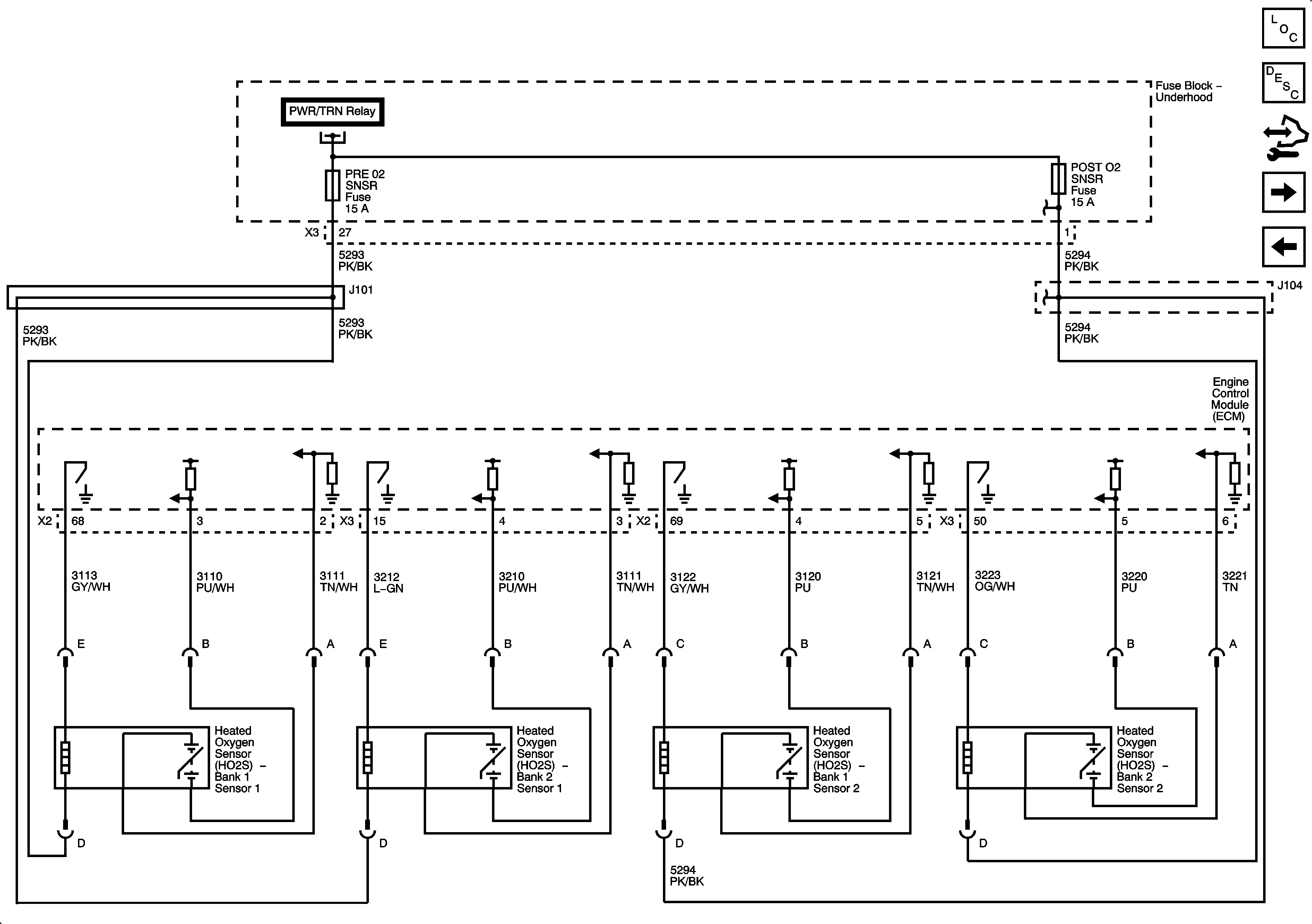
Engine Data Sensors - Oxygen Sensors
Engine Data Sensors - 5-Volt and Low Reference 2 of 2
Figure
5:
Engine Data Sensors - Oxygen Sensors
Master Electrical Component List
Engine Control Module Description
Control Module References
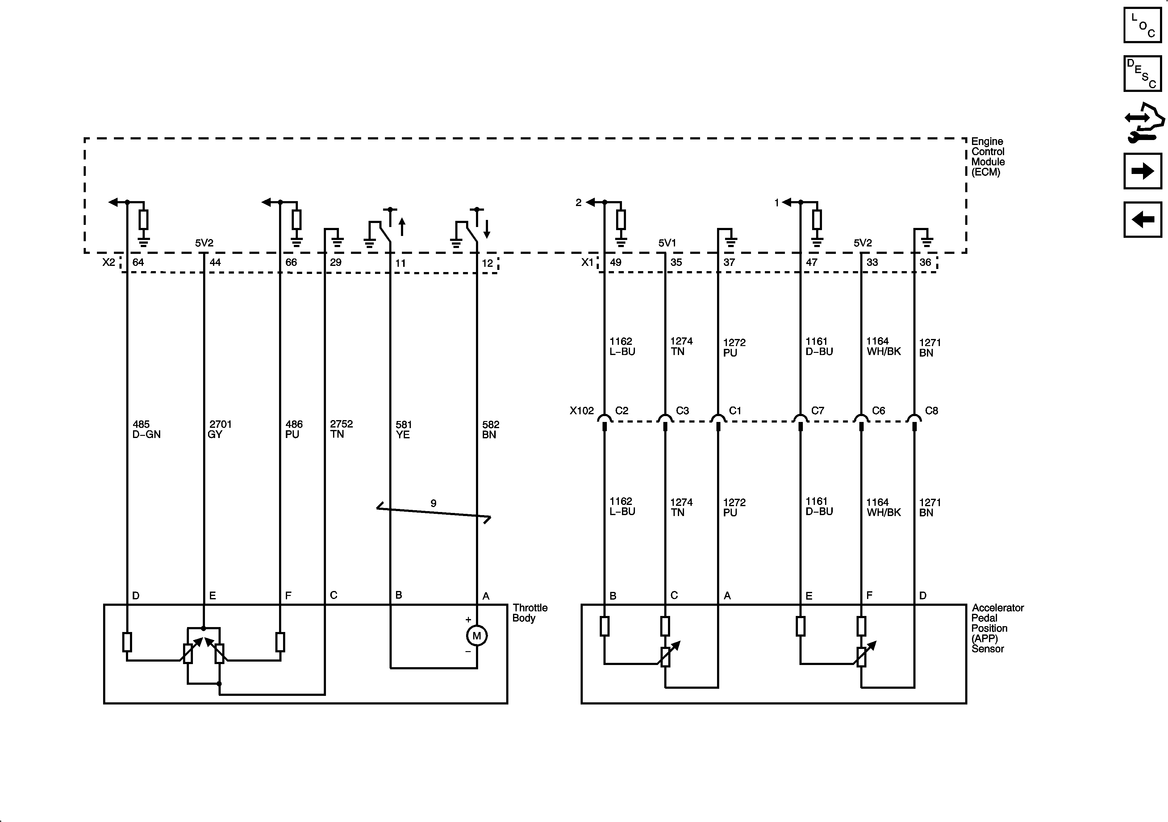
Engine Data Sensors - Electronic Throttle Controls
Engine Data Sensors - Pressure, Temperature, MAF, VSS
Figure
6:
Engine Data Sensors - Electronic Throttle Controls
Master Electrical Component List
Throttle Actuator Control (TAC) System Description
Control Module References
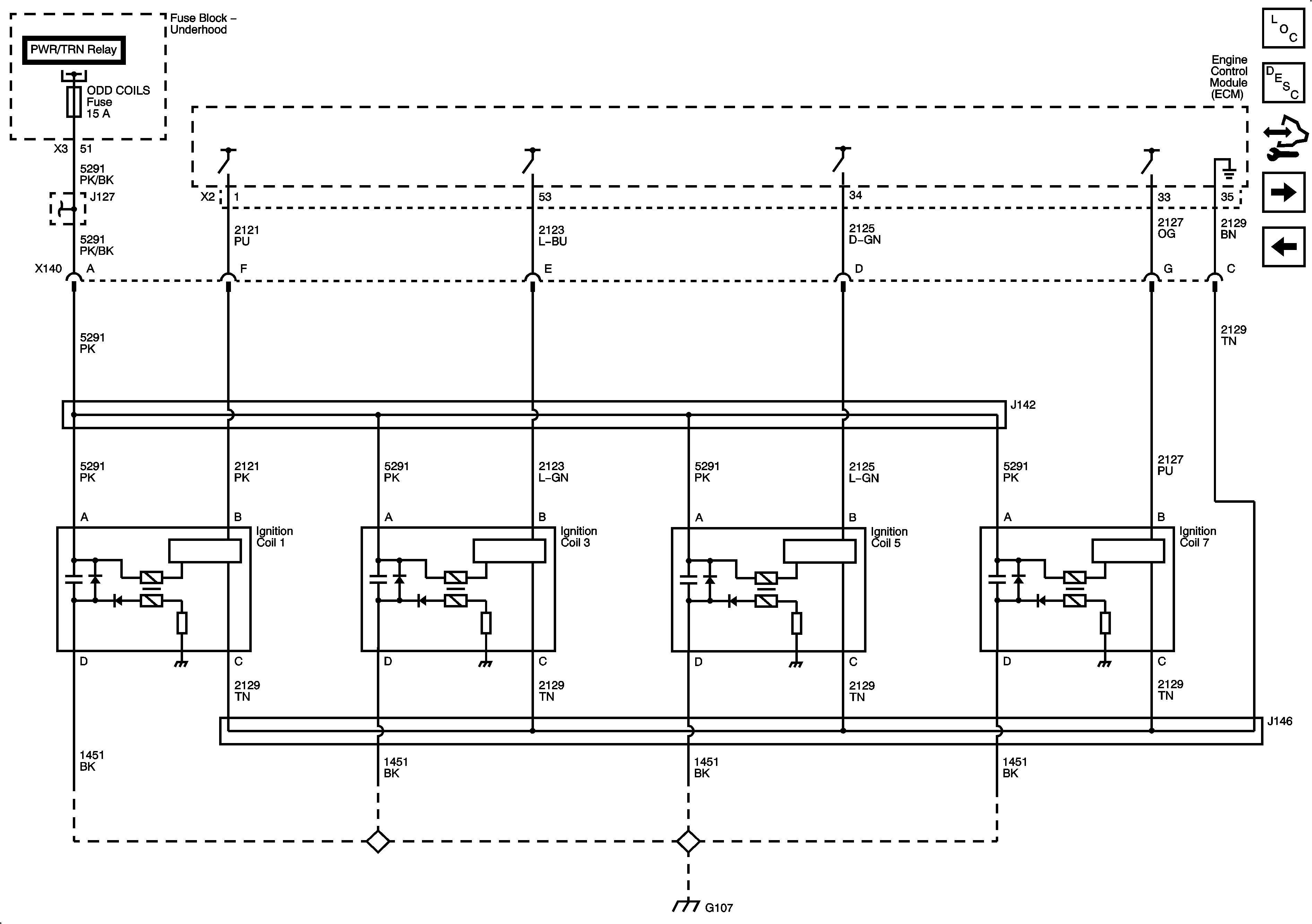
Ignition Controls - Ignition System Bank 1
Engine Data Sensors - Oxygen Sensors
Figure
7:
Ignition Controls - Ignition System Bank 1
Master Electrical Component List
Electronic Ignition (EI) System Description
Control Module References
Ignition Controls - Ignition System Bank 2
Engine Data Sensors - Electronic Throttle Controls
Figure
8:
Ignition Controls - Ignition System Bank 2
Master Electrical Component List
Electronic Ignition (EI) System Description
Control Module References
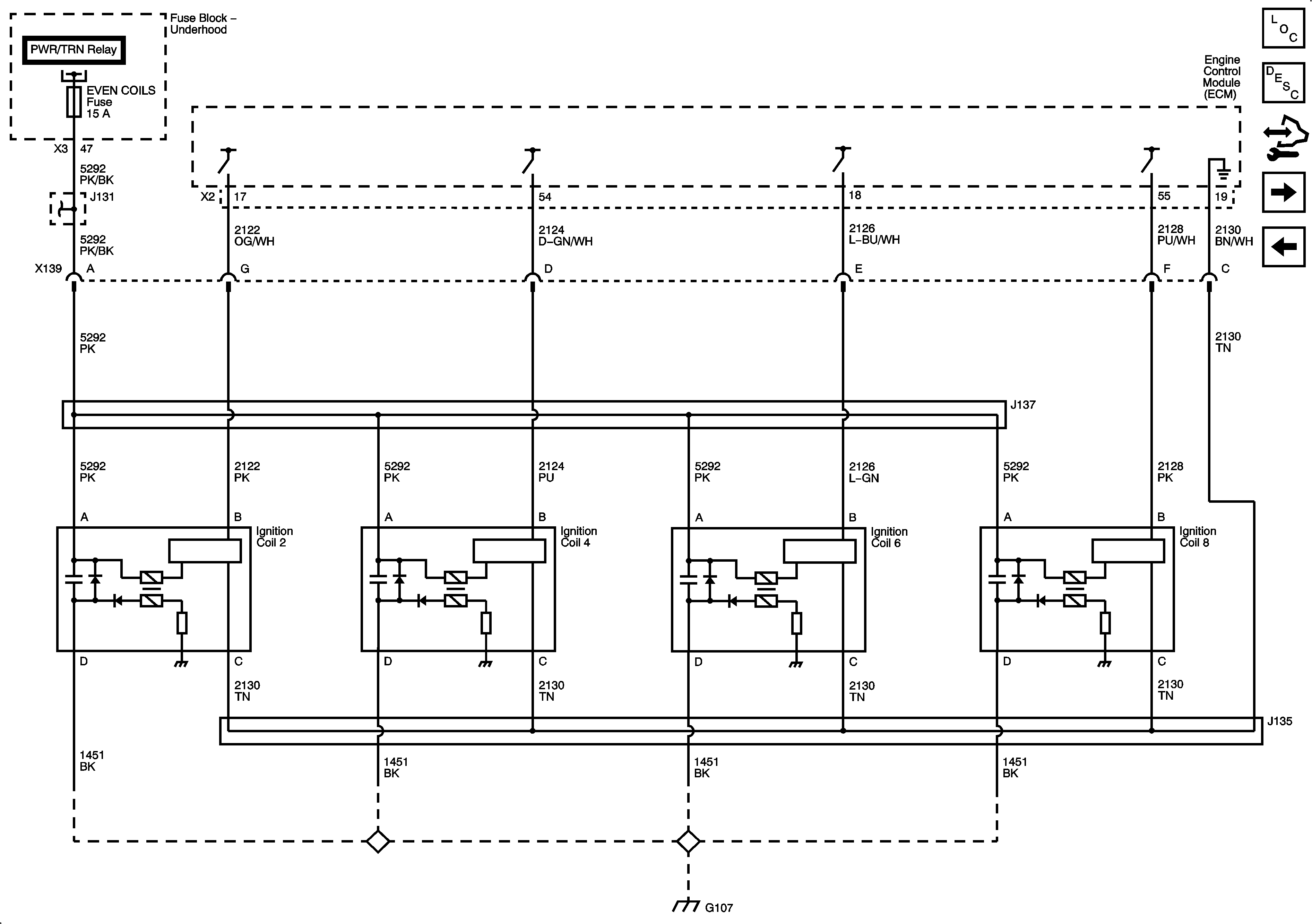
Ignition Controls - CMP Sensors and Solenoids
Ignition Controls - Ignition System Bank 1
Figure
9:
Ignition Controls - CMP Sensors and Solenoids
Master Electrical Component List
Electronic Ignition (EI) System Description
Control Module References
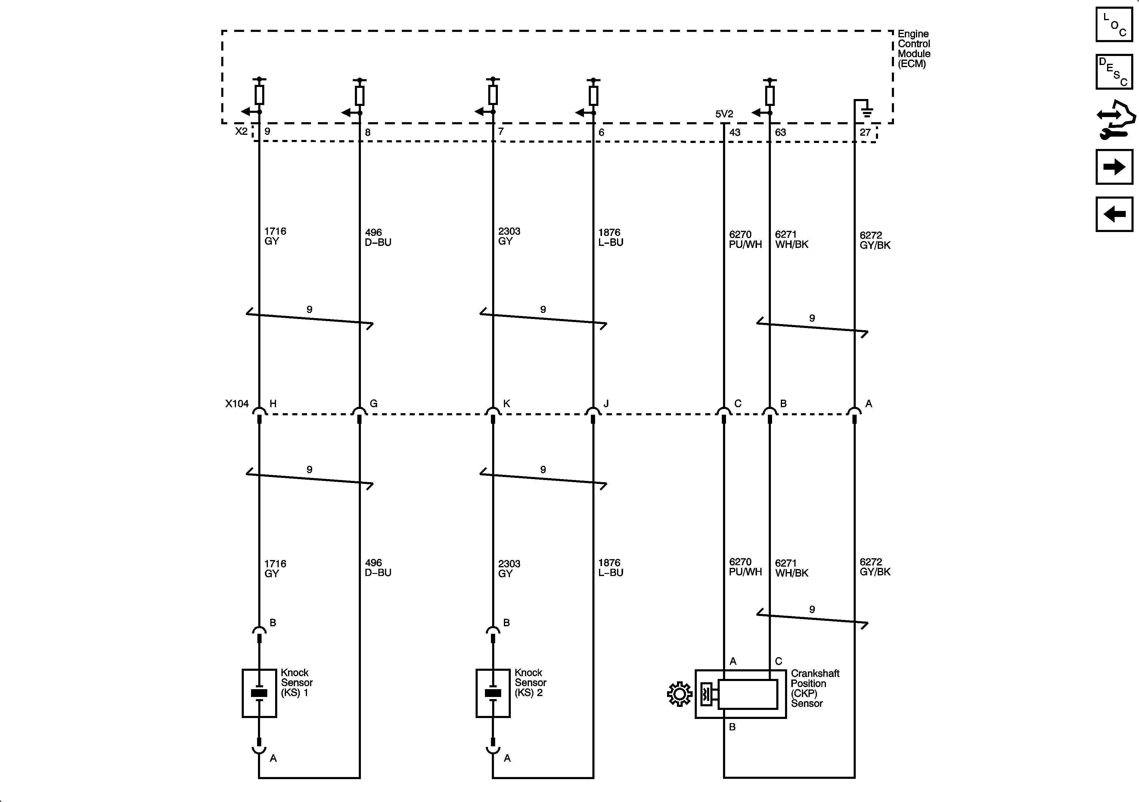
Crankshaft Position (CKP) Sensor and Knock Sensors
Ignition Controls - Ignition System Bank 2
Figure
10:
Crankshaft Position (CKP) Sensor and Knock Sensors
Master Electrical Component List
Electronic Ignition (EI) System Description
Control Module References
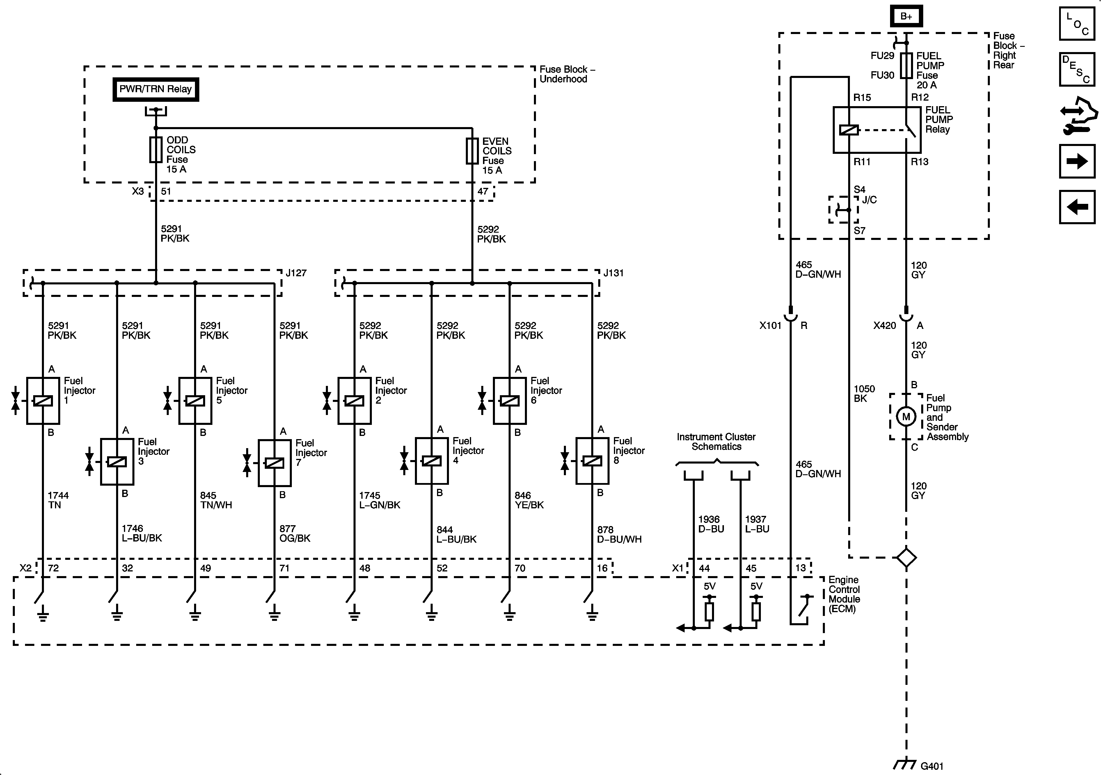
Fuel Controls - Injector and Pump
Ignition Controls - CMP Sensors and Solenoids
Figure
11:
Fuel Controls - Injectors and Pump
Master Electrical Component List
Fuel System Description
Control Module References
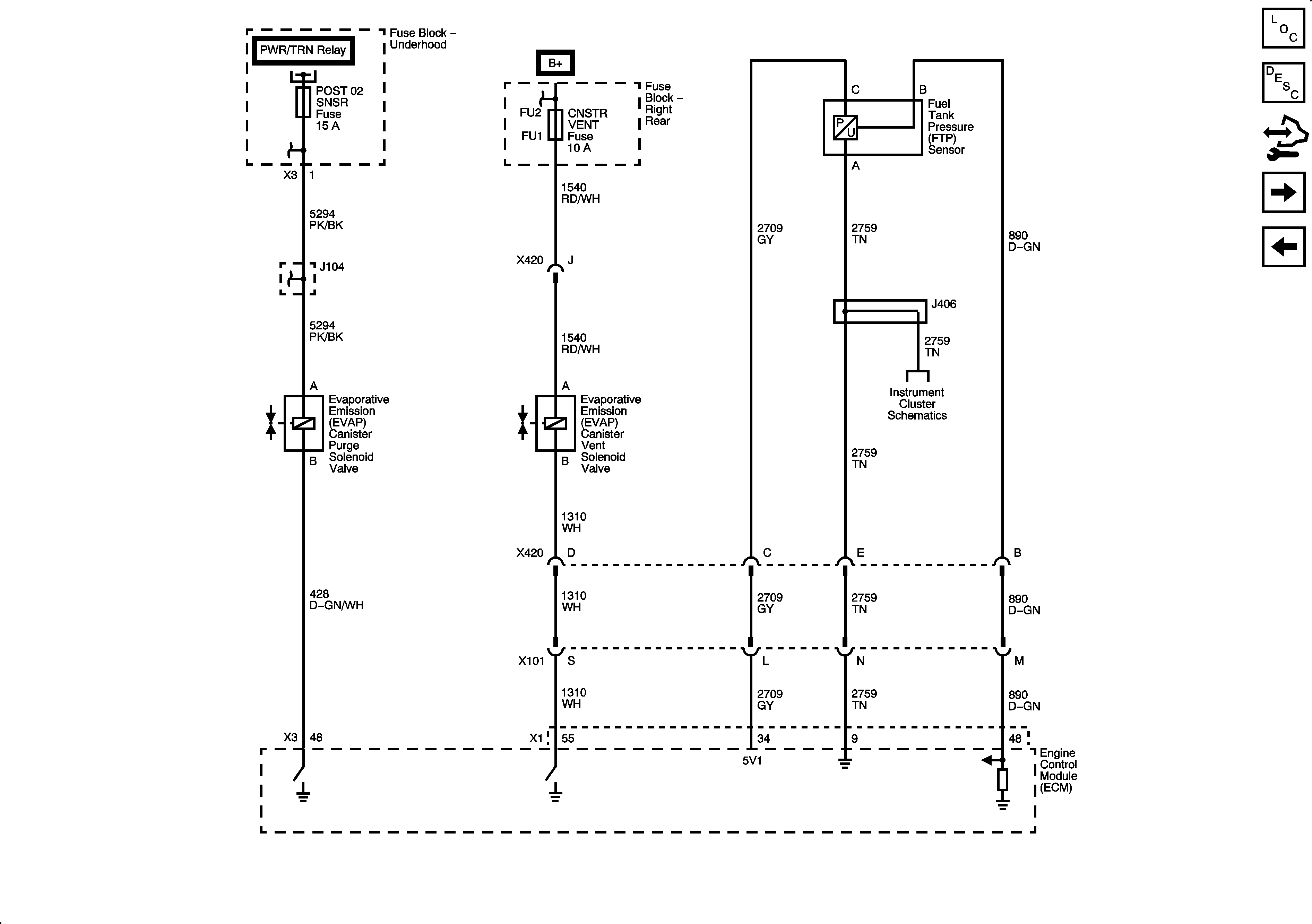
Fuel Controls - EVAP and Fuel Tank Pressure (FTP) Sensor
Crankshaft Position (CKP) Sensor and Knock Sensors
Figure
12:
Fuel Controls - EVAP and Fuel Tank Pressure (FTP) Sensor
Master Electrical Component List
Fuel System Description
Control Module References
Fuel Controls - Controlled/Monitored Subsystem References
Fuel Controls - Injector and Pump
Figure
13:
Fuel Controls - Controlled/Monitored Subsystem References
Master Electrical Component List
Fuel System Description
Control Module References
Fuel Controls - EVAP and Fuel Tank Pressure (FTP) Sensor