GM Service Manual Online
For 1990-2009 cars only
Figure 1:

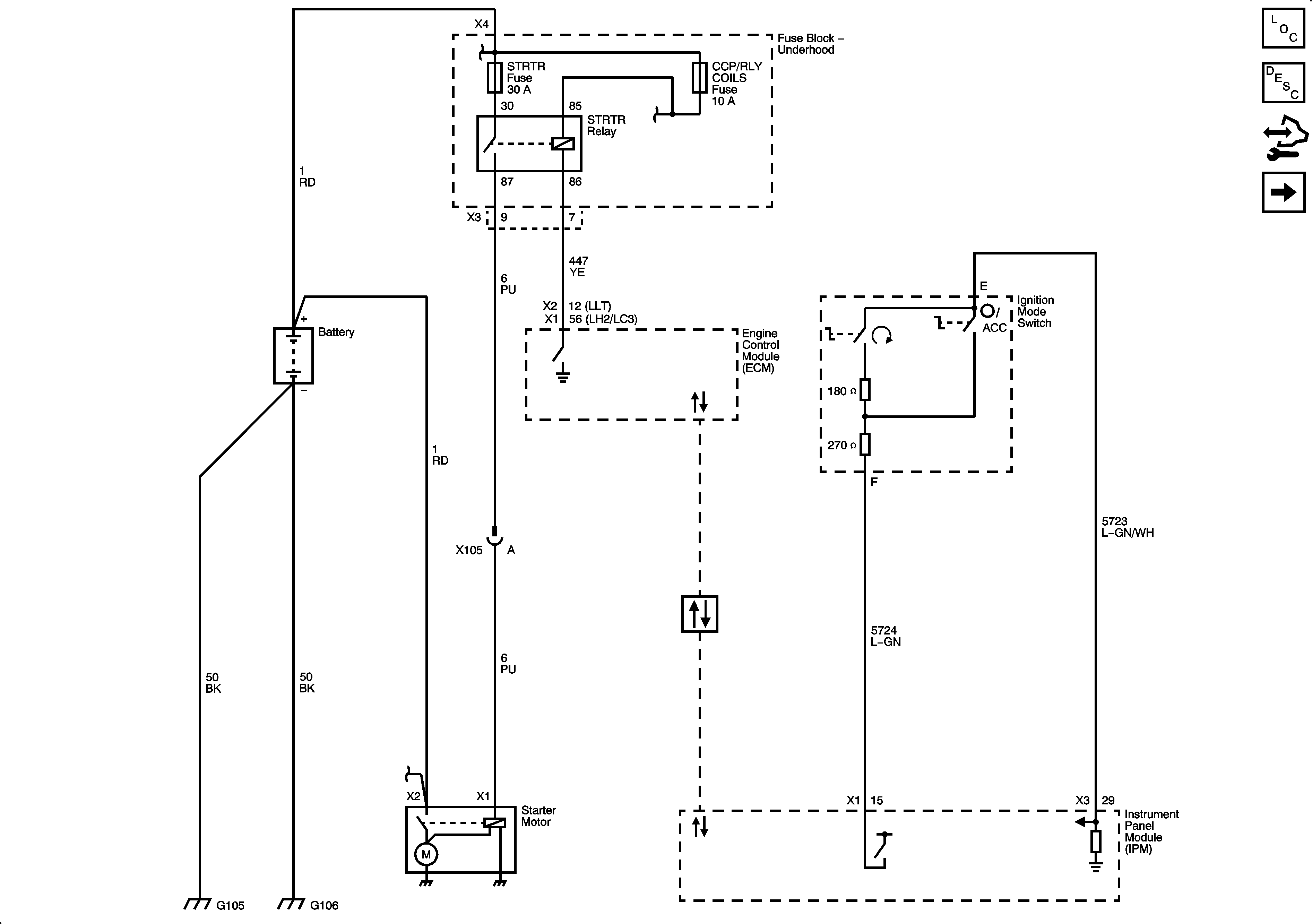
Starting System


Object Number: 1905603  Size: FS
Master Electrical Component List
Starting System Description and Operation
Control Module References
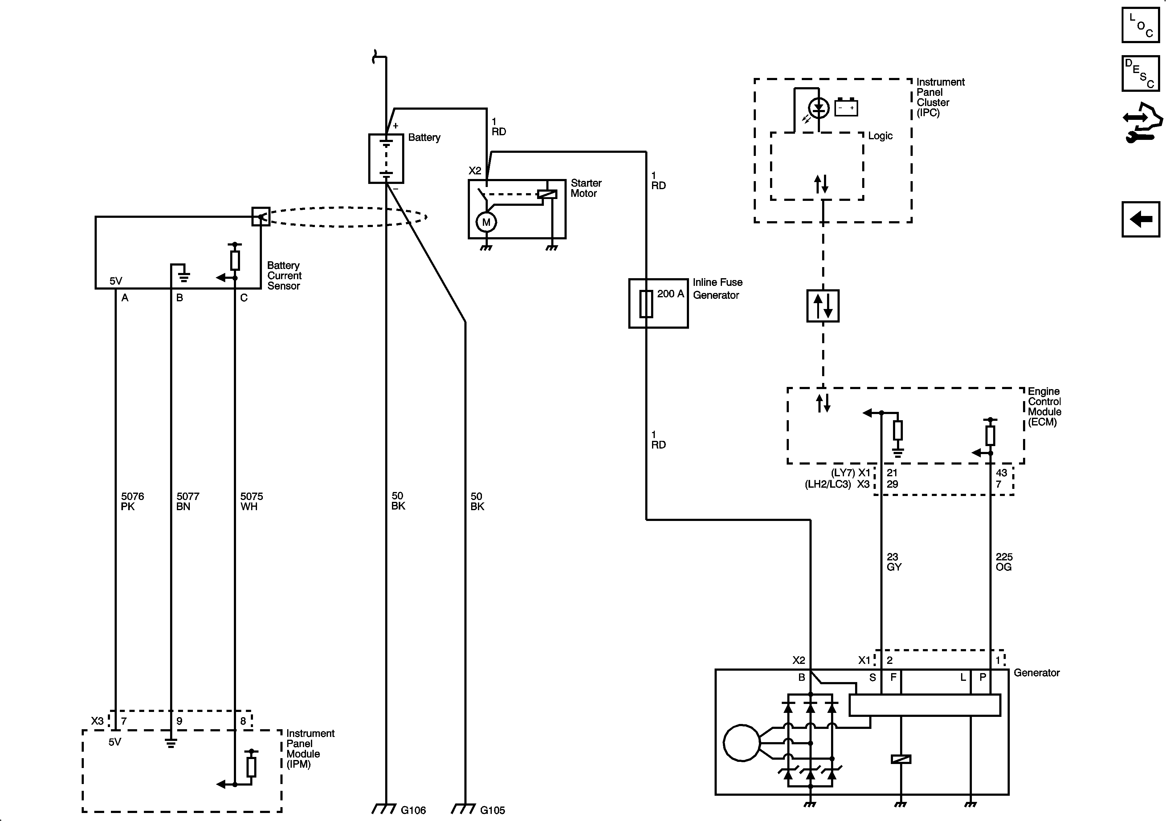
Charging System
Figure 2:

Charging System


Object Number: 1905605  Size: FS
Master Electrical Component List
Charging System Description and Operation
Control Module References
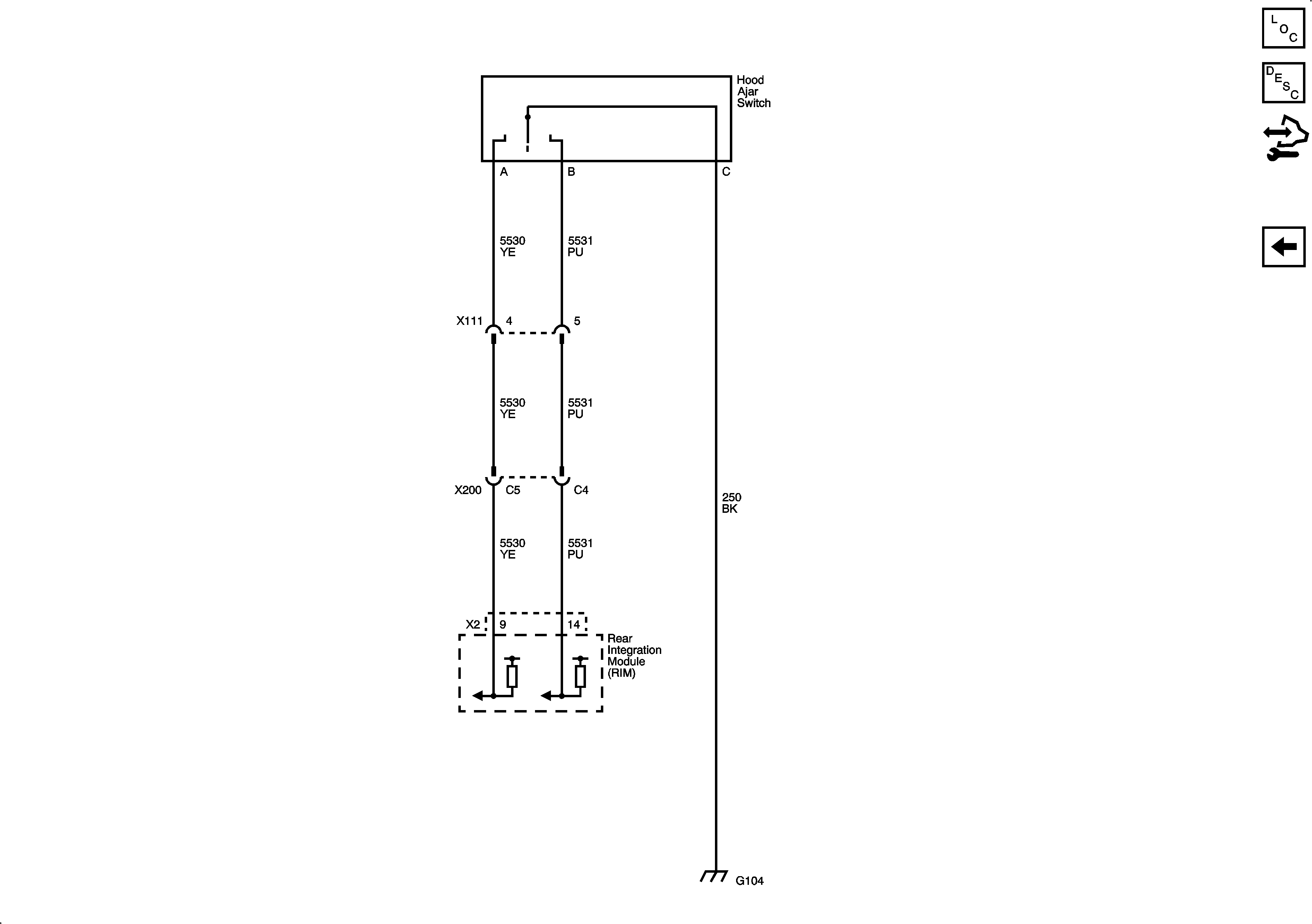
Hood Ajar Switch
Starting System
Figure 3:

Hood Ajar Switch


Object Number: 1905624  Size: FS
Master Electrical Component List
Starting System Description and Operation
Control Module References
Charging System