GM Service Manual Online
For 1990-2009 cars only
Figure 1:

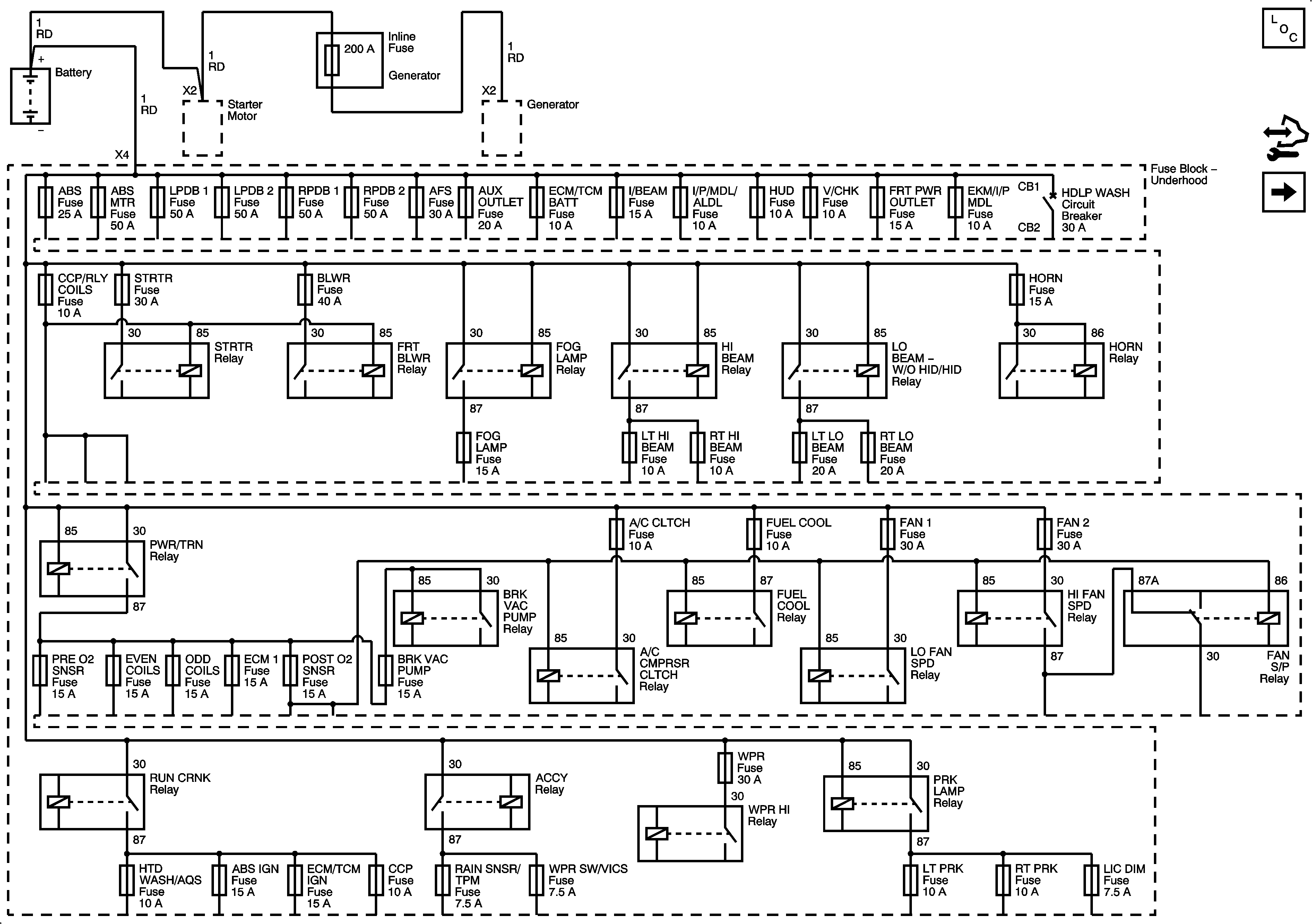
Fuse Block - Underhood Bussing


Object Number: 1905070  Size: FS
Master Electrical Component List
Control Module References
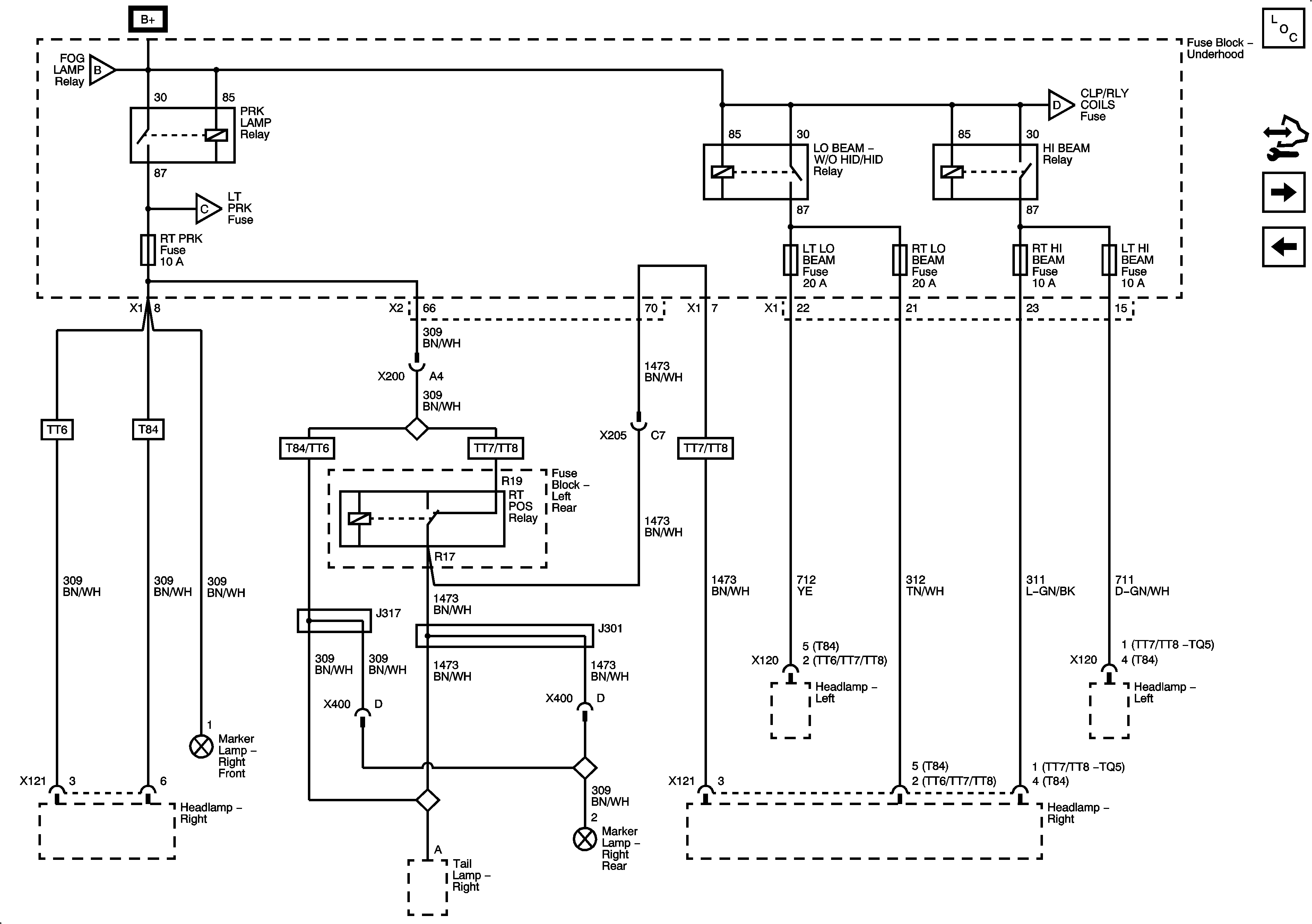
Fuse Block - Left Rear Bussing
Figure 2:

Fuse Block - Left Rear Bussing


Object Number: 1905072  Size: FS
Master Electrical Component List
Control Module References
Fuse Block - Right Rear Bussing
Fuse Block - Underhood Bussing
Figure 3:

Fuse Block - Right Rear Bussing


Object Number: 1905074  Size: FS
Master Electrical Component List
Control Module References
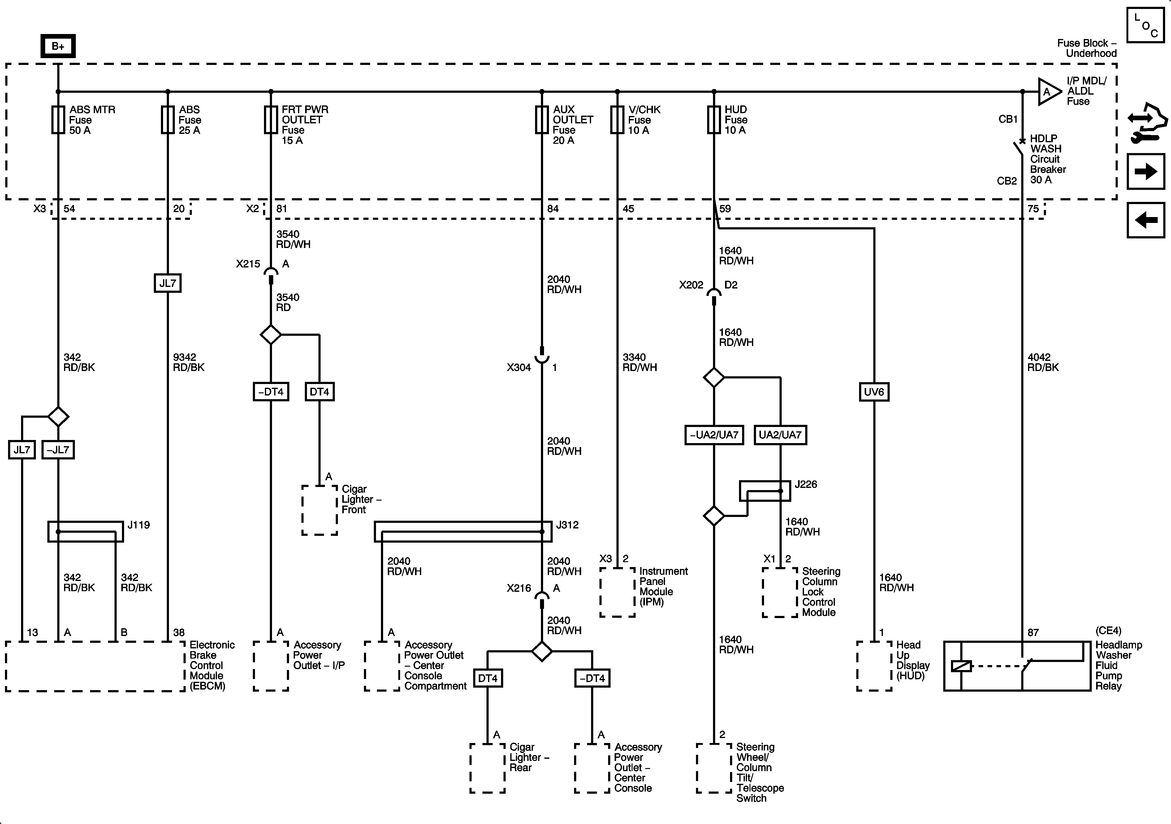
ABS, ABS MTR, AUX OUTLET, FRT PWR OUTLET, HUD, and V/CHK Fuses, HDLP WASH Circuit Breaker
Fuse Block - Left Rear Bussing
Figure 4:

ABS, ABS MTR, AUX OUTLET, FRT PWR OUTLET, HUD, and V/CHK Fuses, HDLP WASH Circuit Breaker


Object Number: 1905076  Size: FS
Master Electrical Component List
Control Module References
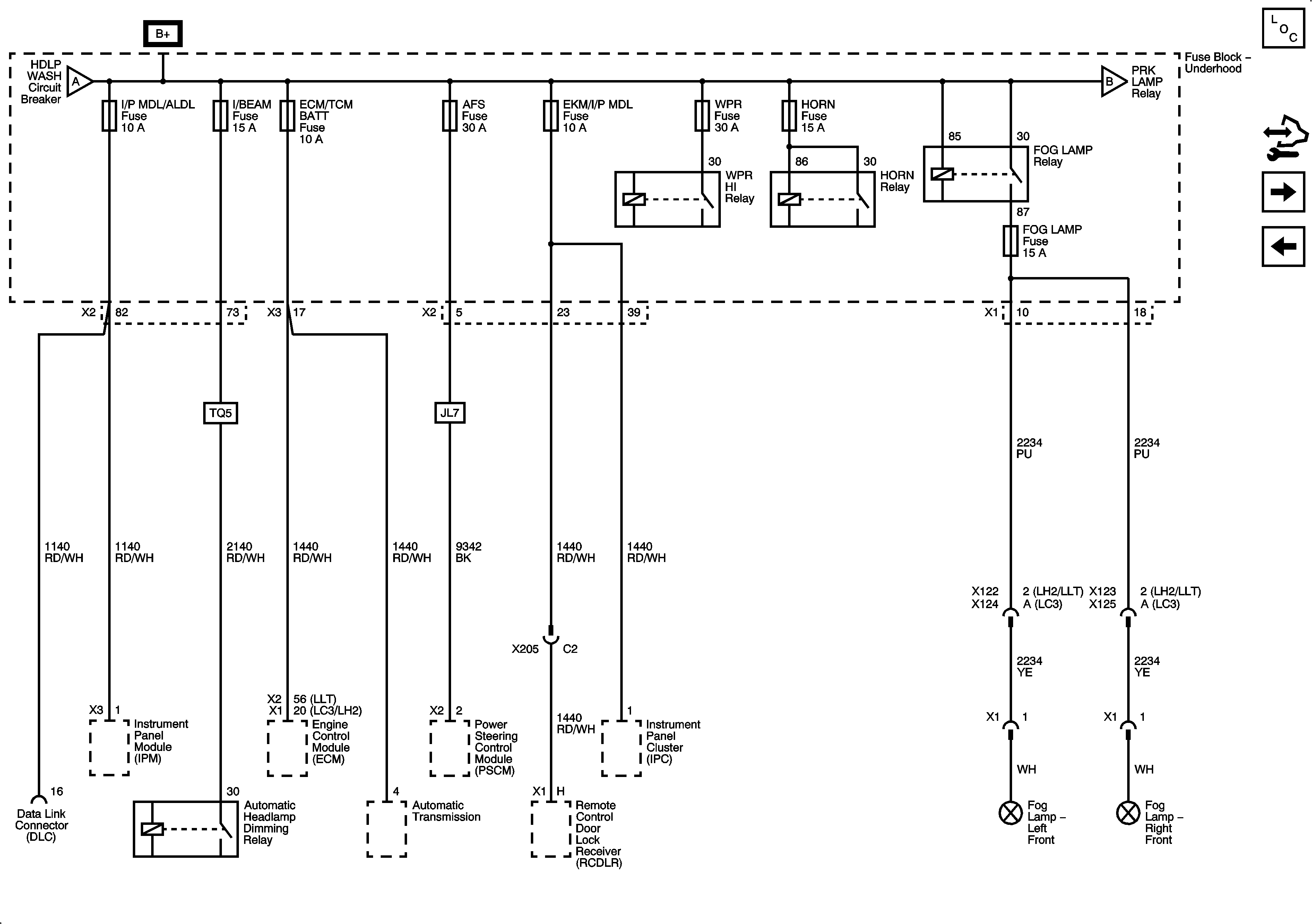
AFS, ECM/TCM BATT, EKM/I/P, FOG LAMP, HORN, I/BEAM, I/P MDL/ALDL, and WPR Fuses
Fuse Block - Right Rear Bussing
Figure 5:

AFS, ECM/TCM BATT, EKM/I/P, FOG LAMP, HORN, I/BEAM, I/P MDL/ALDL, and WPR Fuses


Object Number: 1905078  Size: FS
Master Electrical Component List
Control Module References
LT HI BEAM, LT LO BEAM, RT HI BEAM, RT LO BEAM, and RT PRK Fuses
ABS, ABS MTR, AUX OUTLET, FRT PWR OUTLET, HUD, and V/CHK Fuses, HDLP WASH Circuit Breaker
Figure 6:

LT HI BEAM, LT LO BEAM, RT HI BEAM, RT LO BEAM, and RT PRK Fuses


Object Number: 1905081  Size: FS
Master Electrical Component List
Control Module References
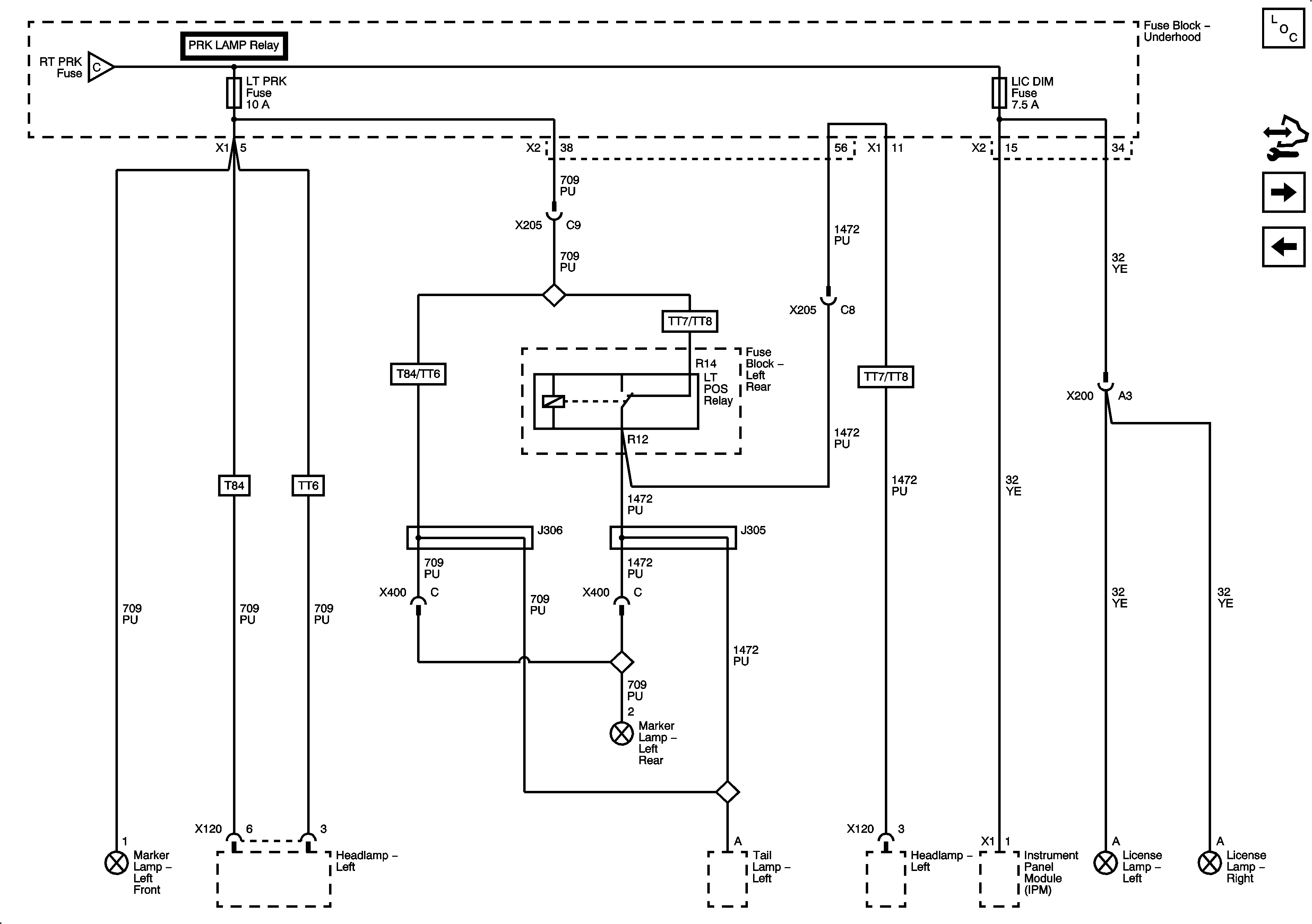
LIC DIM and LT PRK Fuses
AFS, ECM/TCM BATT, EKM/I/P, FOG LAMP, HORN, I/BEAM, I/P MDL/ALDL, and WPR Fuses
Figure 7:

LIC DIM and LT PRK Fuses


Object Number: 1905086  Size: FS
Master Electrical Component List
Control Module References
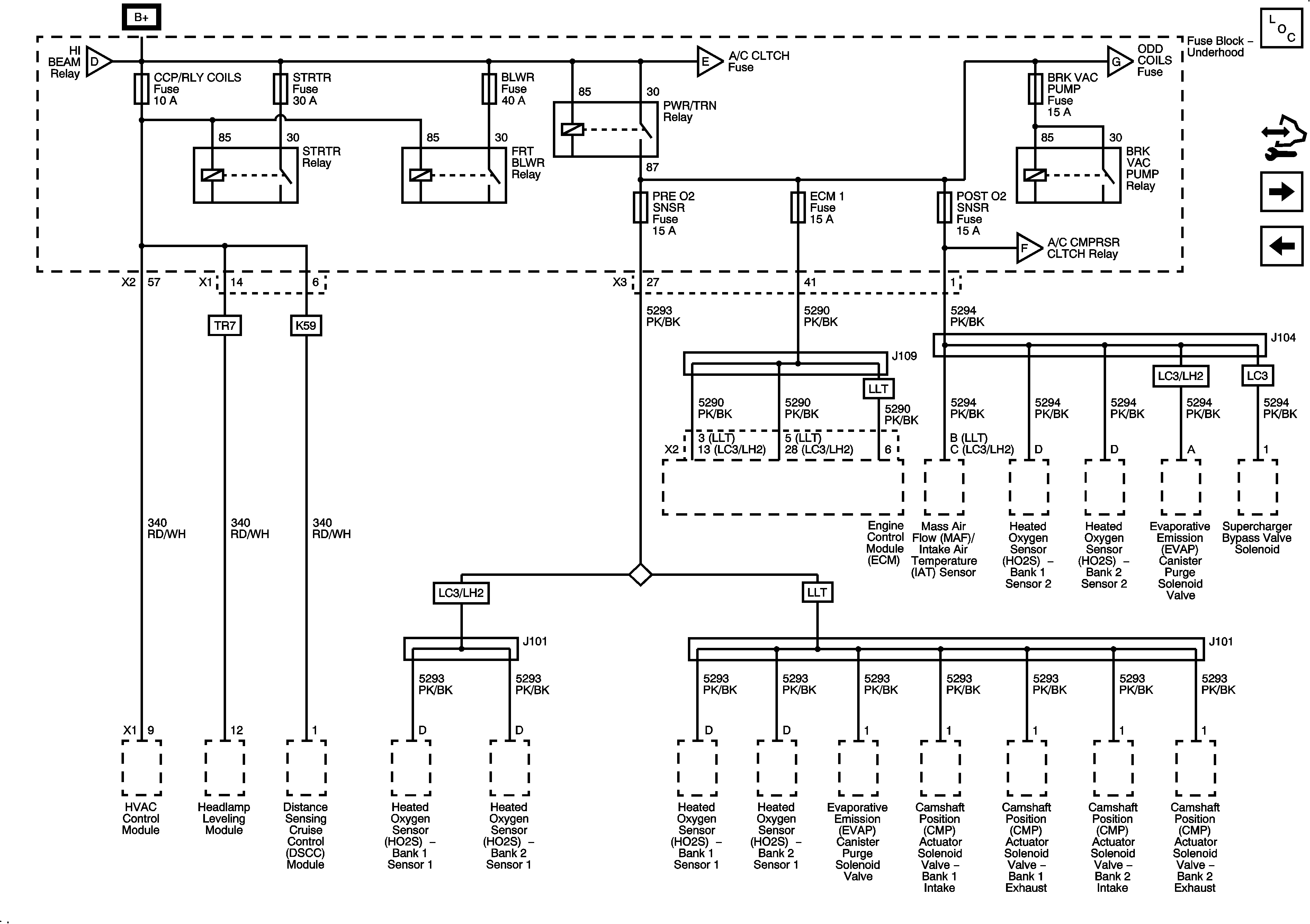
BLWR, BRK VAC PUMP, CCP/RLY/COILS, ECM 1, POST O2, PRE O2, and STRTR Fuses
LT HI BEAM, LT LO BEAM, RT HI BEAM, RT LO BEAM, and RT PRK Fuses
Figure 8:

BLWR, BRK VAC PUMP, CCP/RLY/COILS, ECM 1, POST O2, PRE O2, and STRTR Fuses


Object Number: 1905088  Size: FS
Master Electrical Component List
Control Module References
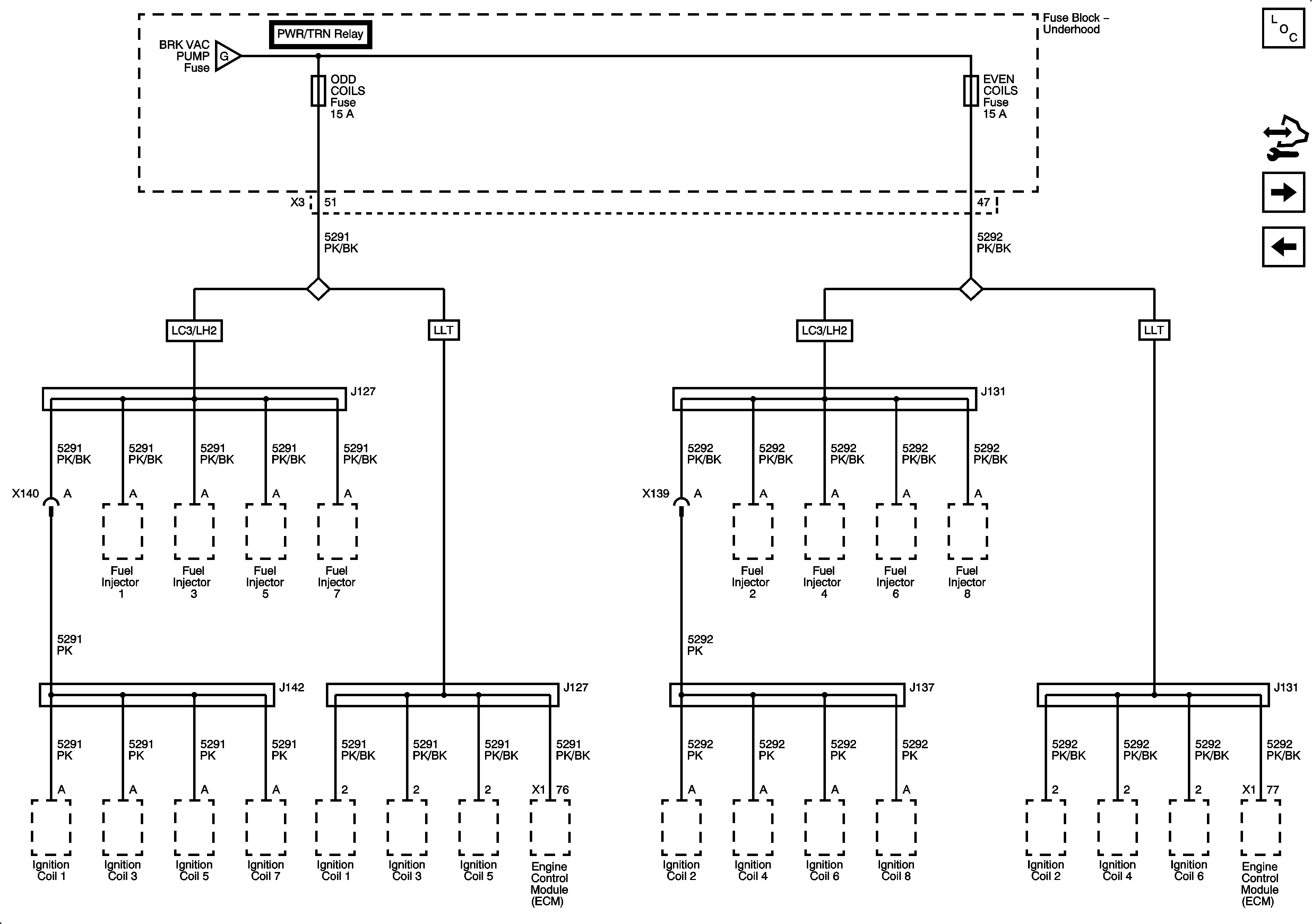
EVEN COILS and ODD COILS Fuses
LIC DIM and LT PRK Fuses
Figure 9:

EVEN COILS and ODD COILS Fuses


Object Number: 1905090  Size: FS
Master Electrical Component List
Control Module References
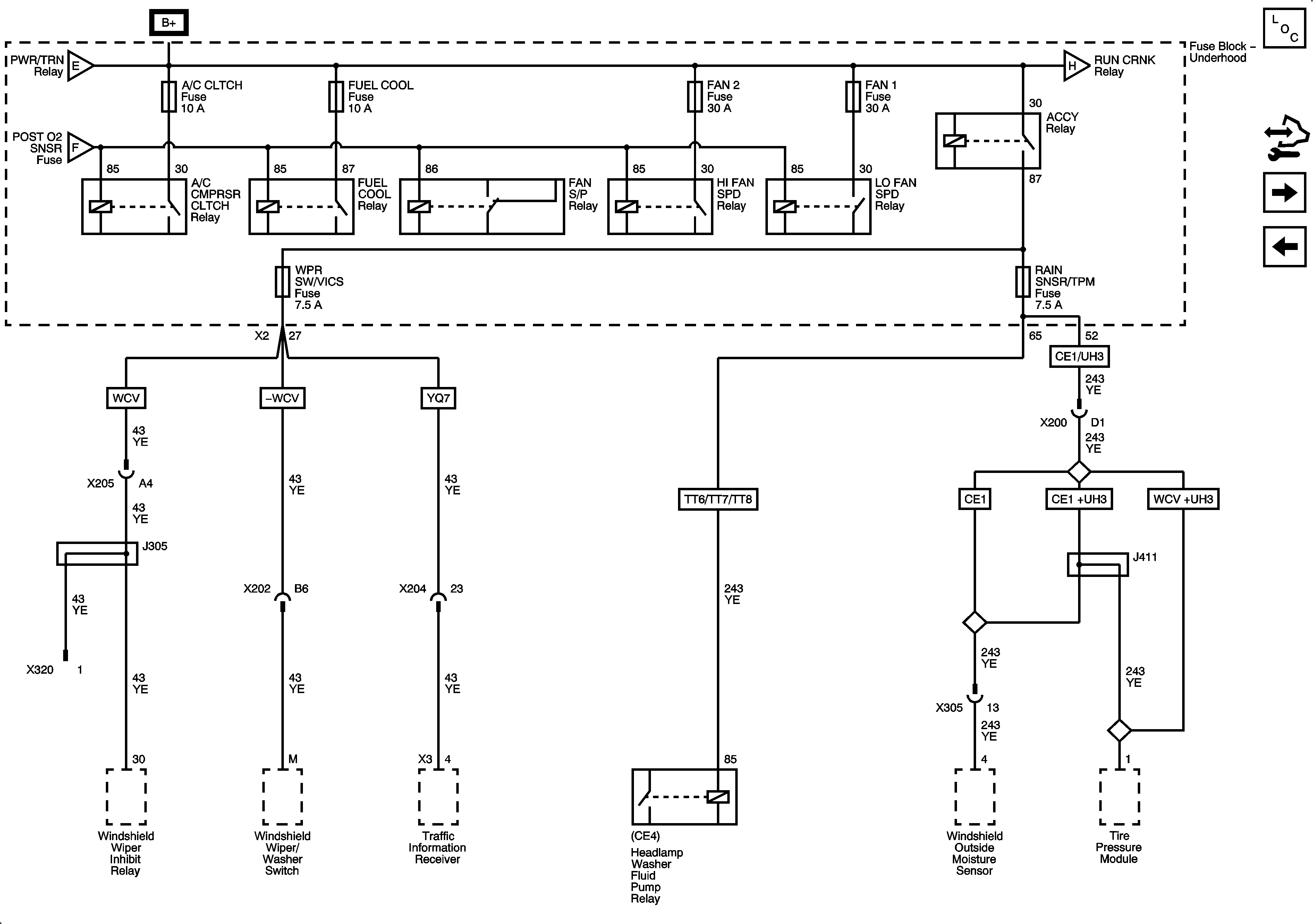
A/C FAN1, FAN2, FUEL COOL, RAIN SNSR and WPR SW/VICS Fuses
BLWR, BRK VAC PUMP, CCP/RLY/COILS, ECM 1, POST O2, PRE O2, and STRTR Fuses
Figure 10:

A/C CLTCH, FAN 1, FAN 2, FUEL COOL, RAIN SNSR/TPM, and WPR SW/VICS Fuses


Object Number: 1905092  Size: FS
Master Electrical Component List
Control Module References
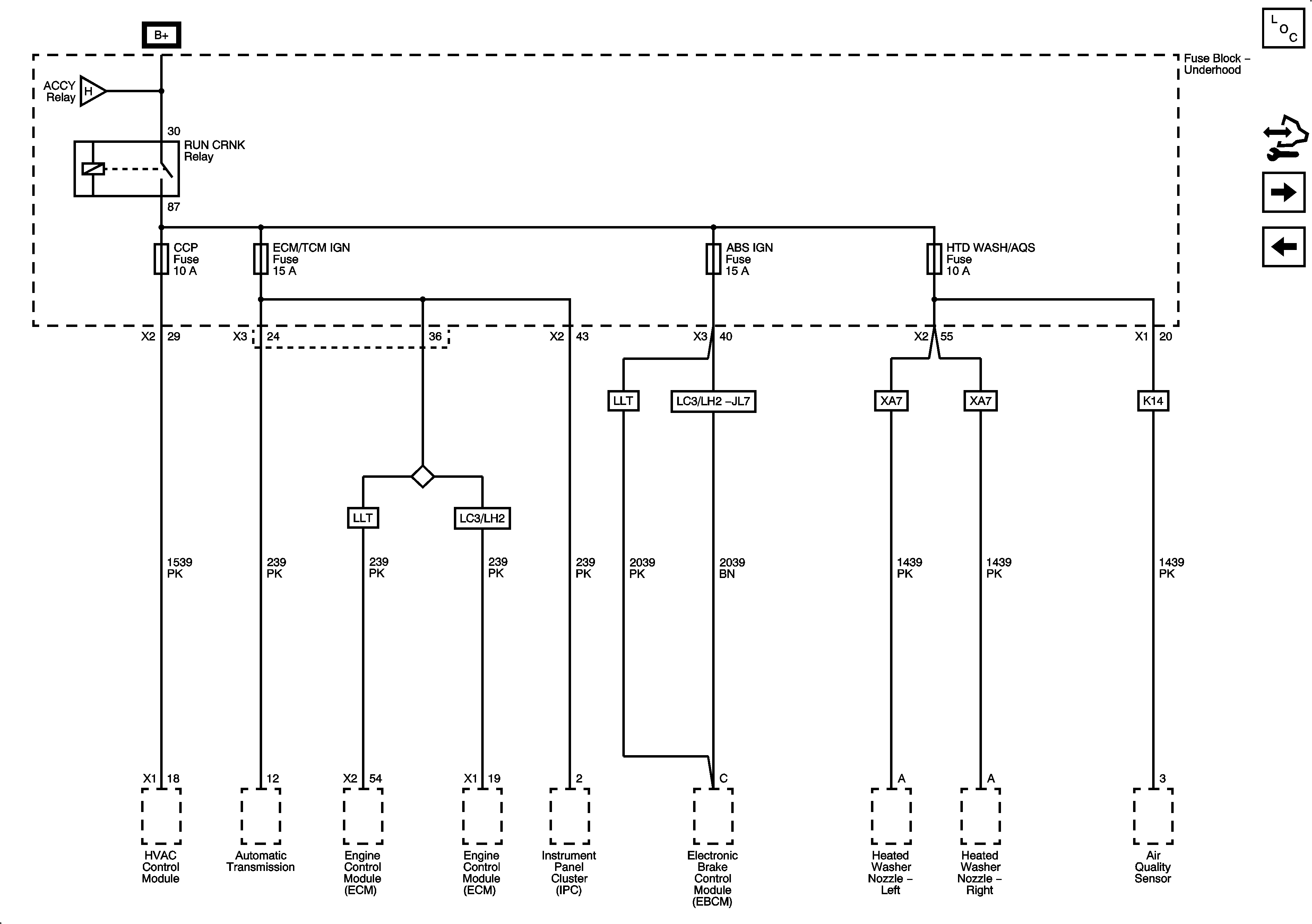
ABS IGN, CCP, ECM/TCM, and HTD WASH/AQS Fuses
EVEN COILS and ODD COILS Fuses
Figure 11:

ABS IGN, CCP, ECM/TCM, and HTD WASH/AQS Fuses


Object Number: 1905094  Size: FS
Master Electrical Component List
Control Module References
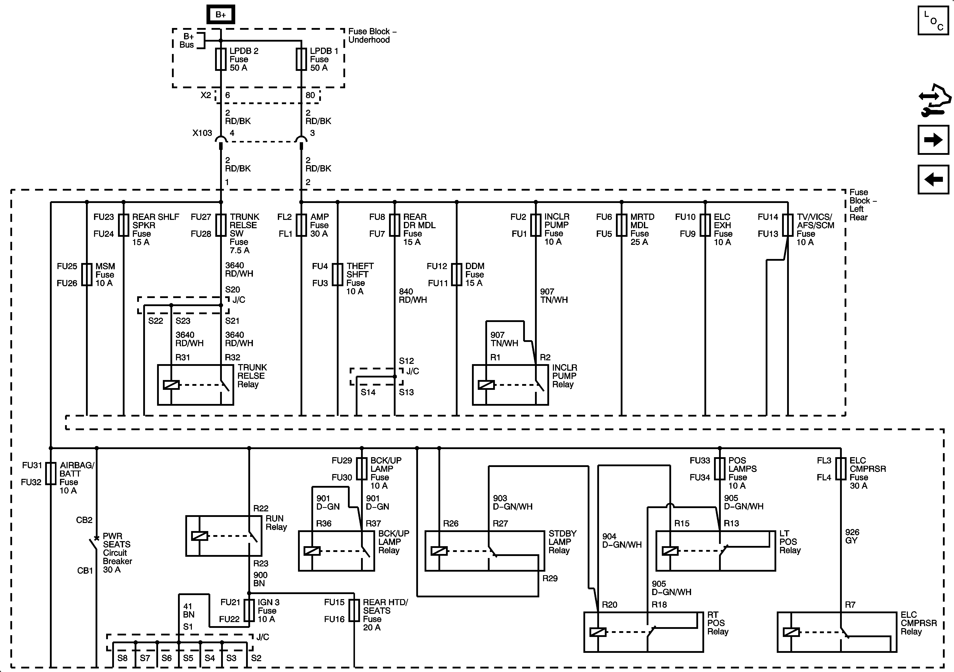
AMP, DDM, ELC EXH, INCLR PUMP, MRTD MDL, REAR DR MDL, THEFT SHFT, and TV/VICS/AFS/SCM Fuses
A/C FAN1, FAN2, FUEL COOL, RAIN SNSR and WPR SW/VICS Fuses
Figure 12:

AMP, DDM, ELC EXH, INCLR PUMP, MRTD MDL, REAR DR MDL, THEFT SHFT, and TV/VICS/AFS/SCM Fuses


Object Number: 1905097  Size: FS
Master Electrical Component List
Control Module References
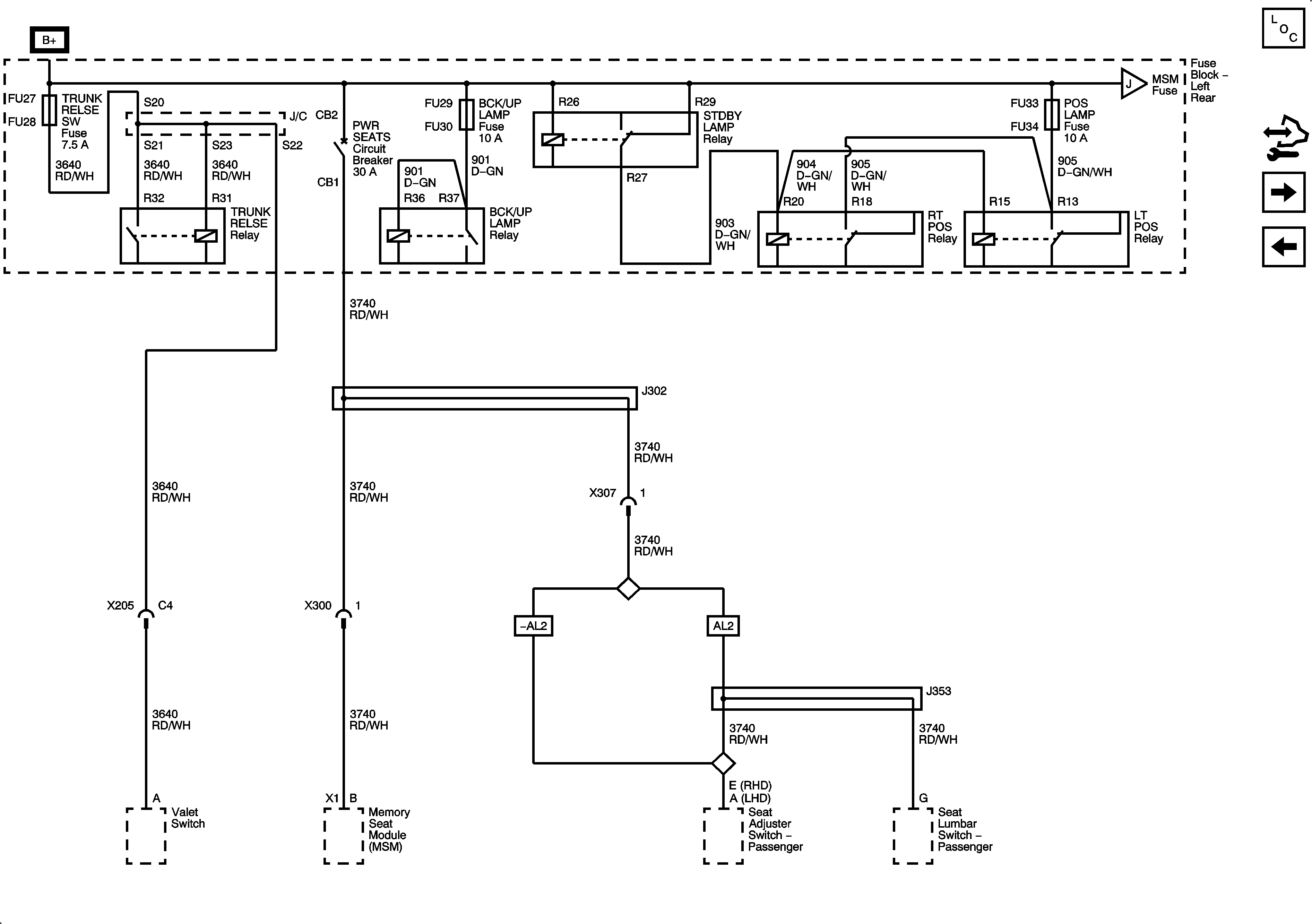
BCK/UP LAMP, POS LAMPS, and TRUNK RELSE Fuses, PWR SEATS Circuit Breaker
ABS IGN, CCP, ECM/TCM, and HTD WASH/AQS Fuses
Figure 13:

BCK/UP LAMP, POS LAMPS, and TRUNK RELSE Fuses, PWR SEATS Circuit Breaker


Object Number: 1905099  Size: FS
Master Electrical Component List
Control Module References
AIRBAG/BATT, MSM, and REAR SHLF SPKR Fuses
AMP, DDM, ELC EXH, INCLR PUMP, MRTD MDL, REAR DR MDL, THEFT SHFT, and TV/VICS/AFS/SCM Fuses
Figure 14:

AIRBAG/BATT, MSM, and REAR SHLF SPKR Fuses


Object Number: 1905102  Size: FS
Master Electrical Component List
Control Module References
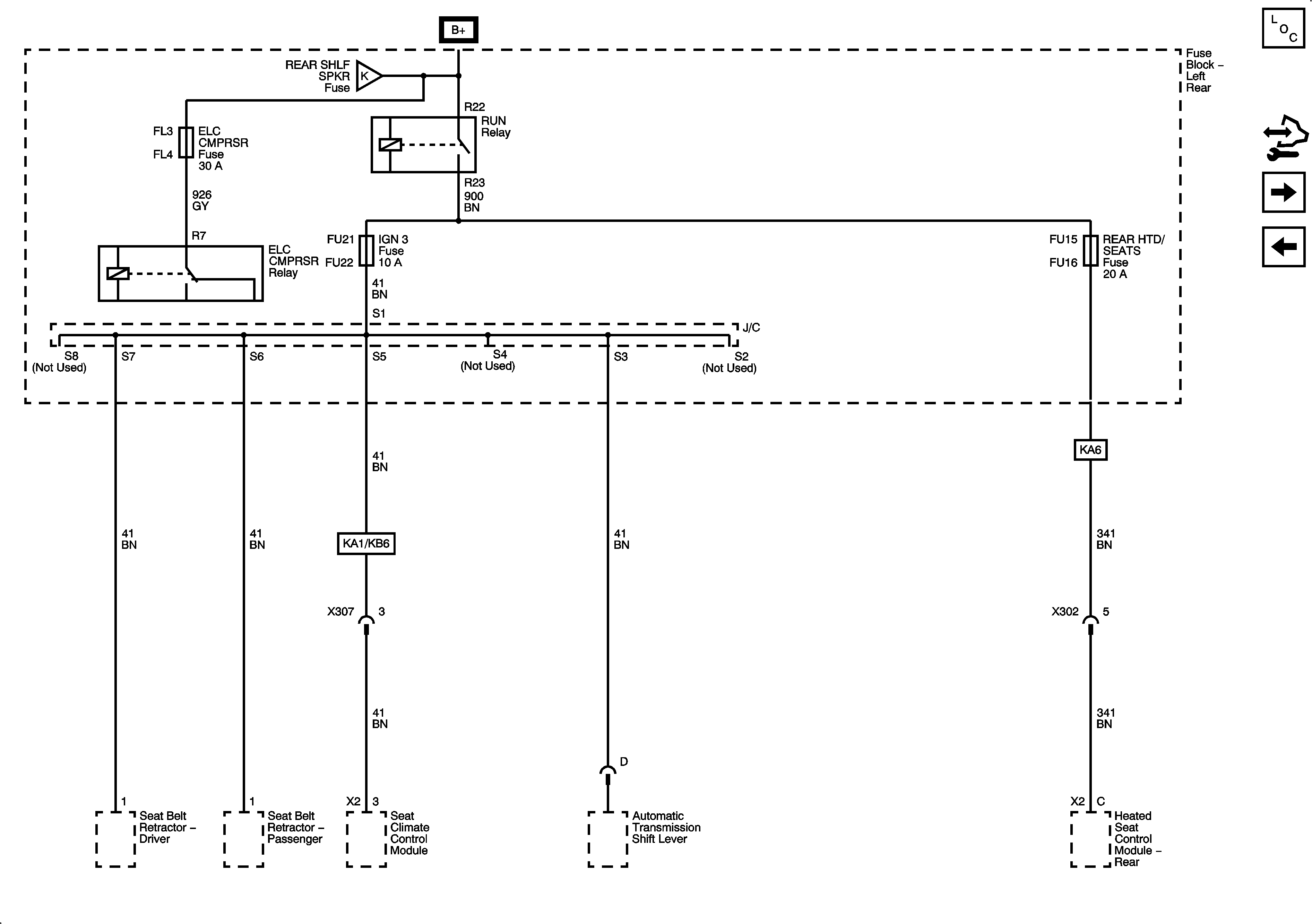
ELC CMPRSR, IGN 3, and REAR HTD/SEATS Fuses
BCK/UP LAMP, POS LAMPS, and TRUNK RELSE Fuses, PWR SEATS Circuit Breaker
Figure 15:

ELC CMPRSR, IGN 3, and REAR HTD/SEATS Fuses


Object Number: 1914917  Size: FS
Master Electrical Component List
Control Module References
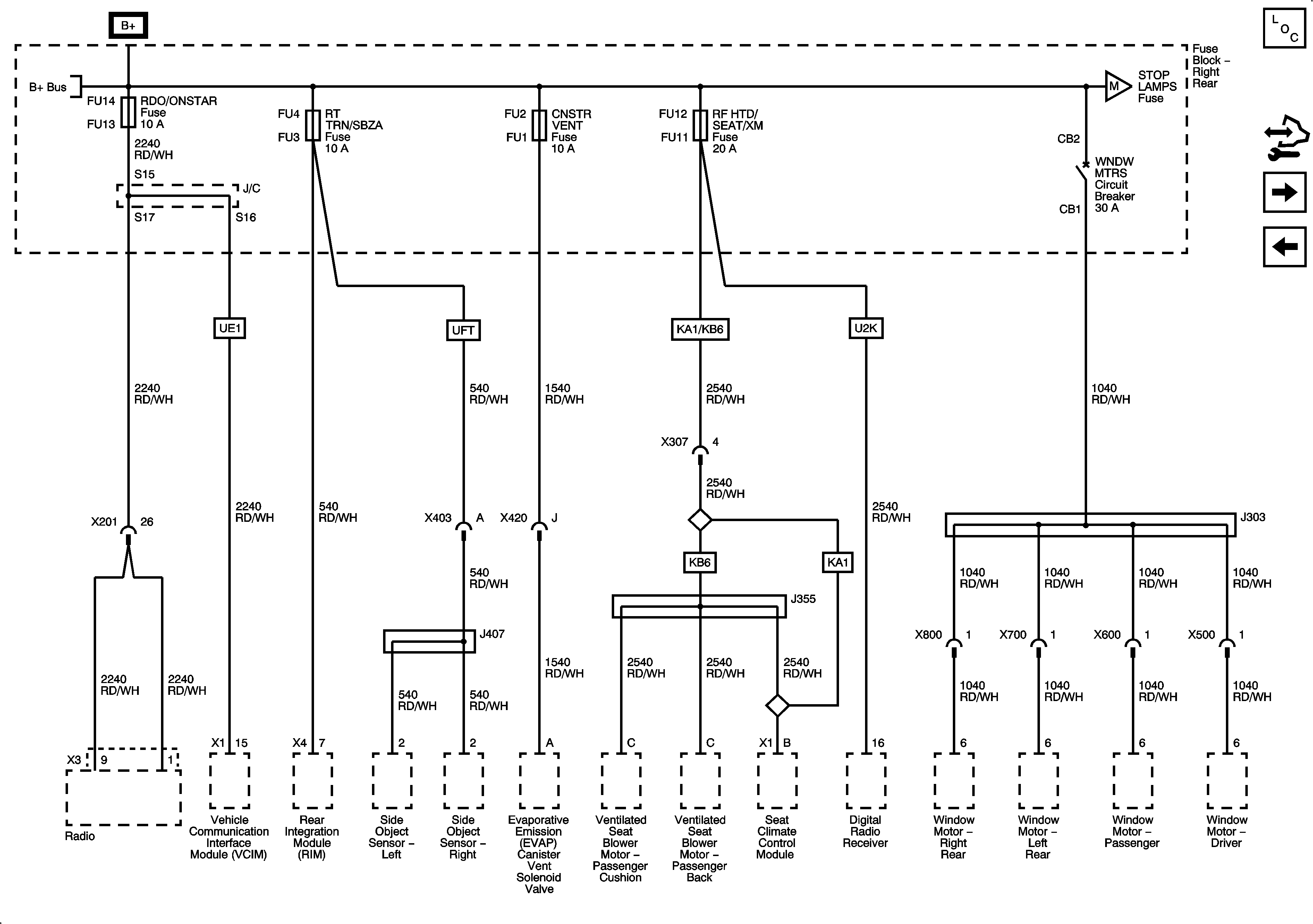
CNSTR VENT, RDO/ONSTAR, RF HTD SEAT/XM, RT TRN/SBZA Fuses, WNDW MTRS Circuit Breaker
AIRBAG/BATT, MSM, and REAR SHLF SPKR Fuses
Figure 16:

CNSTR VENT, RDO/ONSTAR, RF HTD/SEAT/XM, and RT TRN/SBZA Fuses, WNDW MTRS Circuit Breaker


Object Number: 1905119  Size: FS
Master Electrical Component List
Control Module References
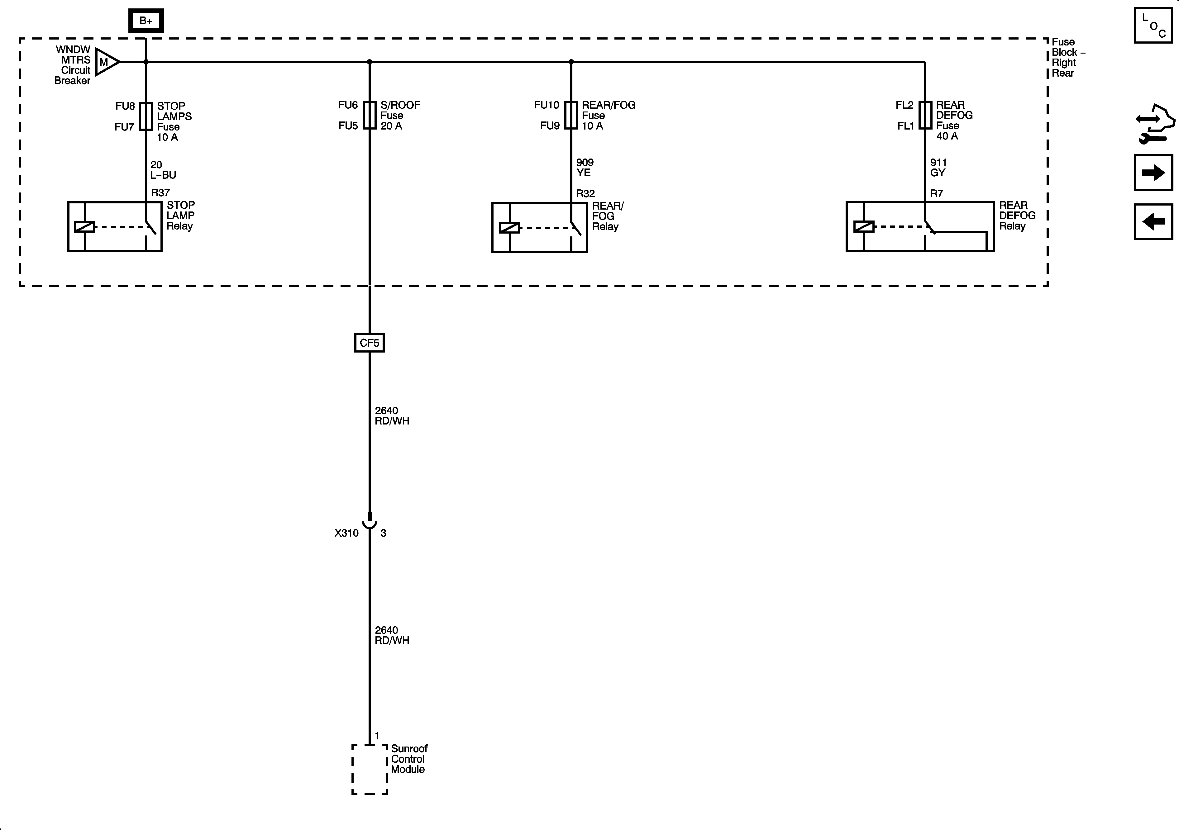
REAR DEFOG, REAR/FOG, S/ROOF, and STOP LAMP Fuses
ELC CMPRSR, IGN 3, and REAR HTD/SEATS Fuses
Figure 17:

REAR DEFOG, REAR/FOG, S/ROOF. And STOP LAMPS Fuses


Object Number: 1914924  Size: FS
Master Electrical Component List
Control Module References
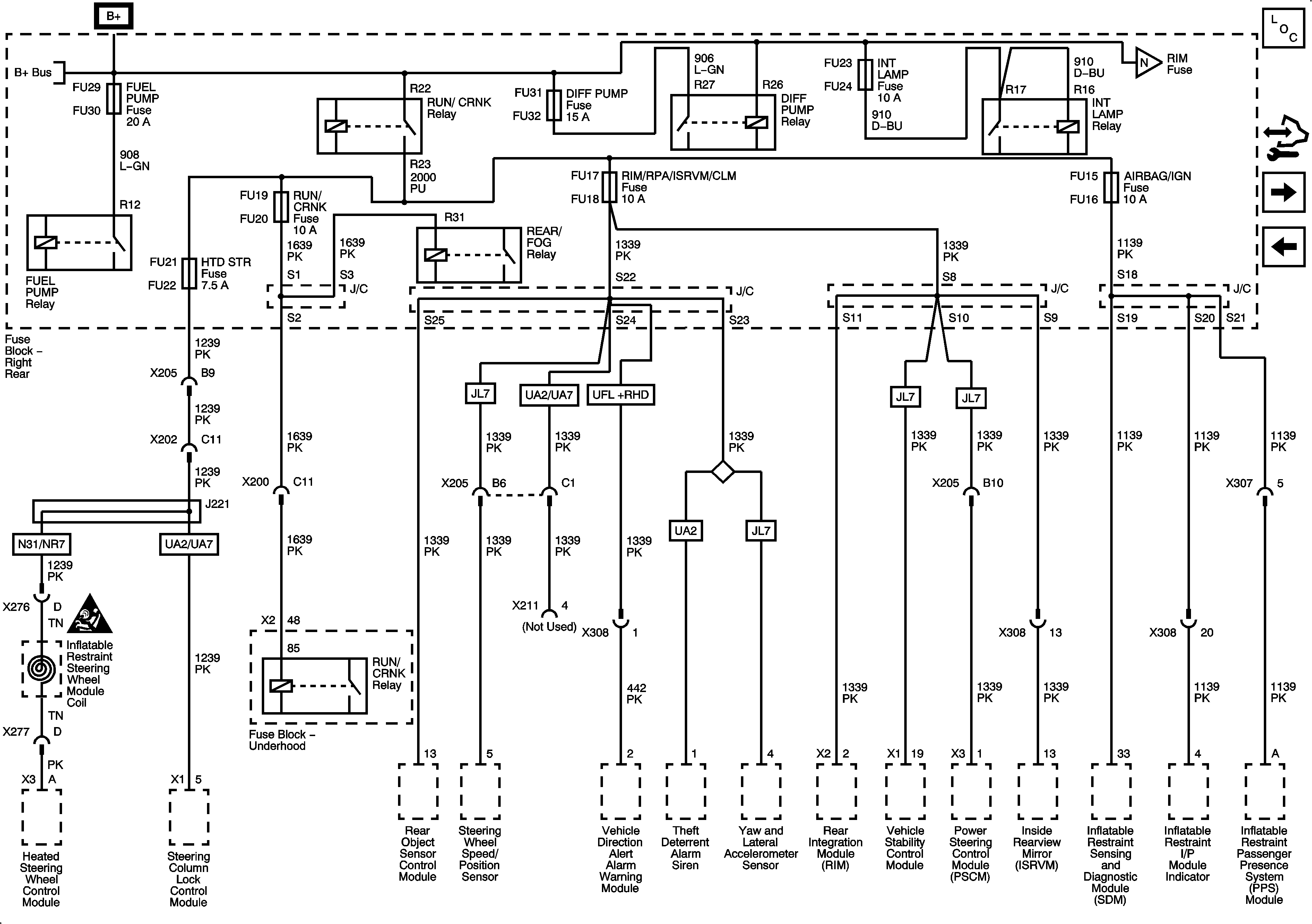
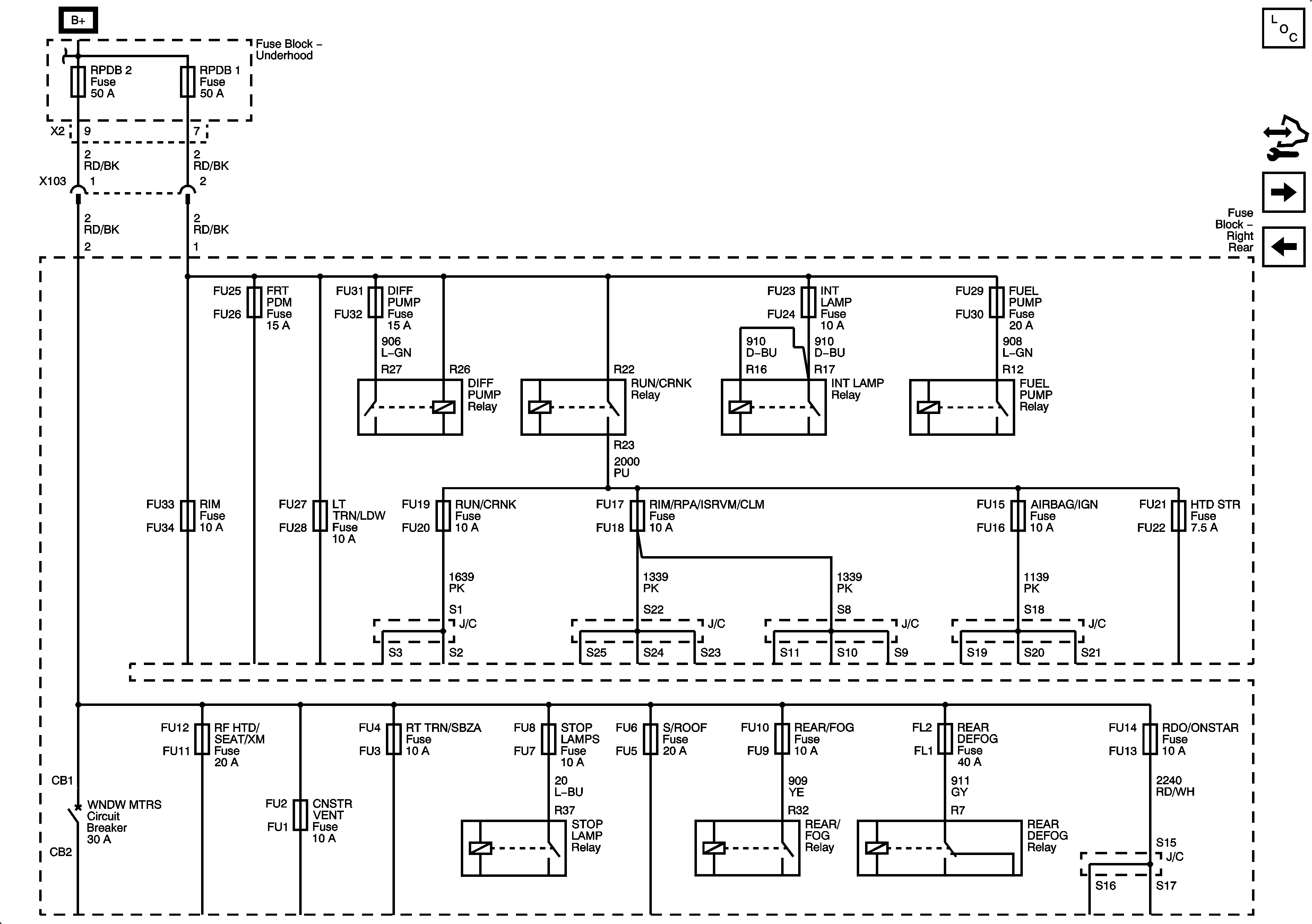
AIRBAG/IGN, DIFF PUMP, FUEL PUMP, HTD STR, INT LAMP, RIM/RPA/ISRVM/CLM, and RUN/CRNK Fuses
CNSTR VENT, RDO/ONSTAR, RF HTD SEAT/XM, RT TRN/SBZA Fuses, WNDW MTRS Circuit Breaker
Figure 18:

AIRBAG/IGN, DIFF PUMP, FUEL PUMP, HTD STR, INT LAMP, RIM/RPA/ISRVM/CLM, and RUN/CRNK Fuses


Object Number: 1905176  Size: FS
Master Electrical Component List
Control Module References
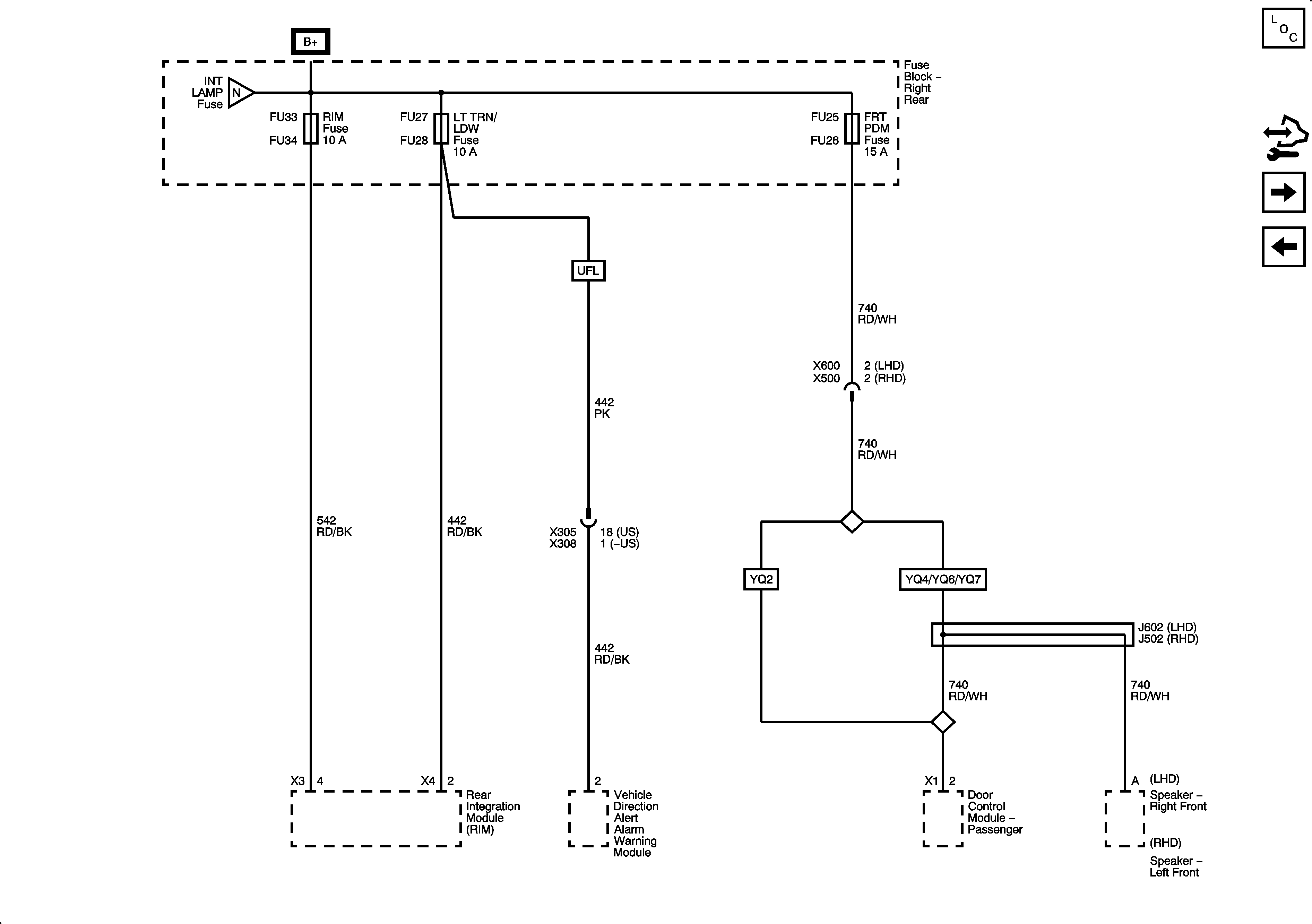
FRT PDM, LT TRN/LDW, and RIM Fuses
REAR DEFOG, REAR/FOG, S/ROOF, and STOP LAMP Fuses
Figure 19:

FRT PDM, LT TRN/LDW, and RIM Fuses


Object Number: 1914927  Size: FS
Master Electrical Component List
Control Module References
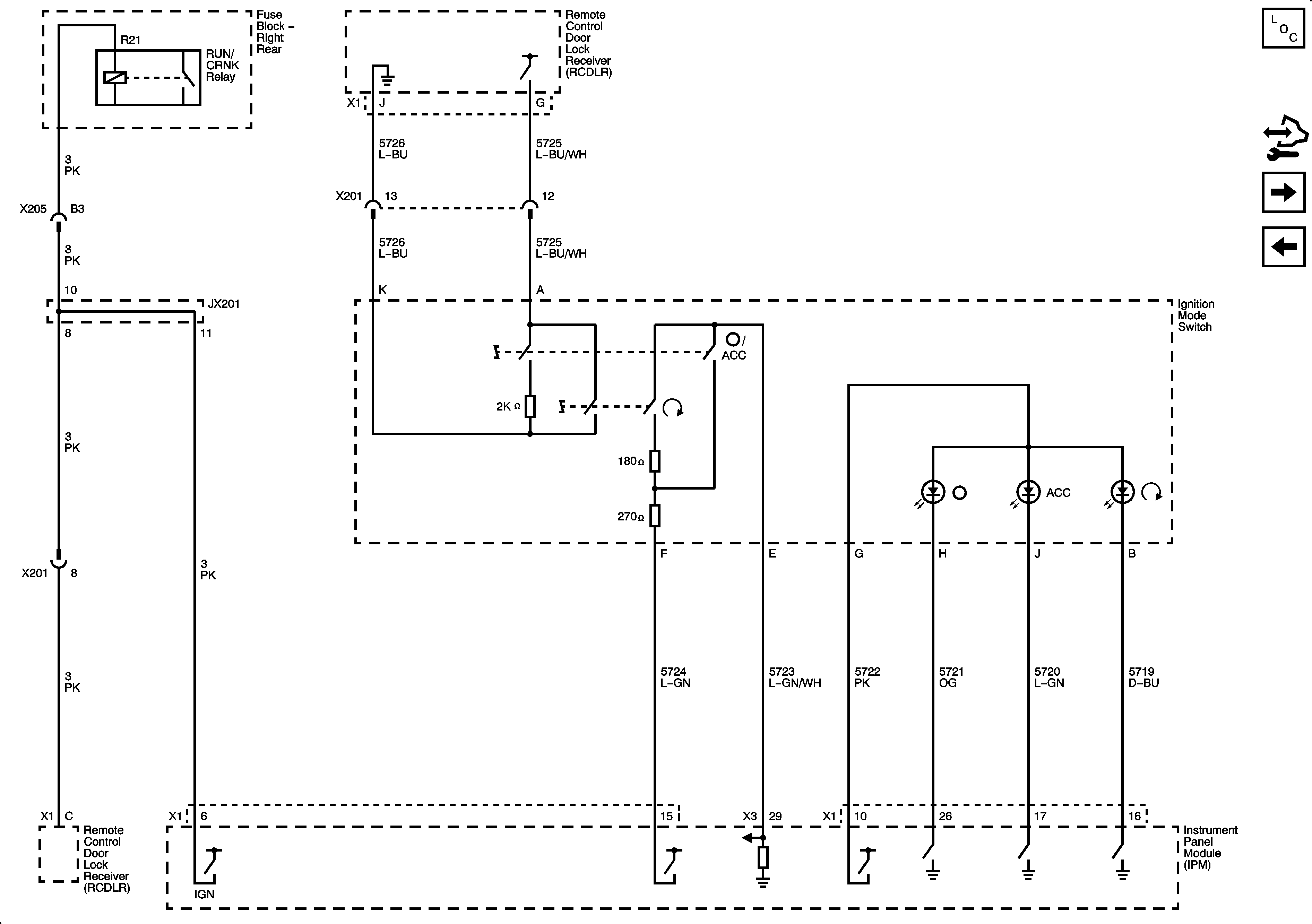
Ignition Mode Switch
AIRBAG/IGN, DIFF PUMP, FUEL PUMP, HTD STR, INT LAMP, RIM/RPA/ISRVM/CLM, and RUN/CRNK Fuses
Figure 20:

Ignition Mode Switch


Object Number: 1905187  Size: FS
Master Electrical Component List
Control Module References
Power Modes
FRT PDM, LT TRN/LDW, and RIM Fuses