GM Service Manual Online
For 1990-2009 cars only

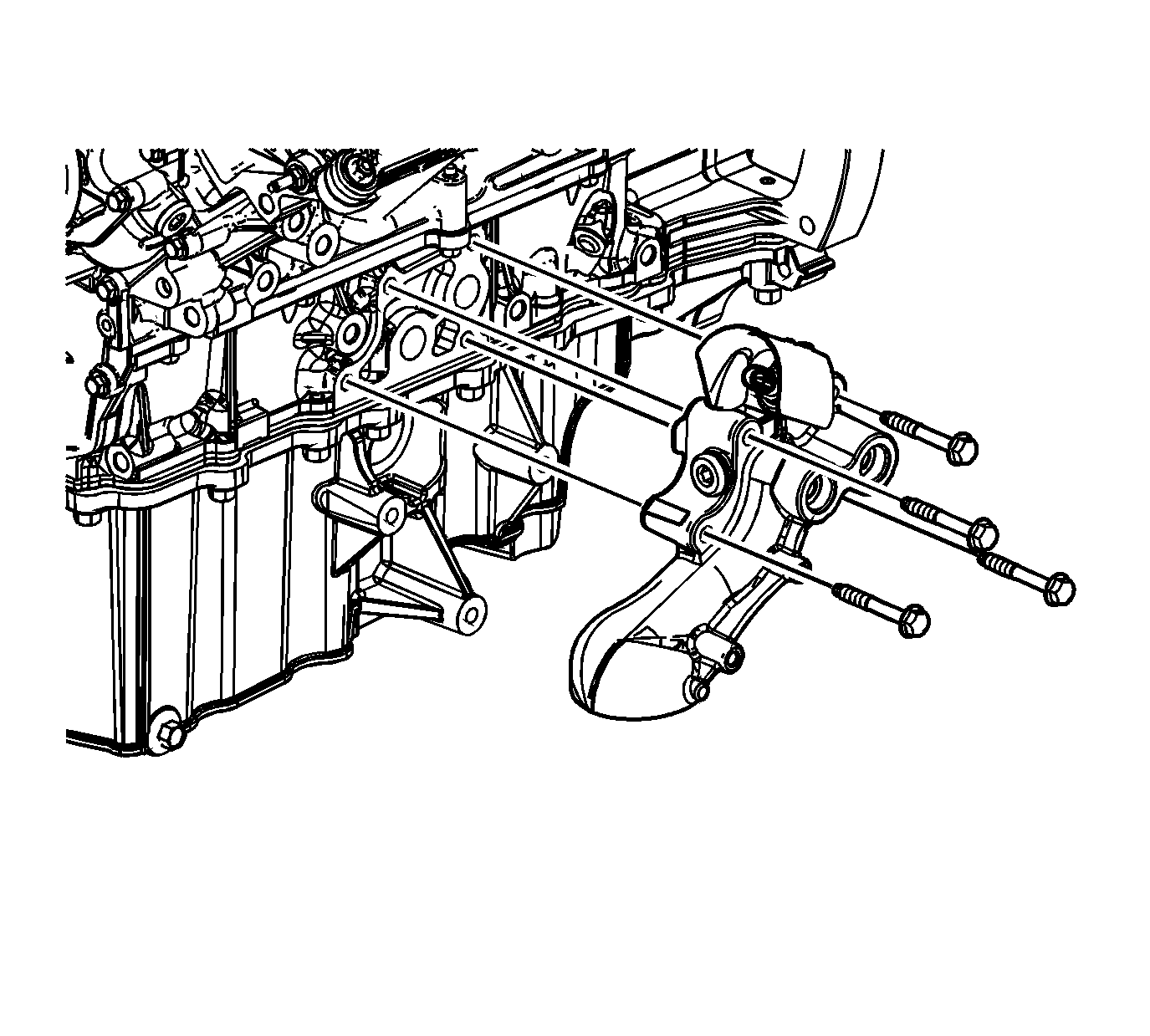
    Object Number: 1761723  Size: SH
  1. Install a NEW gasket to the oil filter adapter.

  2. Object Number: 1656811  Size: SH
  3. Position the oil filter adapter on the crankcase.
  4. Notice: Refer to Fastener Notice in the Preface section.

  5. Install the oil filter adapter bolts.
  6. Tighten
    Tighten the oil filter adapter bolts to 25 N·m (18 lb ft).


    Object Number: 1656810  Size: SH

    Notice: This engine uses a special high performance oil filter. Use of any other filter may lead to filter failure and/or severe engine damage.

  7. Fill the oil filter with oil.
  8. Install the oil filter.
  9. Tighten
    Tighten the oil filter to 32 N·m (24 lb ft).