GM Service Manual Online
For 1990-2009 cars only

    Object Number: 1686850  Size: SH
  1. Place the generator bracket in position to the engine block.

  2. Object Number: 1686849  Size: SH
  3. Loosely install the generator bracket bolts.
  4. Notice: Refer to Fastener Notice in the Preface section.


    Object Number: 1686852  Size: SH
  5. Tighten the generator bracket bolts in proper sequence.
  6. Tighten

        • Tighten the generator front bolt (1) to 50 N·m (37 lb ft).
        • Tighten the generator upper rear bolt (2) to 50 N·m (37 lb ft).
        • Tighten the generator lower rear bolt (3) to 50 N·m (37 lb ft).

    Object Number: 1686848  Size: SH
  7. Place the generator in position to the generator bracket.

  8. Object Number: 1686847  Size: SH
  9. Loosely install the generator bolts.

  10. Object Number: 1686851  Size: SH
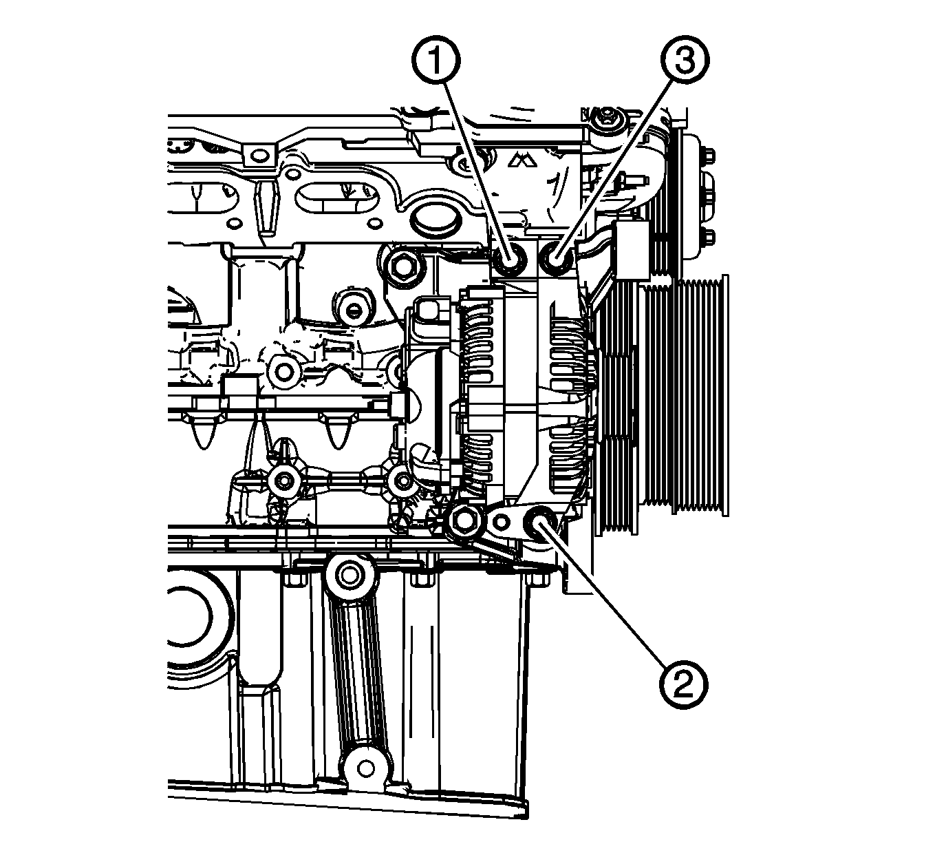
  11. Tighten the generator bolts in proper sequence.
  12. Tighten

        • Tighten the generator upper rear bolt (1) to 50 N·m (37 lb ft).
        • Tighten the generator lower bolt (2) to 50 N·m (37 lb ft).
        • Tighten the generator upper front bolt (3) to 50 N·m (37 lb ft).