GM Service Manual Online
For 1990-2009 cars only
Makes
🢒
Cadillac
🢒
2008
🢒
STS
🢒
Diagnostic Navigation
🢒
Vehicle Diagnostic Information
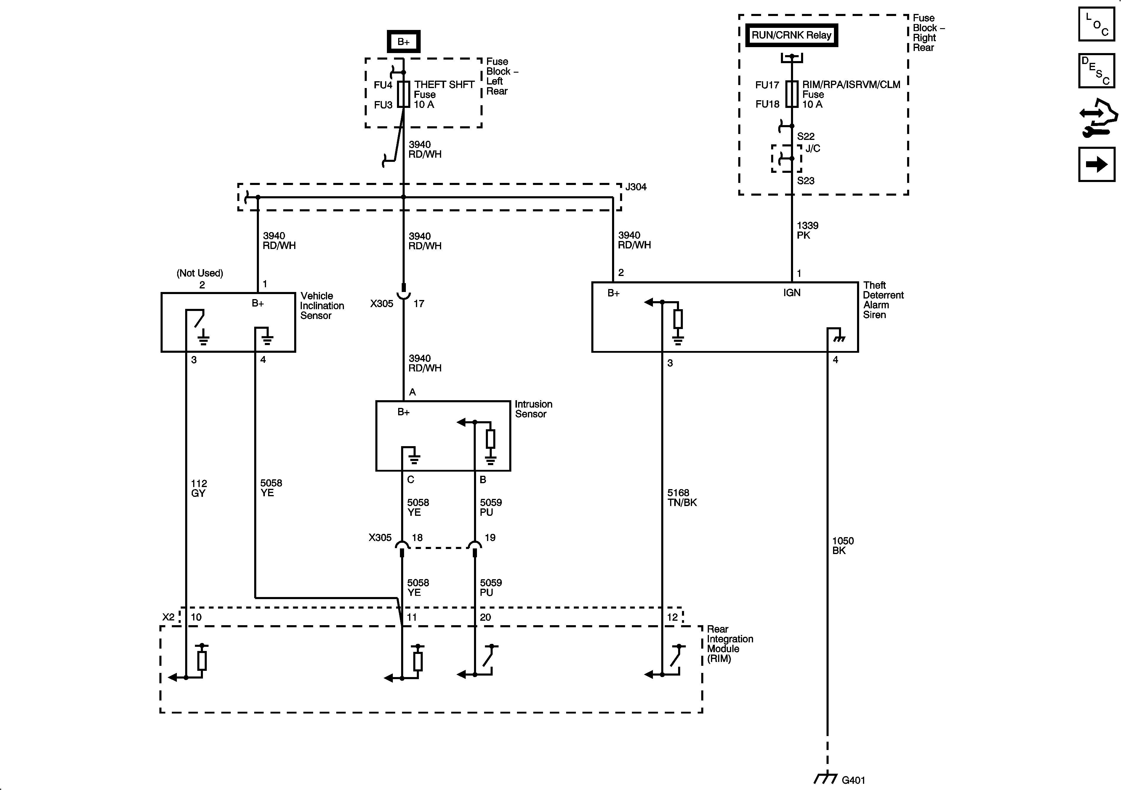
🢒 Theft Deterrent System Schematics
Figure
1:
Content Theft Deterrent (CTD) System
Master Electrical Component List
Content Theft Deterrent (CTD) Description and Operation
Control Module References
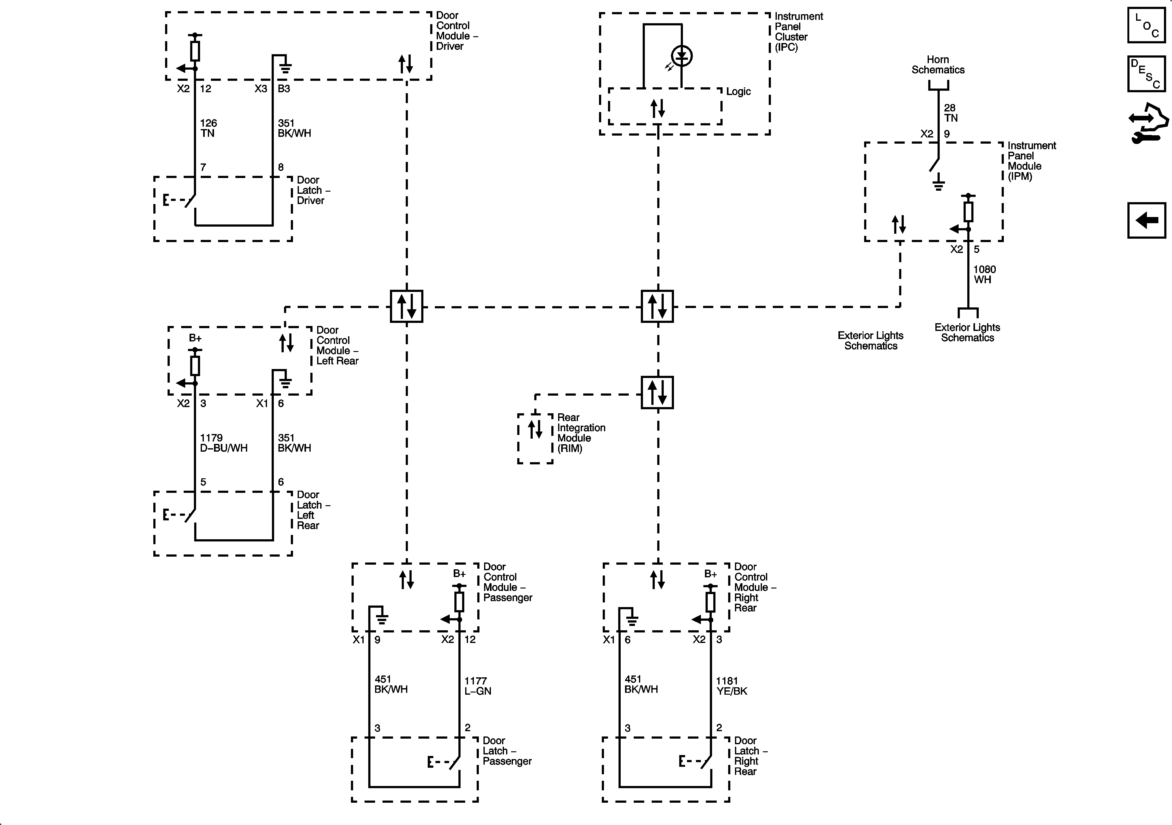
Door Modules and Horn
Figure
2:
Door Modules and Horn
Master Electrical Component List
Content Theft Deterrent (CTD) Description and Operation
Control Module References
Content Theft Deterrent (CTD) System