GM Service Manual Online
For 1990-2009 cars only
Figure 1:

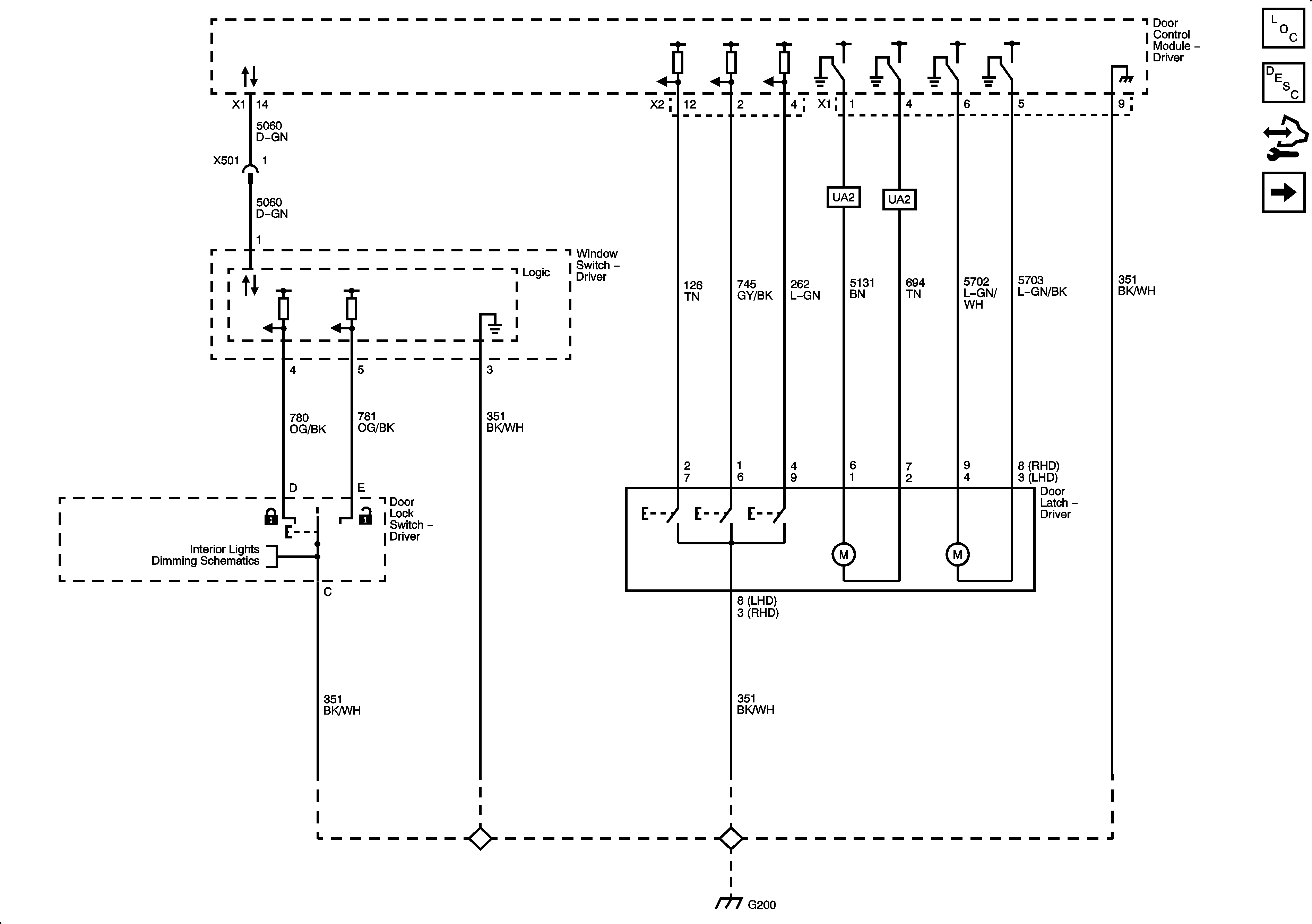
Driver Door Lock


Object Number: 1902360  Size: FS
Master Electrical Component List
Power Door Locks Description and Operation
Control Module References
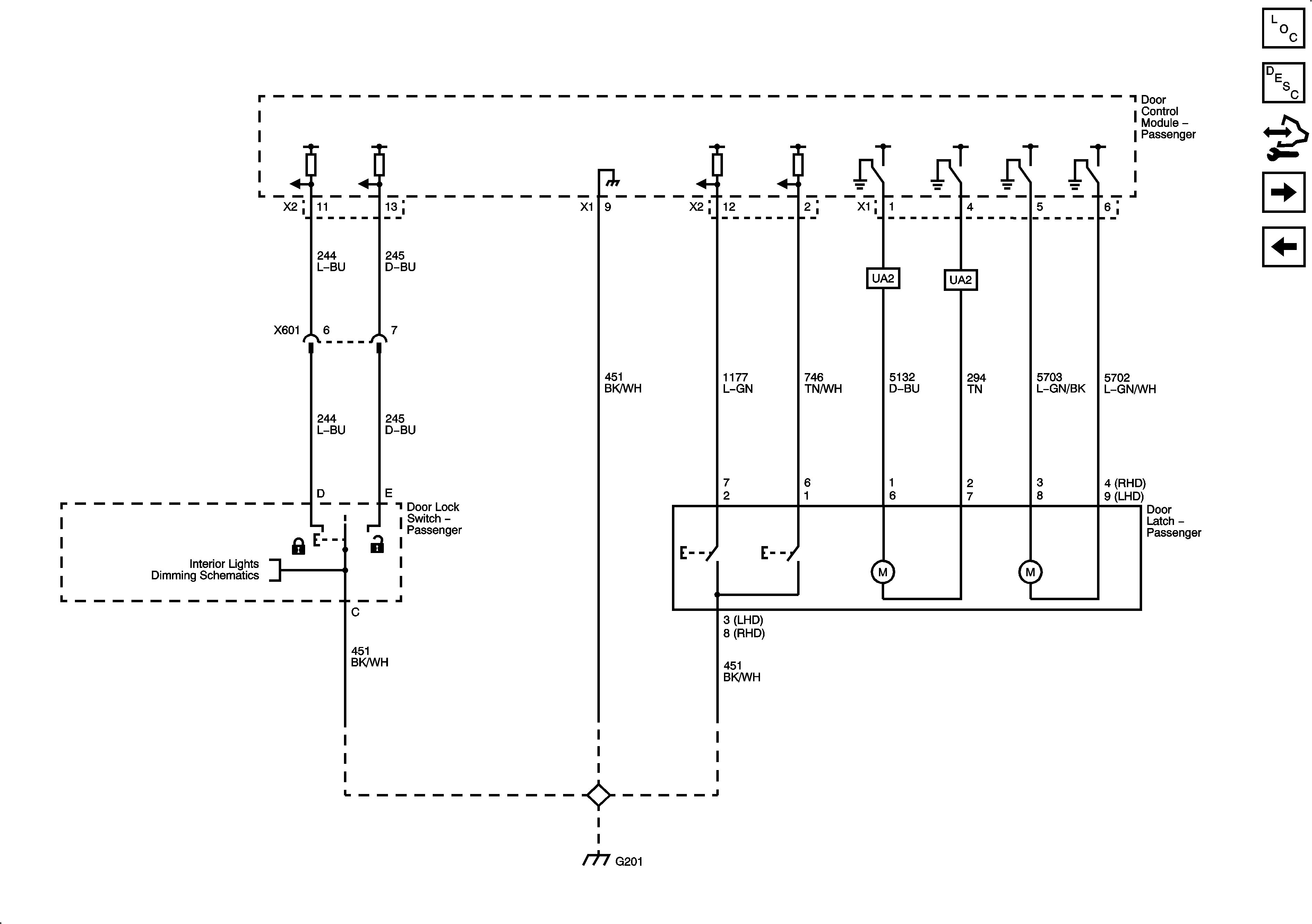
Front Passenger Door Lock
Figure 2:

Front Passenger Door Lock


Object Number: 1902363  Size: FS
Master Electrical Component List
Power Door Locks Description and Operation
Control Module References
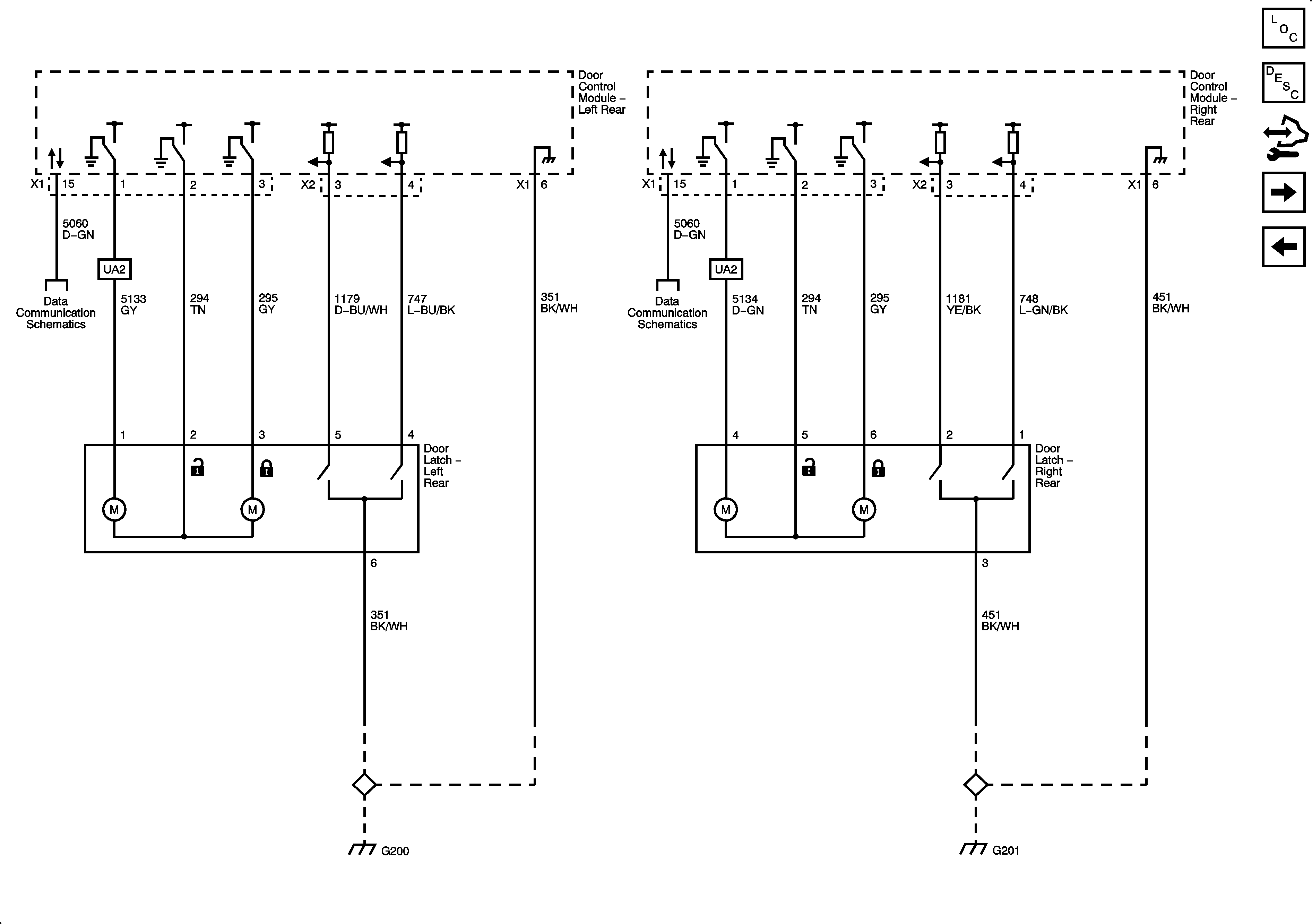
Left Rear and Right Rear Door Lock
Driver Door Lock
Figure 3:

Left Rear and Right Rear Door Lock


Object Number: 1902366  Size: FS
Master Electrical Component List
Power Door Locks Description and Operation
Control Module References
Left Front Door Handle Assembly, Door Status Indicator - Driver
Front Passenger Door Lock
Figure 4:

Left Front Door Handle Assembly, Door Status Indicator - Driver


Object Number: 1902369  Size: FS
Master Electrical Component List
Power Door Locks Description and Operation
Control Module References
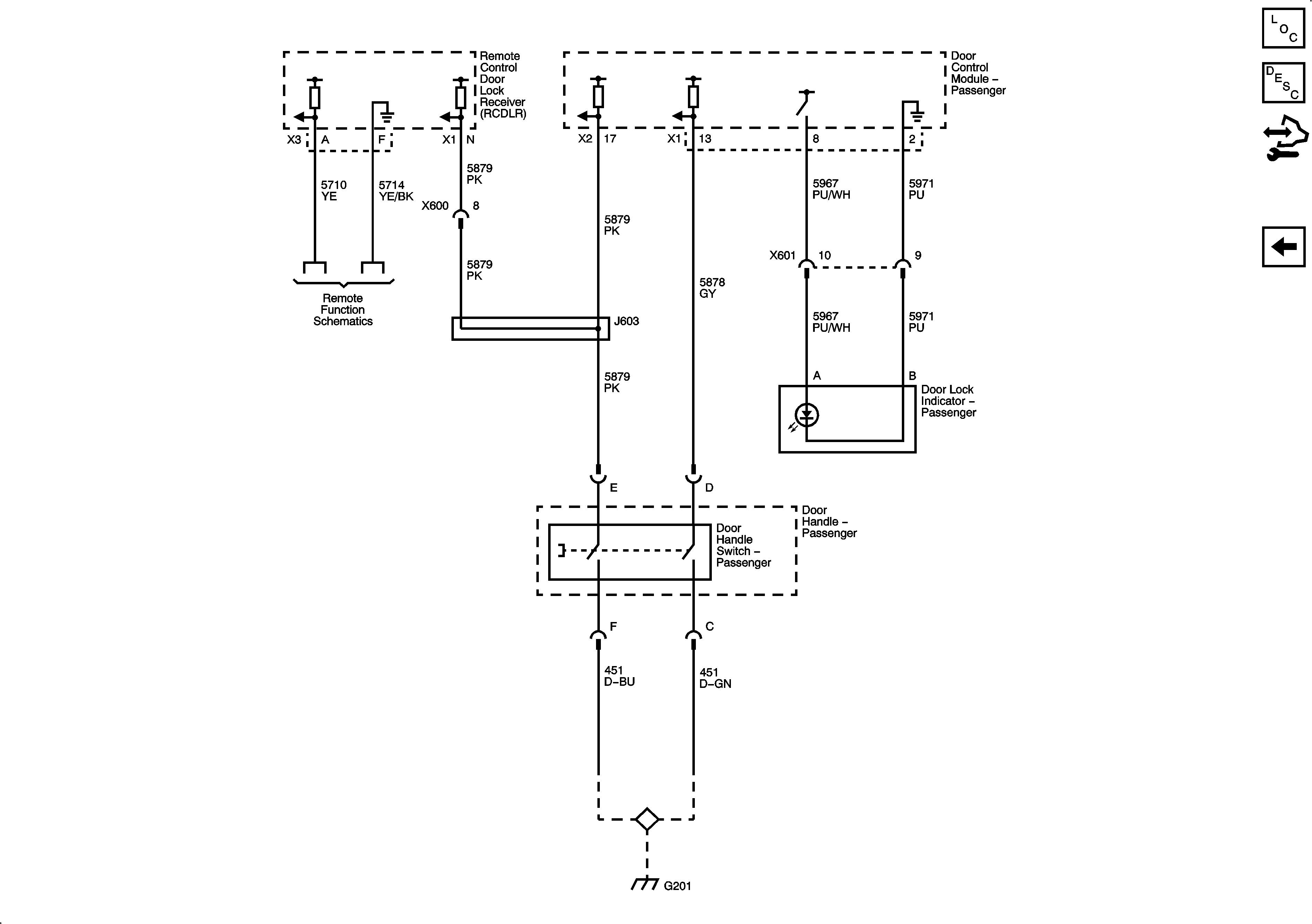
Right Front Door Handle Assembly, Door Status Indicator - Passenger
Left Rear and Right Rear Door Lock
Figure 5:

Right Front Door Handle Assembly, Door Status Indicator - Passenger


Object Number: 1902372  Size: FS
Master Electrical Component List
Power Door Locks Description and Operation
Control Module References
Left Front Door Handle Assembly, Door Status Indicator - Driver