GM Service Manual Online
For 1990-2009 cars only
Makes
🢒
Cadillac
🢒
2008
🢒
STS
🢒
Diagnostic Navigation
🢒
Vehicle Diagnostic Information
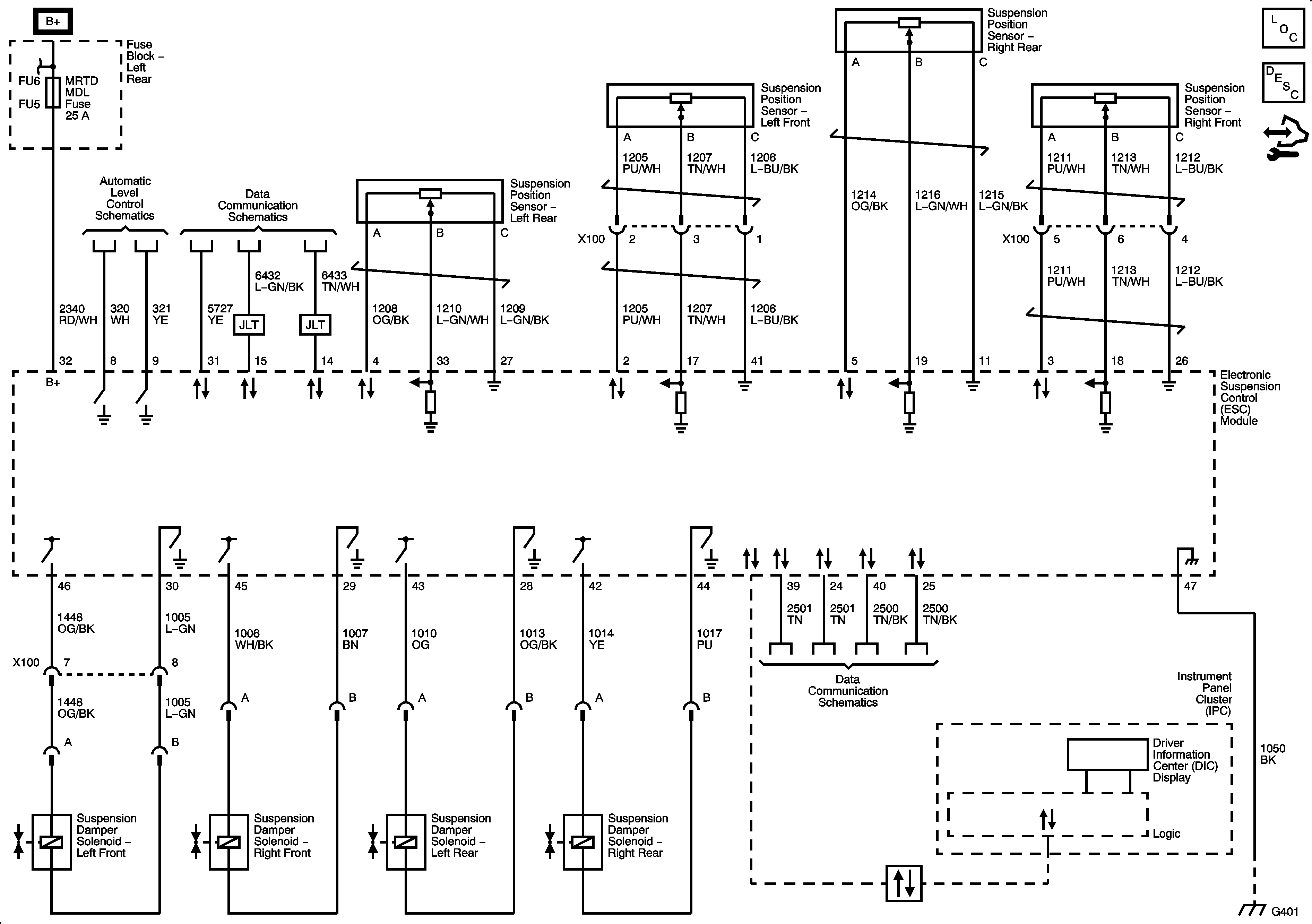
🢒 Electronic Suspension Control Schematics
Master Electrical Component List
Electronic Suspension Control Description and Operation
Control Module References