GM Service Manual Online
For 1990-2009 cars only
Makes
🢒
Cadillac
🢒
2008
🢒
STS
🢒
Diagnostic Navigation
🢒
Vehicle Diagnostic Information
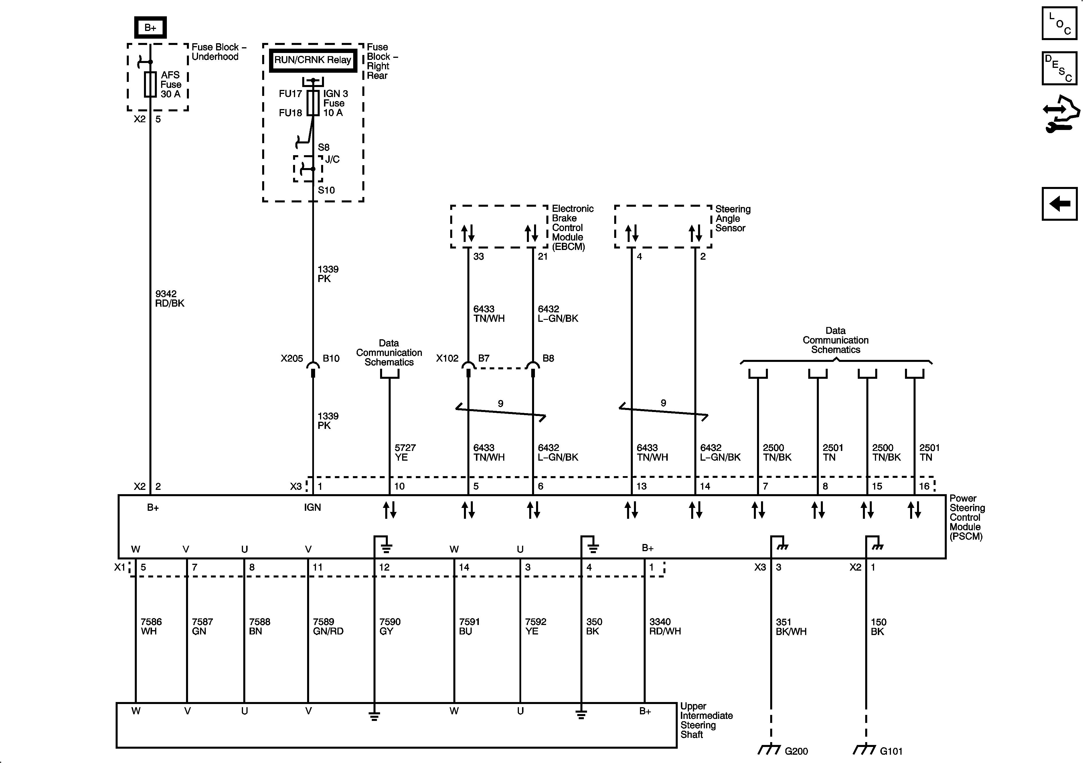
🢒 Power Steering Schematics
Figure
1:
Variable Effort
Master Electrical Component List
Variable Effort Steering System Description and Operation
Control Module References
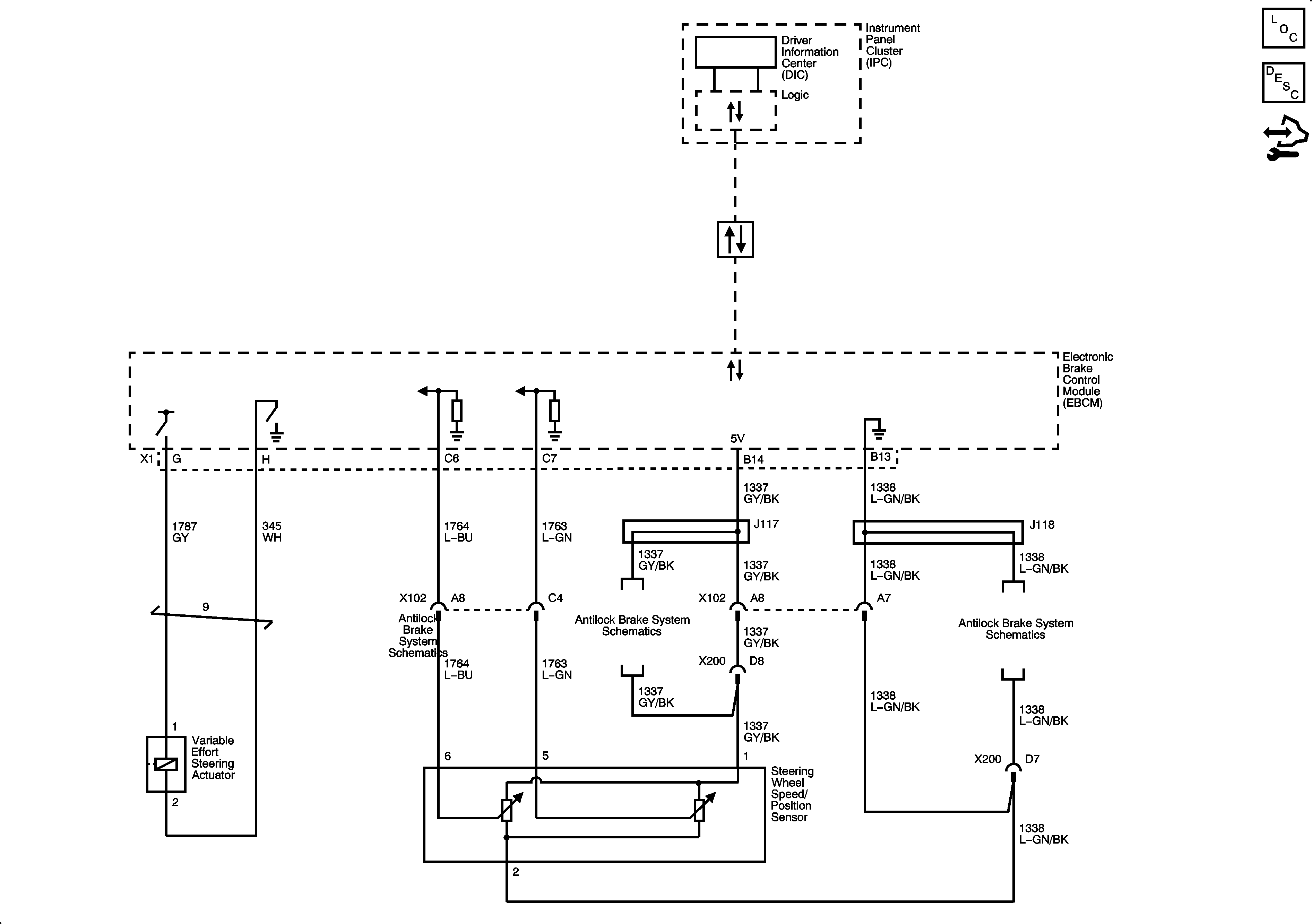
Active Front Steering Module and Actuator -JL7
Figure
2:
Active Front Steering Module and Actuator - JL7
Master Electrical Component List
Active Front Steering Description and Operation
Control Module References
Variable Effort