GM Service Manual Online
For 1990-2009 cars only
Figure 1:

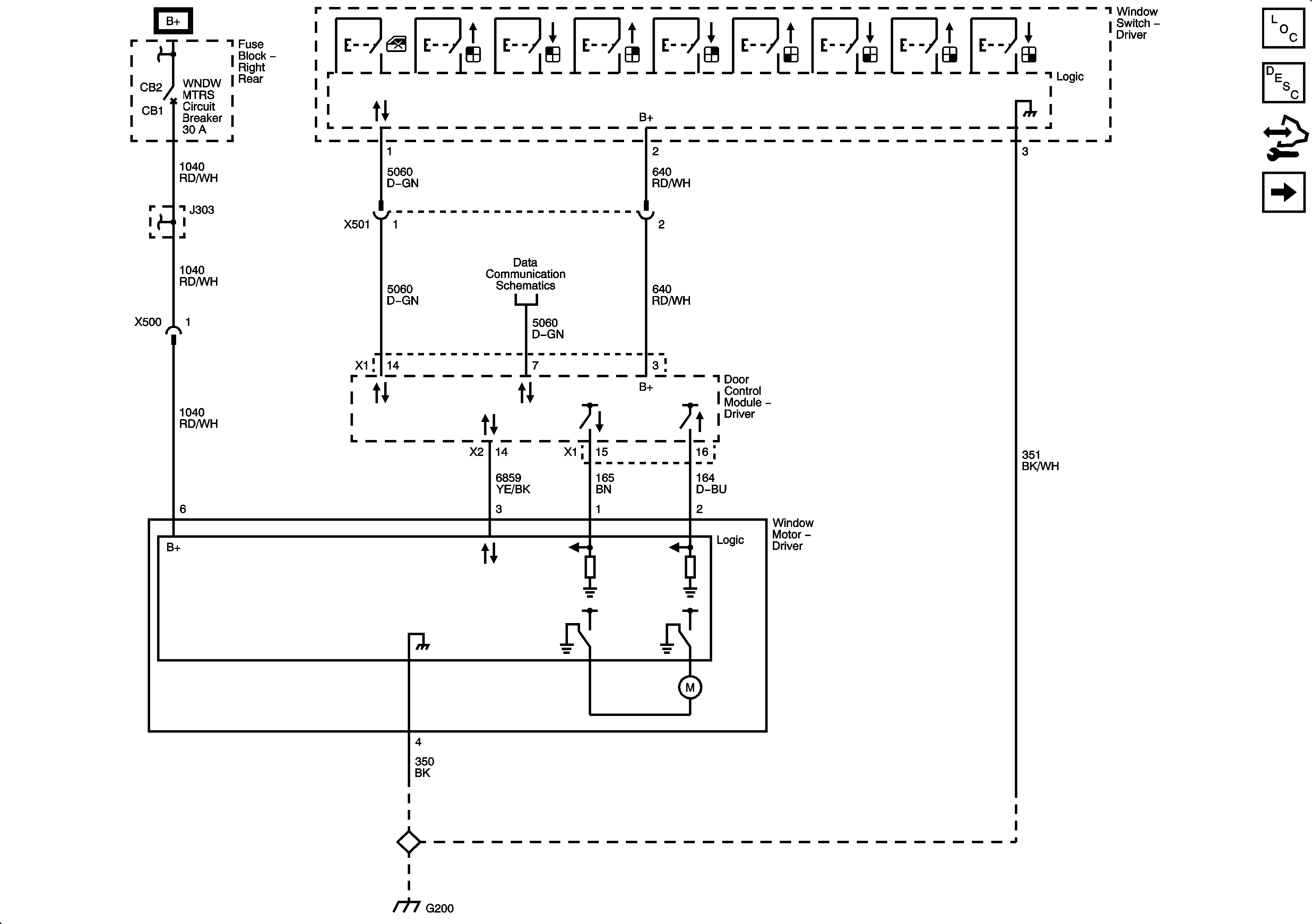
Driver Window Switches, Motor


Object Number: 1902412  Size: FS
Master Electrical Component List
Power Windows Description and Operation
Control Module References
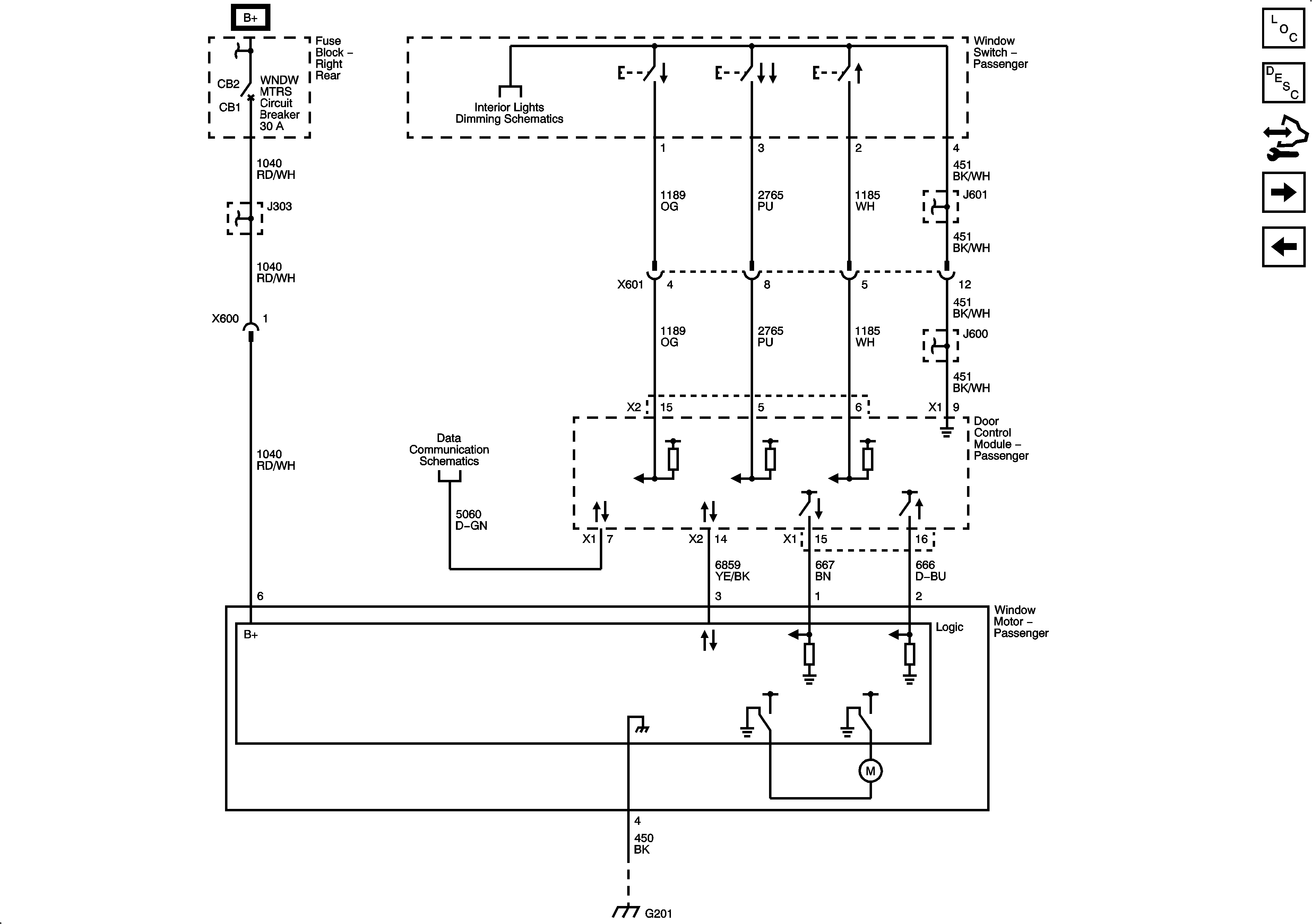
Front Passenger Window Switch, Motor
Figure 2:

Front Passenger Window Switch, Motor


Object Number: 1902417  Size: FS
Master Electrical Component List
Power Windows Description and Operation
Control Module References
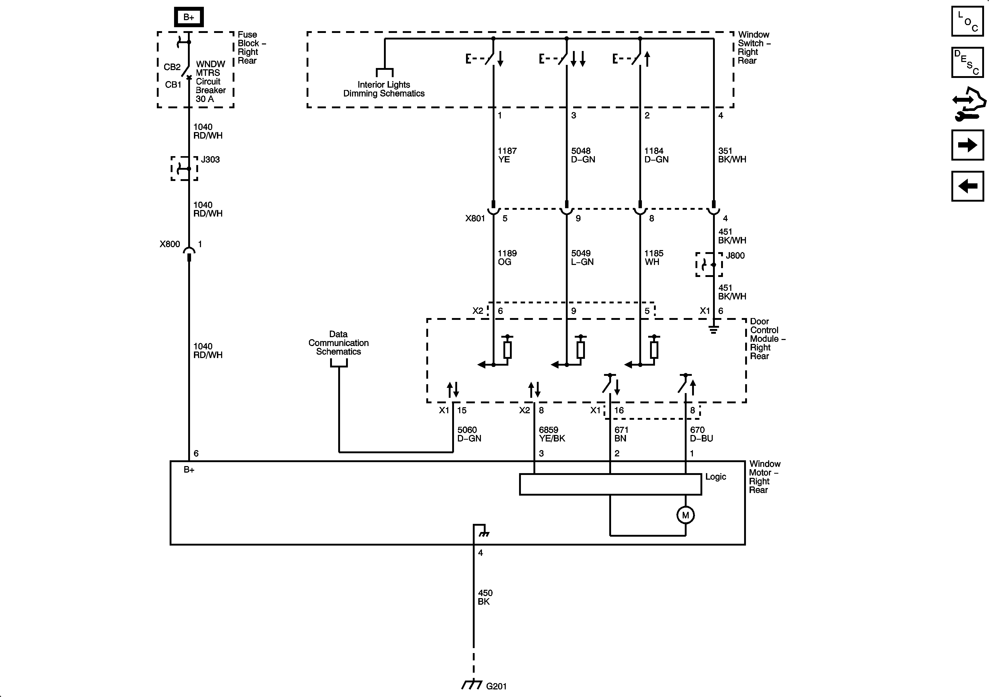
Right Rear Window Switch, Motor
Driver Window Switches, Motor
Figure 3:

Right Rear Window Switch, Motor


Object Number: 1902419  Size: FS
Master Electrical Component List
Power Windows Description and Operation
Control Module References
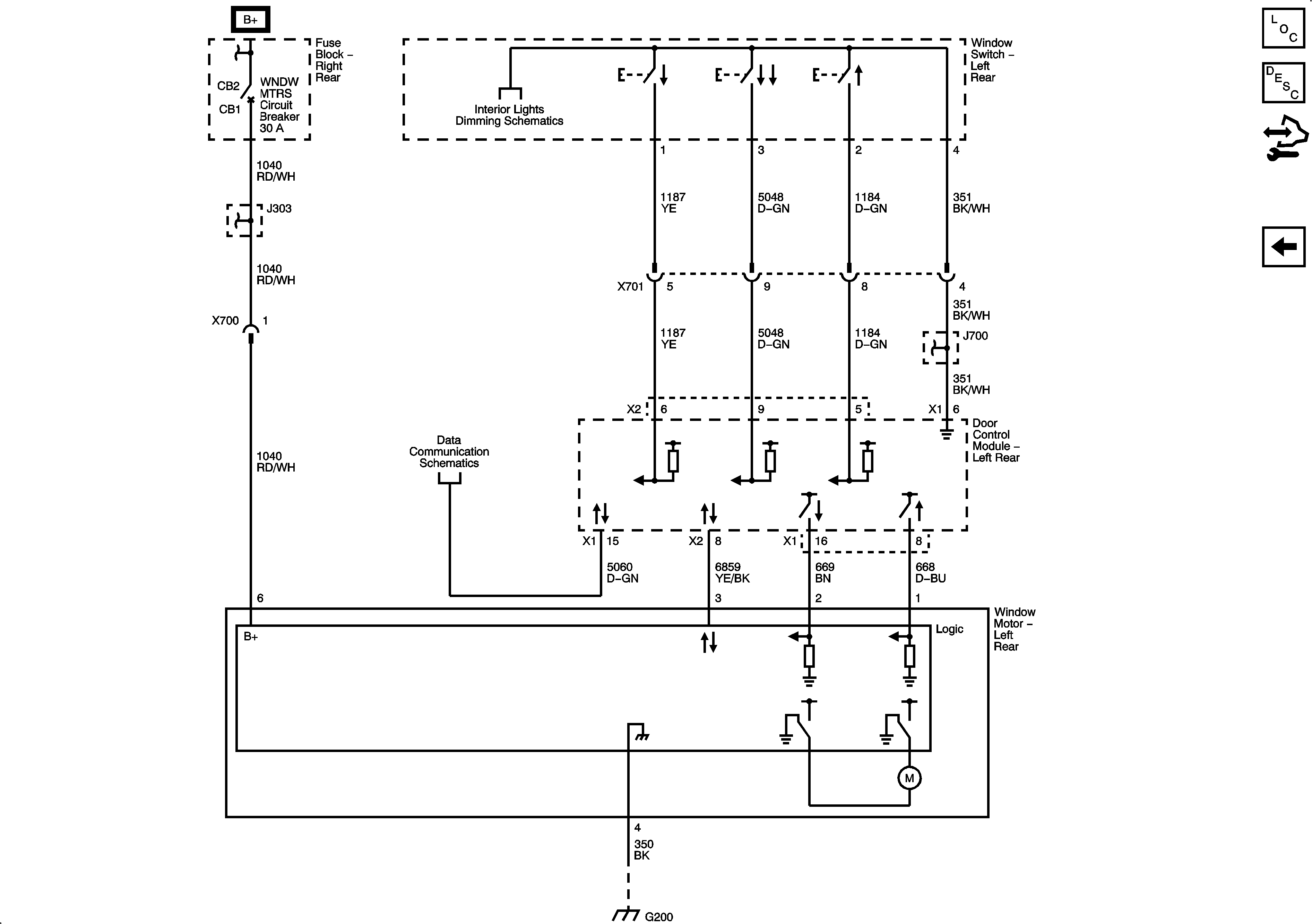
Left Rear Window Switch, Motor
Front Passenger Window Switch, Motor
Figure 4:

Left Rear Window Switch, Motor


Object Number: 1902421  Size: FS
Master Electrical Component List
Power Windows Description and Operation
Control Module References
Right Rear Window Switch, Motor