GM Service Manual Online
For 1990-2009 cars only
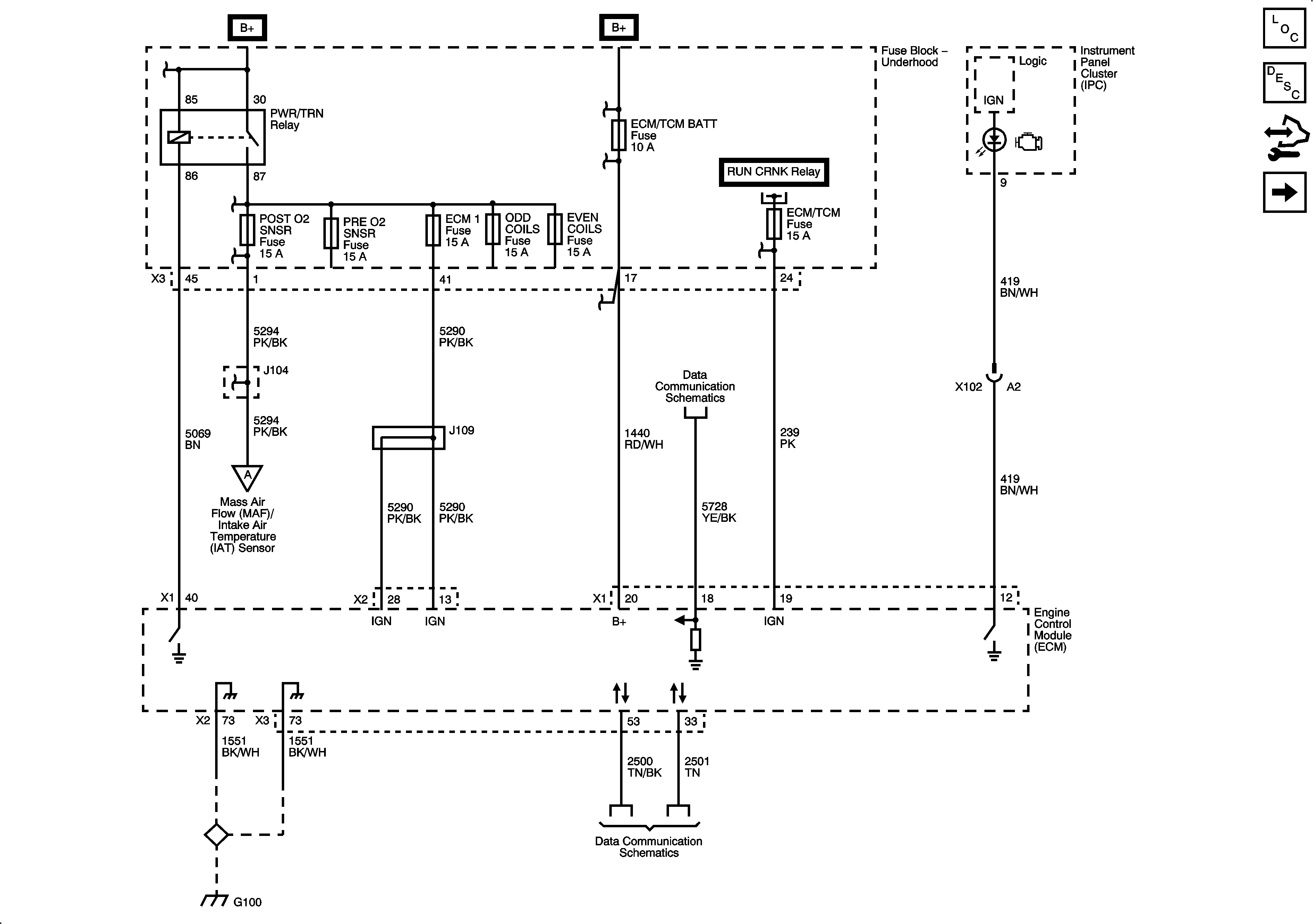
Figure 1:

ECM Power, Ground, Serial Data, and MIL


Object Number: 2063607  Size: FS
Master Electrical Component List
Engine Control Module Description
Control Module References
Engine Data Sensors - 5-Volt and Low References 1 of 2
Figure 2:

Engine Data Sensors - 5-Volt and Low Reference 1 of 2


Object Number: 2063611  Size: FS
Master Electrical Component List
Engine Control Module Description
Control Module References
Engine Data Sensors - 5-Volt and Low Reference 2 of 2
ECM Power, Ground, Serial Data, and MIL
Figure 3:

Engine Data Sensors - 5-Volt and Low Reference 2 of 2


Object Number: 2063613  Size: FS
Master Electrical Component List
Engine Control Module Description
Control Module References
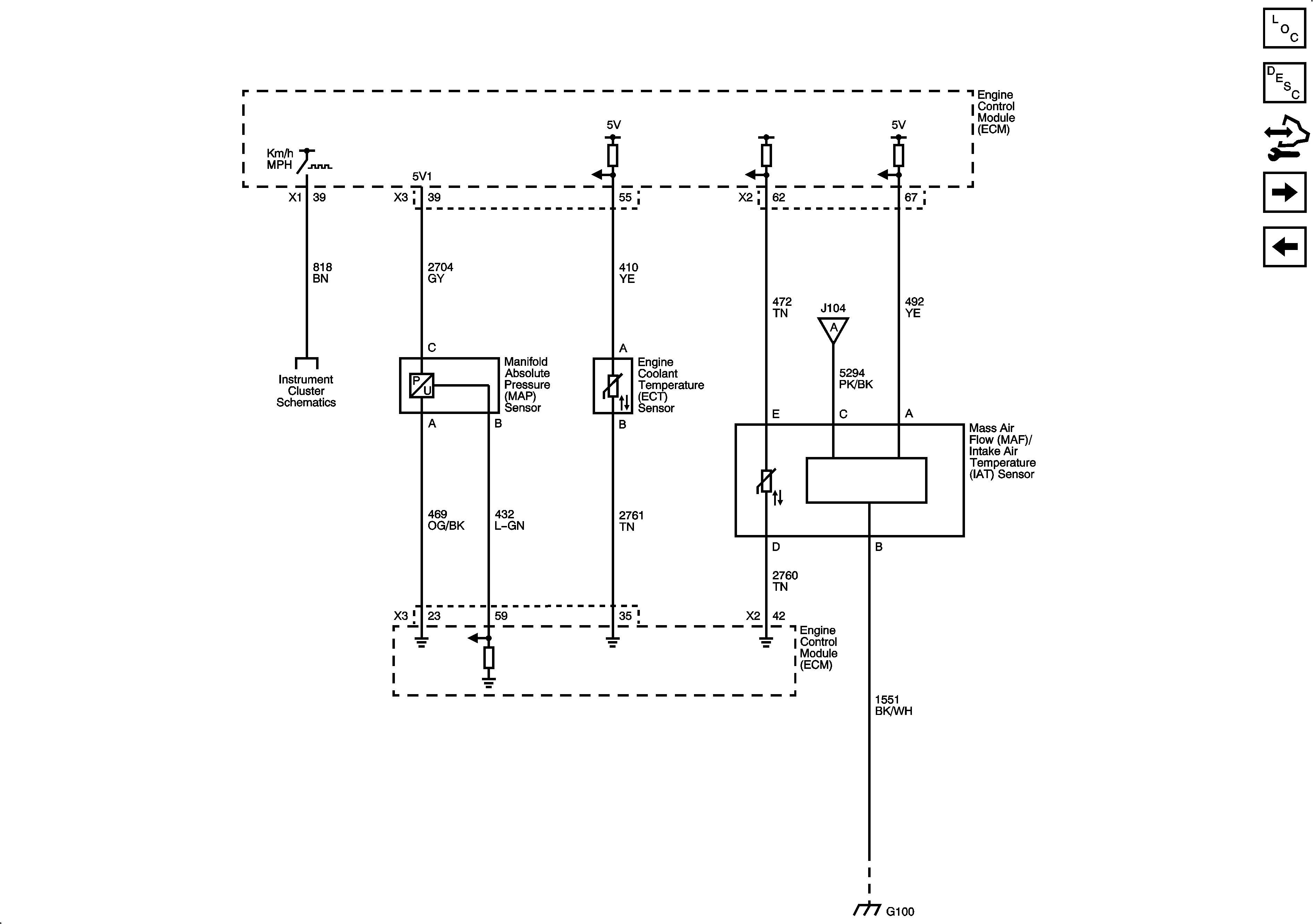
Engine Data Sensors - Pressure, Temperature, MAF, VSS
Engine Data Sensors - 5-Volt and Low References 1 of 2
Figure 4:

Engine Data Sensors - Pressure, Temperature, MAF, VSS


Object Number: 2063616  Size: FS
Master Electrical Component List
Engine Control Module Description
Control Module References
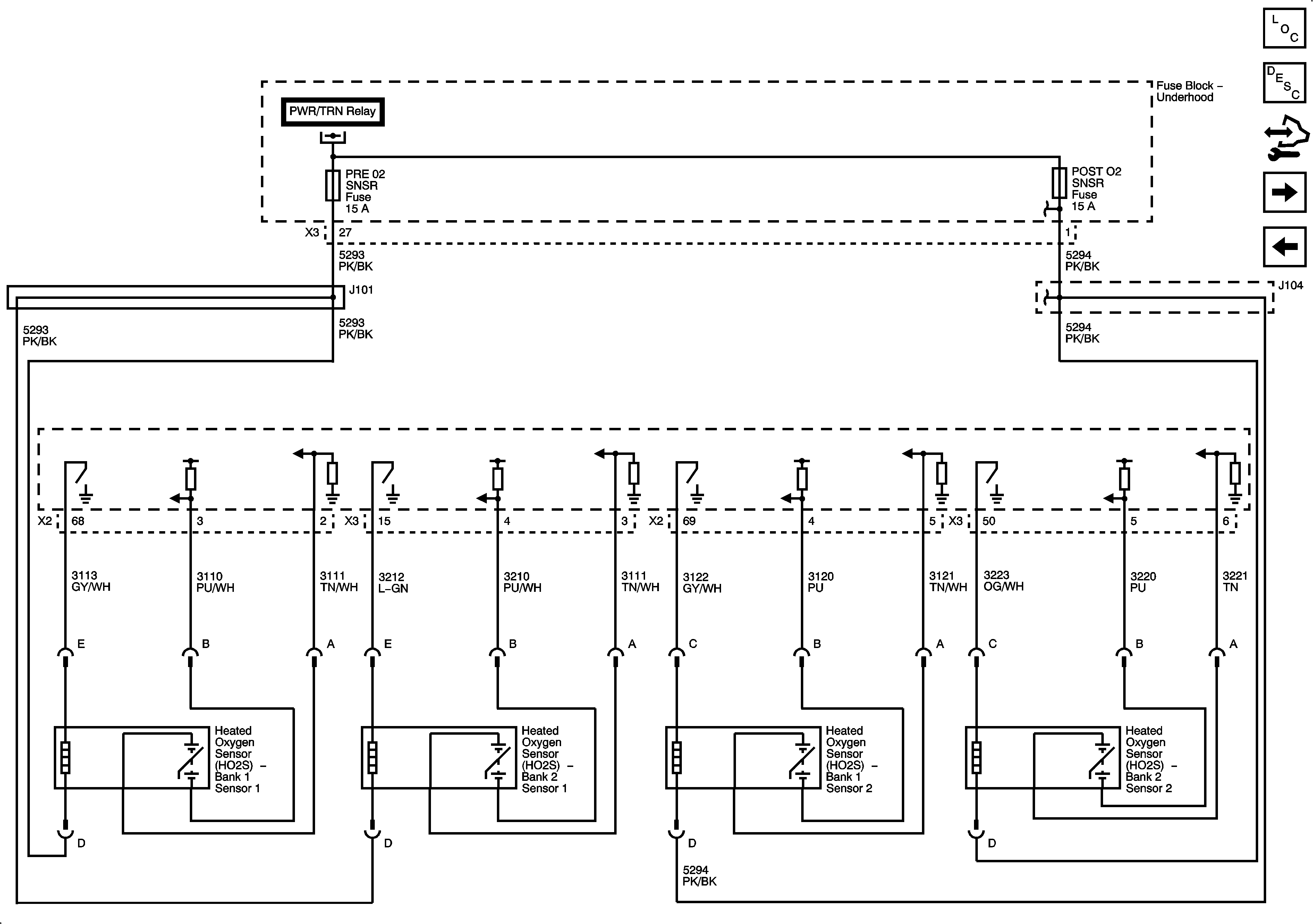
Engine Data Sensors - Oxygen Sensors
Engine Data Sensors - 5-Volt and Low Reference 2 of 2
Figure 5:

Engine Data Sensors - Oxygen Sensors


Object Number: 2063618  Size: FS
Master Electrical Component List
Engine Control Module Description
Control Module References
Engine Data Sensors - Electronic Throttle Controls
Engine Data Sensors - Pressure, Temperature, MAF, VSS
Figure 6:

Engine Data Sensors - Electronic Throttle Controls


Object Number: 2063619  Size: FS
Master Electrical Component List
Throttle Actuator Control (TAC) System Description
Control Module References
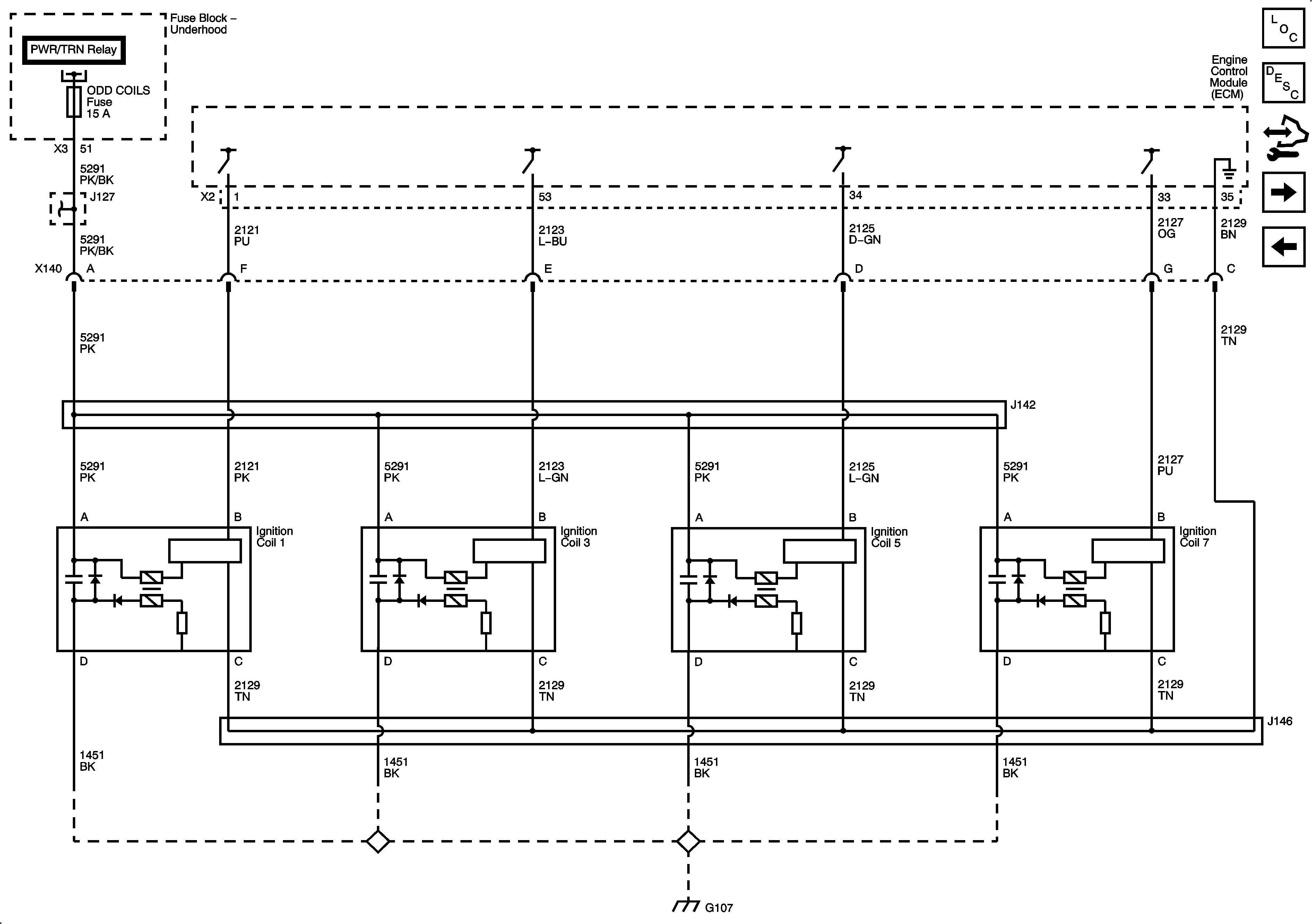
Ignition Controls - Ignition System Bank 1
Engine Data Sensors - Oxygen Sensors
Figure 7:

Ignition Controls - Ignition System Bank 1


Object Number: 2063621  Size: FS
Master Electrical Component List
Electronic Ignition (EI) System Description
Control Module References
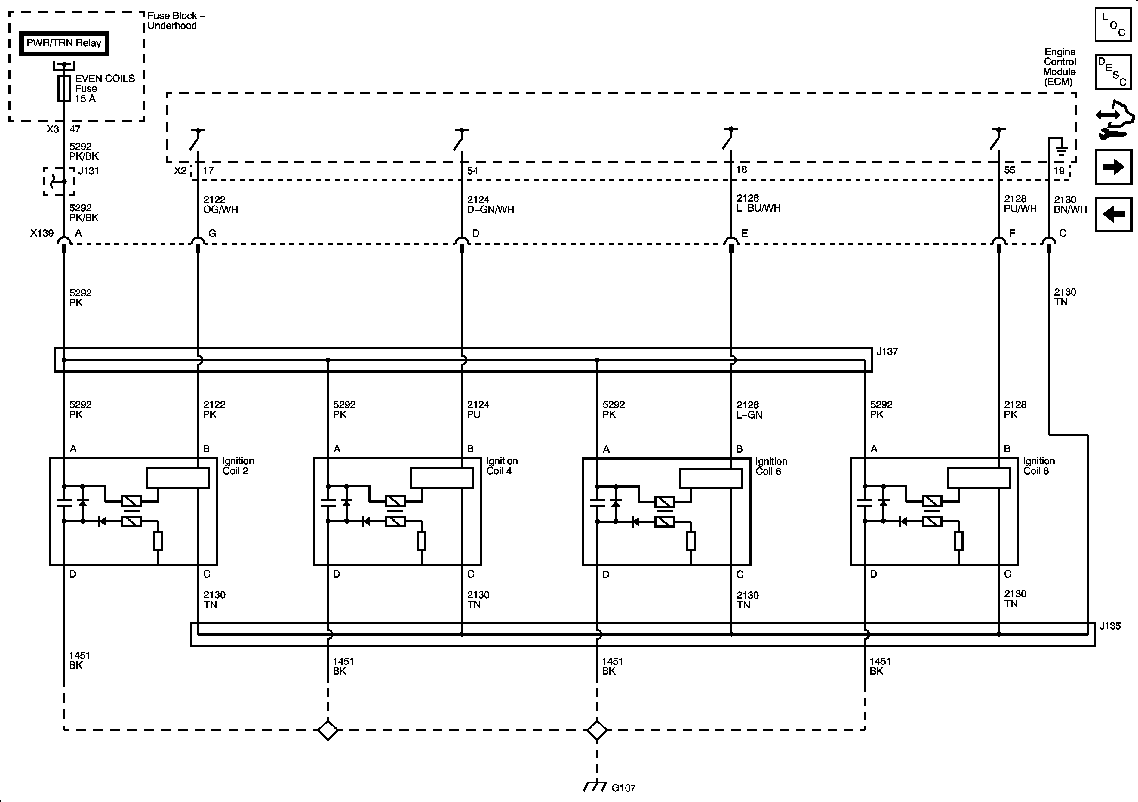
Ignition Controls - Ignition System Bank 2
Engine Data Sensors - Electronic Throttle Controls
Figure 8:

Ignition Controls - Ignition System Bank 2


Object Number: 2063626  Size: FS
Master Electrical Component List
Electronic Ignition (EI) System Description
Control Module References
Ignition Controls - CMP Sensors and Solenoids
Ignition Controls - Ignition System Bank 1
Figure 9:

Ignition Controls - CMP Sensors and Solenoids


Object Number: 2063629  Size: FS
Master Electrical Component List
Electronic Ignition (EI) System Description
Control Module References
Crankshaft Position (CKP) Sensor and Knock Sensors
Ignition Controls - Ignition System Bank 2
Figure 10:

Crankshaft Position (CKP) Sensor and Knock Sensors


Object Number: 2063633  Size: FS
Master Electrical Component List
Electronic Ignition (EI) System Description
Control Module References
Fuel Controls - Injector and Pump
Ignition Controls - CMP Sensors and Solenoids
Figure 11:

Fuel Controls - Injectors and Pump


Object Number: 2063640  Size: FS
Master Electrical Component List
Fuel System Description
Control Module References
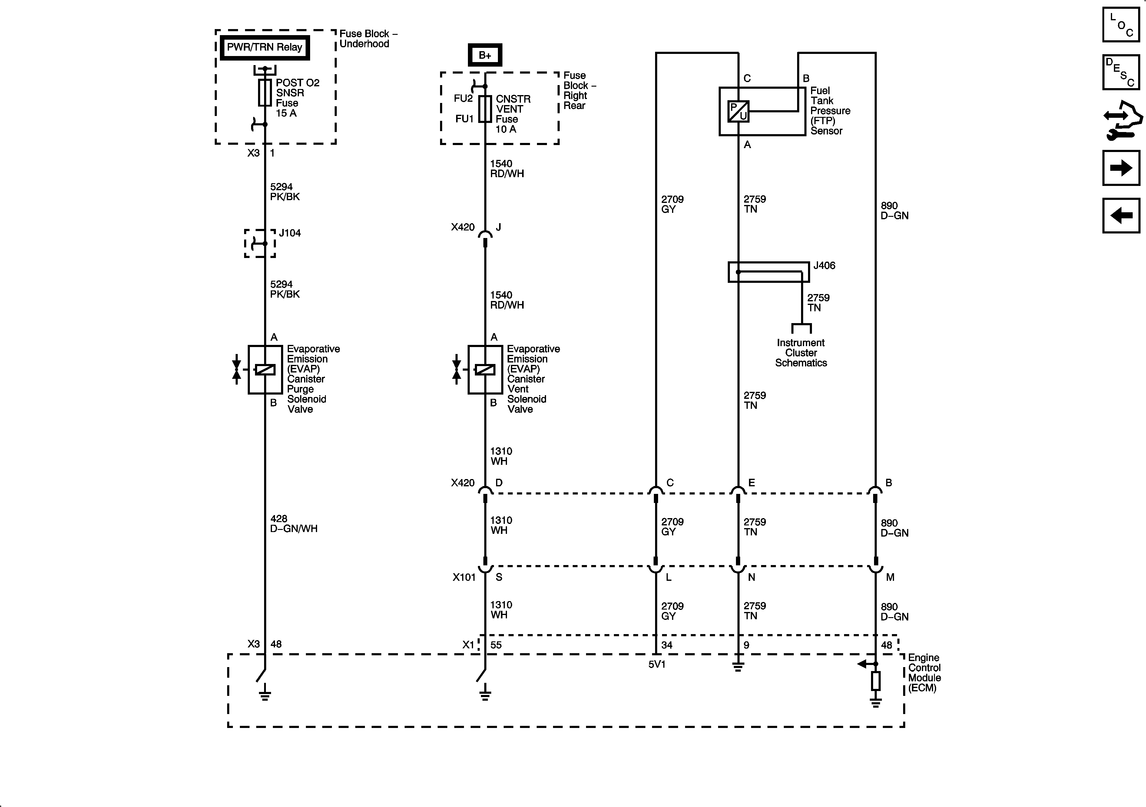
Fuel Controls - EVAP and Fuel Tank Pressure (FTP) Sensor
Crankshaft Position (CKP) Sensor and Knock Sensors
Figure 12:

Fuel Controls - EVAP and Fuel Tank Pressure (FTP) Sensor


Object Number: 2063644  Size: FS
Master Electrical Component List
Fuel System Description
Control Module References
Fuel Controls - Controlled/Monitored Subsystem References
Fuel Controls - Injector and Pump
Figure 13:

Fuel Controls - Controlled/Monitored Subsystem References


Object Number: 2063653  Size: FS
Master Electrical Component List
Fuel System Description
Control Module References
Fuel Controls - EVAP and Fuel Tank Pressure (FTP) Sensor