GM Service Manual Online
For 1990-2009 cars only
Figure 1:

G105, G106, G110, G306, G403 and G404


Object Number: 2062650  Size: FS
Master Electrical Component List
Control Module References
G100
Figure 2:

G100


Object Number: 2062658  Size: FS
Master Electrical Component List
Control Module References
G101
G105, G106, G110, G306, G403 and G404
Figure 3:

G101


Object Number: 2062670  Size: FS
Master Electrical Component List
Control Module References
G104 ( 1 of 2)
G100
Figure 4:

G104 (1 of 2)


Object Number: 2062676  Size: FS
Master Electrical Component List
Control Module References
G104 (2 of 2)
G101
Figure 5:

G104 (2 of 2)


Object Number: 2062681  Size: FS
Master Electrical Component List
G107 (LC3/LH2)
G104 ( 1 of 2)
Figure 6:

G107 (LC3/LH2)


Object Number: 2062684  Size: FS
Master Electrical Component List
Control Module References
G109 (LLT) and G112 (LLT)
G104 (2 of 2)
Figure 7:

G109 (LLT) and G112 (LLT)


Object Number: 2062687  Size: FS
Master Electrical Component List
Control Module References
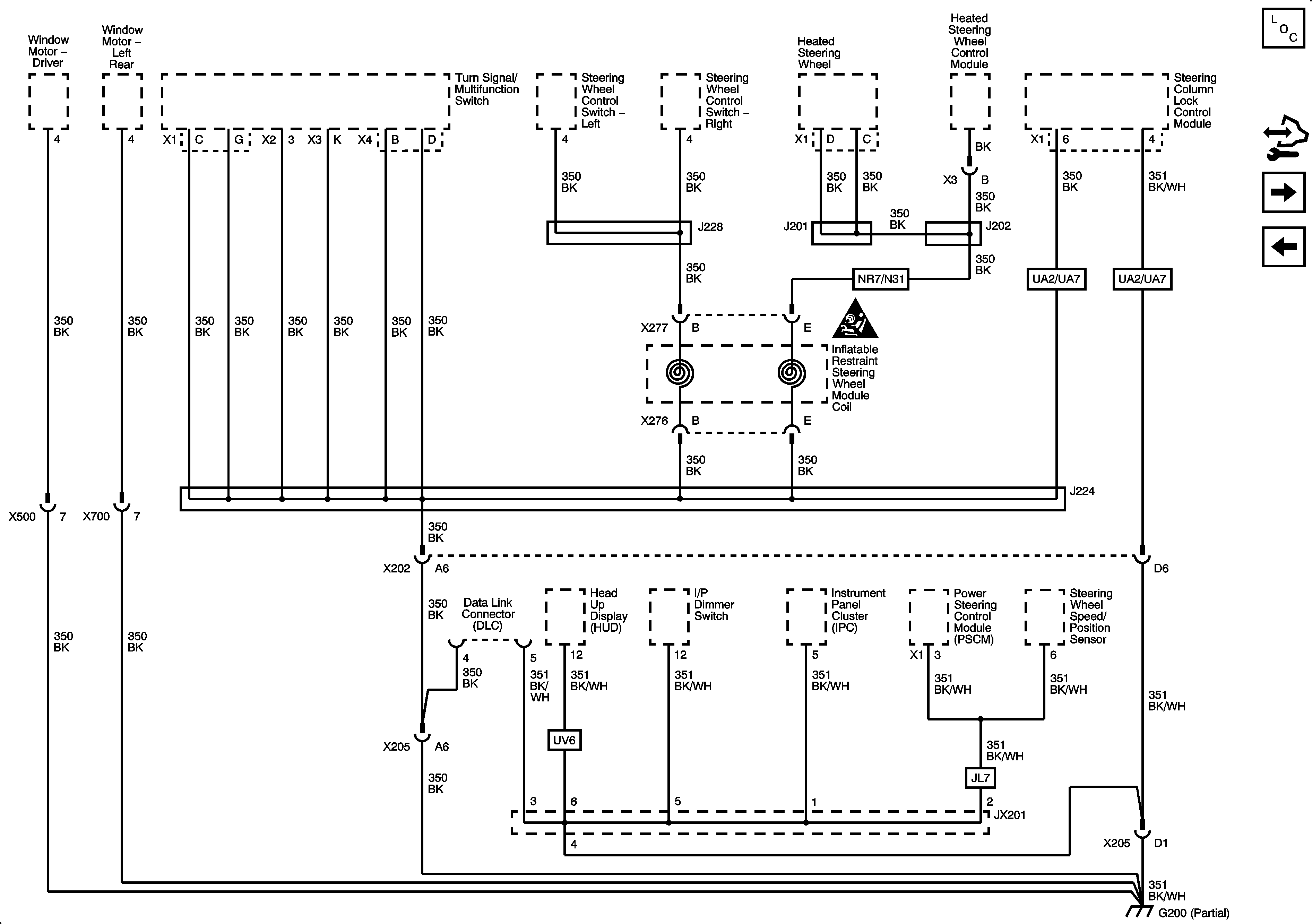
G200 (1 of 2)
G107 (LC3/LH2)
Figure 8:

G200 (1 of 2)


Object Number: 2062690  Size: FS
Master Electrical Component List
Control Module References
G200 (2 of 2)
G109 (LLT) and G112 (LLT)
Figure 9:

G200 (2 of 2)


Object Number: 2062694  Size: FS
Master Electrical Component List
Control Module References
G201 (1 of 2)
G200 (1 of 2)
Figure 10:

G201 (1 of 2)


Object Number: 2062697  Size: FS
Master Electrical Component List
Control Module References
G201 (2 of 2)
G200 (2 of 2)
Figure 11:

G201 (2 of 2)


Object Number: 2062699  Size: FS
Master Electrical Component List
Control Module References
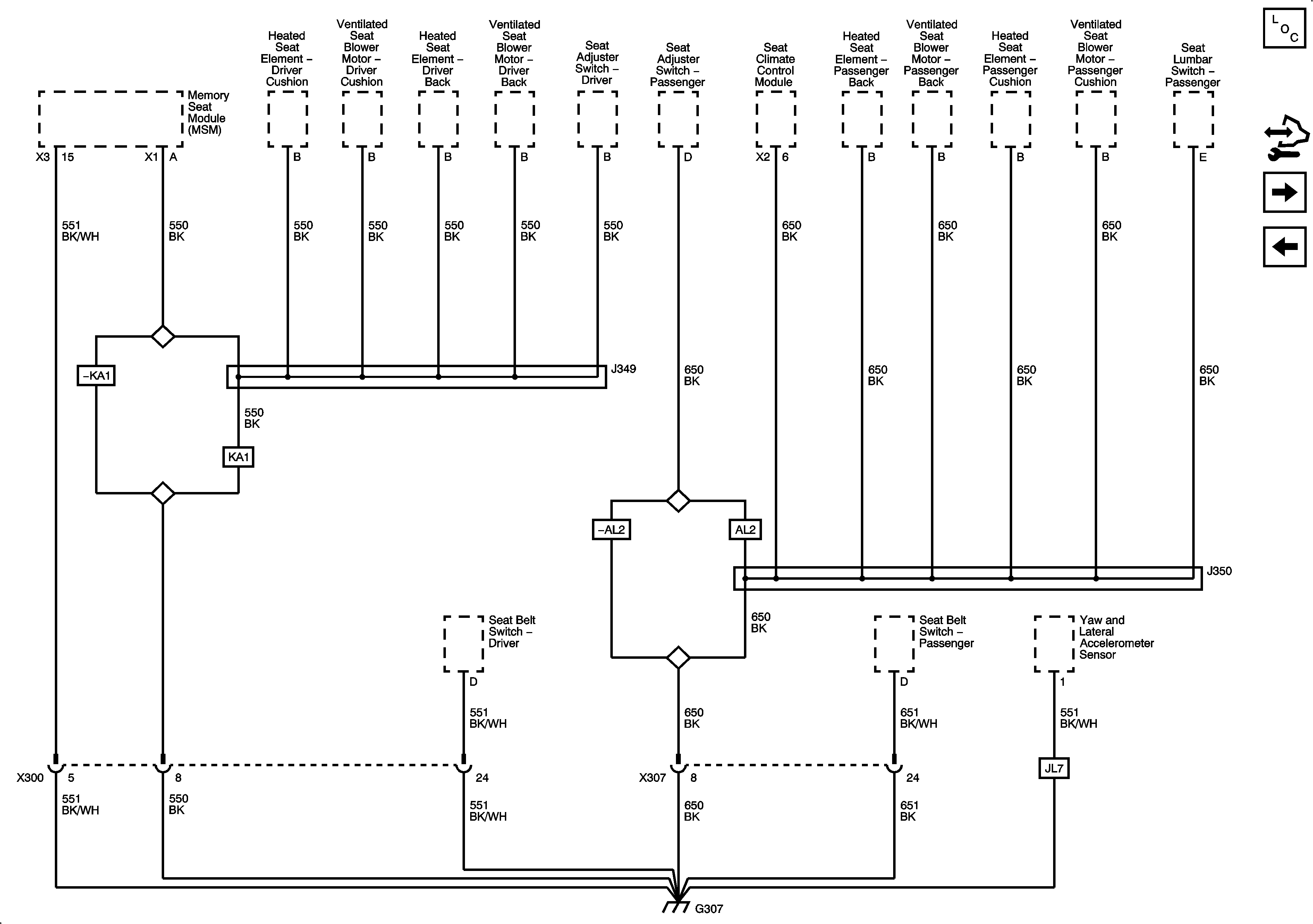
G307
G201 (1 of 2)
Figure 12:

G307


Object Number: 2062703  Size: FS
Master Electrical Component List
Control Module References
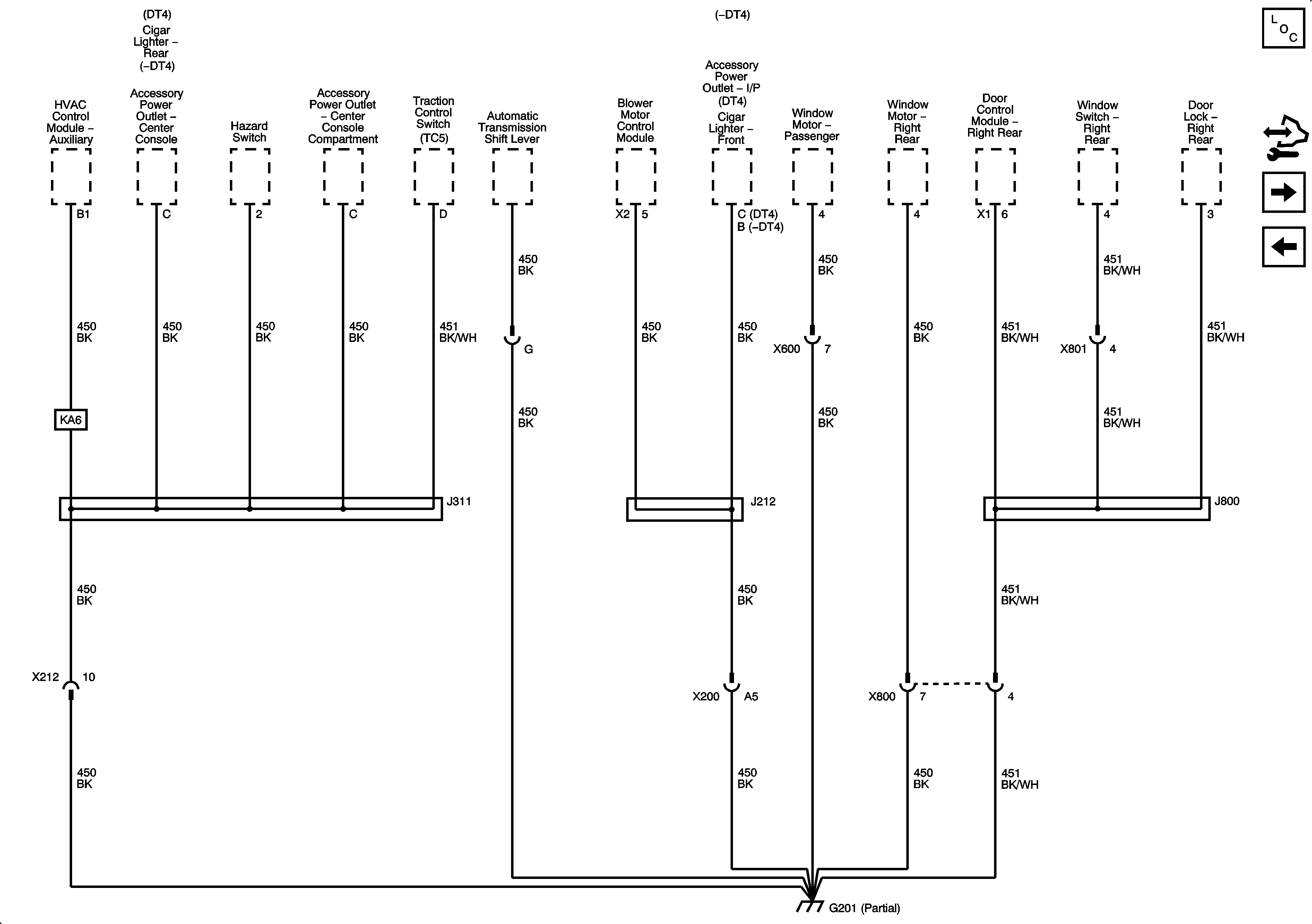
G401 (1 of 2)
G201 (2 of 2)
Figure 13:

G401 (1 of 2)


Object Number: 2062706  Size: FS
Master Electrical Component List
Control Module References
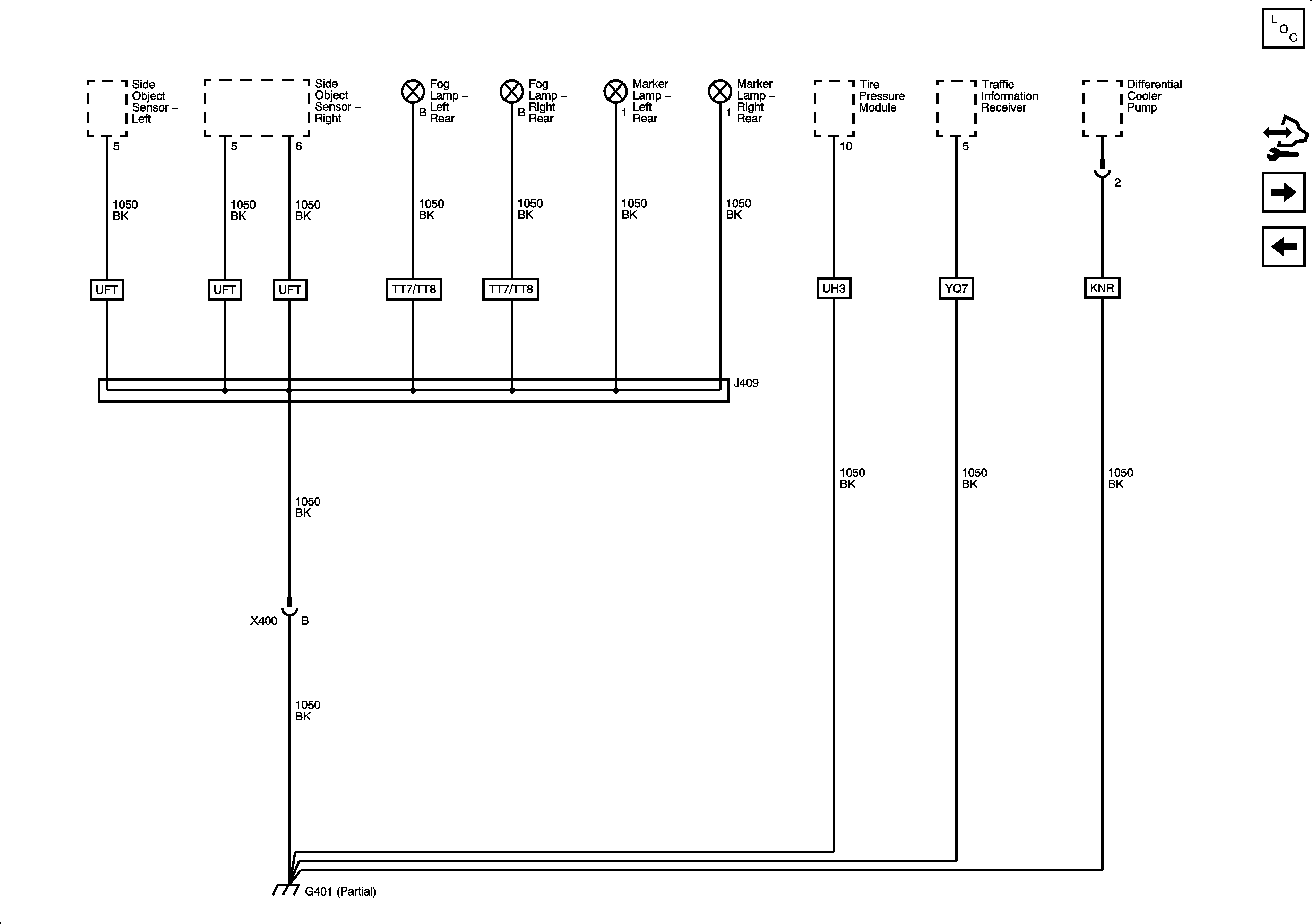
G401 (2 of 2)
G307
Figure 14:

G401 (2 of 2)


Object Number: 2062710  Size: FS
Master Electrical Component List
Control Module References
G402 (1 of 2)
G401 (1 of 2)
Figure 15:

G402 (1 of 2)


Object Number: 2147018  Size: FS
Figure 16:

G402 (2 of 2)


Object Number: 2062715  Size: FS
Master Electrical Component List
Control Module References
G402 (1 of 2)