GM Service Manual Online
For 1990-2009 cars only

Special Tools

    • EN-47748 Supercharger Lifting Fixture
    • EN-47833 Supercharger Service Holding Fixture

For equivalent regional tools, refer to Special Tools


    Object Number: 1656754  Size: SH
  1. Disconnect and remove the clean air positive crankcase ventilation (PCV) tube from the left camshaft cover.

  2. Object Number: 1656756  Size: SH
  3. Remove the charge air cooler coolant front manifold bolts.
  4. Remove the charge air cooler coolant front manifold.

  5. Object Number: 1656879  Size: SH
  6. Remove and discard the charge air cooler coolant front manifold O-rings.

  7. Object Number: 1656757  Size: SH
  8. Remove the fuel injector sight shield cover ball studs.

  9. Object Number: 1656761  Size: SH
  10. Disconnect the manifold absolute pressure (MAP) sensor vacuum tube connection (1) from the supercharger fitting.

  11. Object Number: 1656762  Size: SH
  12. Disconnect the supercharger inlet absolute pressure sensor vacuum tube connection (1) from the supercharger fitting.

  13. Object Number: 1656764  Size: SH
  14. Remove the bracket with sensors and tubes.

  15. Object Number: 1656767  Size: SH
  16. Disconnect the dirty air positive crankcase ventilation (PCV) tube (1) from the right camshaft cover.

  17. Object Number: 1656768  Size: SH
  18. Remove the fuel injection rail studs.

  19. Object Number: 1656775  Size: SH
  20. Release the fuel injection rail crossover tube clip (1).

  21. Object Number: 1656776  Size: SH
  22. Lift each fuel injector out of the bores in the supercharger and lift off the fuel injector rail assembly.

  23. Object Number: 1656777  Size: SH
  24. Remove the supercharger bolts.

  25. Object Number: 1656778  Size: SH
  26. Install the EN-47748 fixture onto the supercharger.

  27. Object Number: 1656781  Size: SH

    Warning: The supercharger must be lifted with the EN 47748. The weight of the supercharger assembly is approximately 34 kg (75 lb) and could cause injury if lifted by hand.

    Caution: The supercharger must be lifted with the EN 47748. Damage could occur to the finish and/or components of the supercharger and surrounding engine or vehicle components.

  28. Remove the supercharger using the EN-47748 fixture with appropriate lifting equipment.

  29. Object Number: 1656784  Size: SH

    Caution: The EN 47833 must be installed to the supercharger in order to prevent damage to the supercharger bypass actuator cable and the finish of the supercharger. Failure to use the EN 47833 can lead to bending the brackets of the supercharger bypass actuator cable. Bent supercharger bypass actuator cable brackets will cause the supercharger bypass valve to function improperly.

  30. Install the EN-47833 fixture through the end mounting bolts holes of the supercharger.

  31. Object Number: 1656785  Size: SH
  32. Place the supercharger assembly on an appropriate clean, stable and flat surface.

  33. Object Number: 1656786  Size: SH
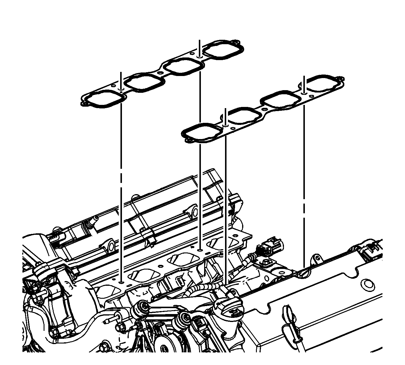
  34. Remove and discard the supercharger gaskets.