GM Service Manual Online
For 1990-2009 cars only
Makes
🢒
Cadillac
🢒
2009
🢒
STS
🢒
Diagnostic Navigation
🢒
Vehicle Diagnostic Information
🢒 Remote Function Schematics
Figure
1:
Garage Door Opener
Figure
2:
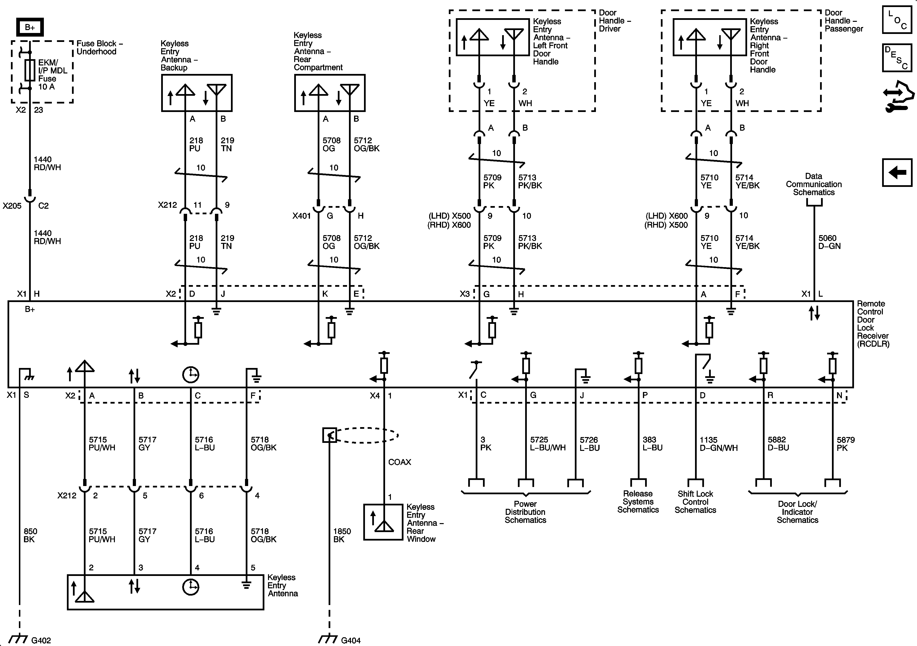
Keyless Entry Module Power, Grounds, Antennas and Switches
Figure
3:
Keyless Entry DLC, Instrument Panel Cluster (IPC)