GM Service Manual Online
For 1990-2009 cars only
Makes
🢒
Cadillac
🢒
2009
🢒
STS
🢒
Body Systems
🢒
Lighting
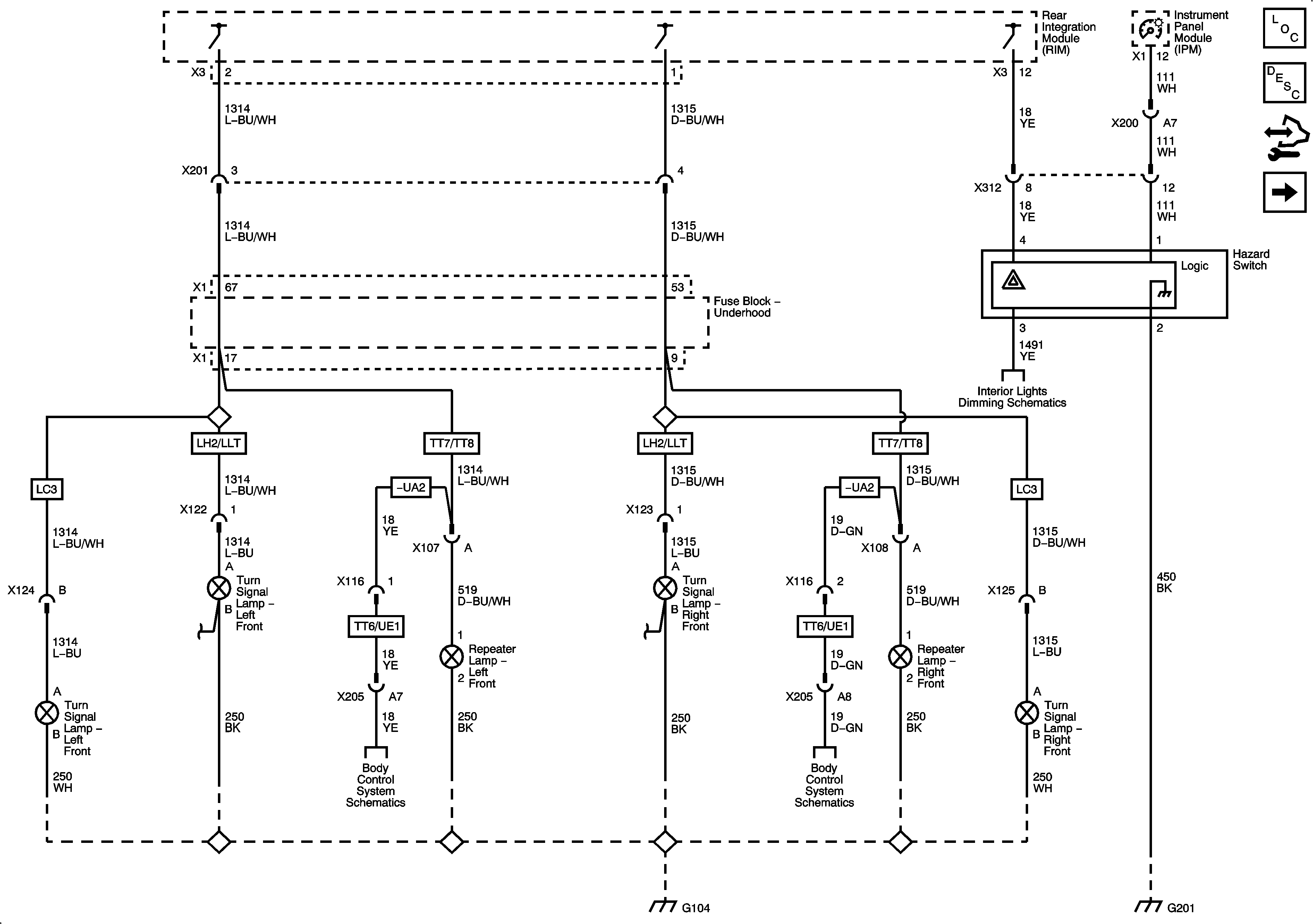
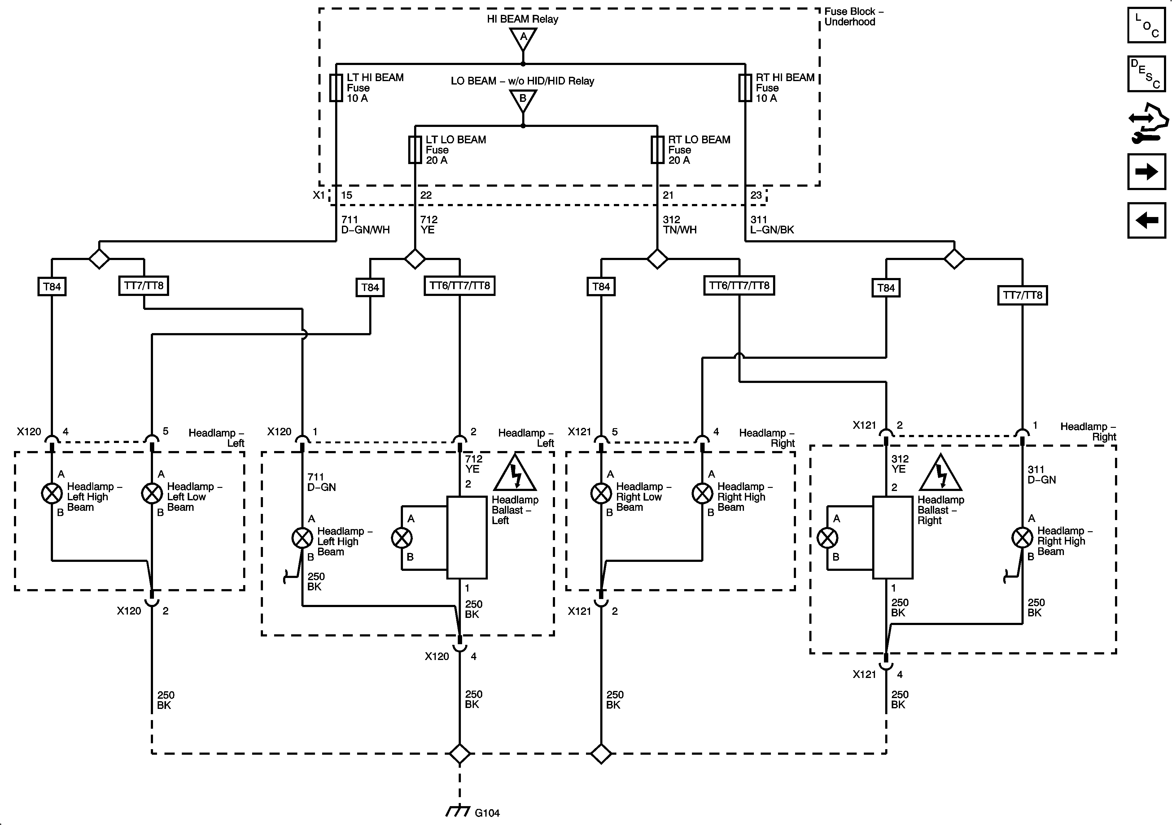
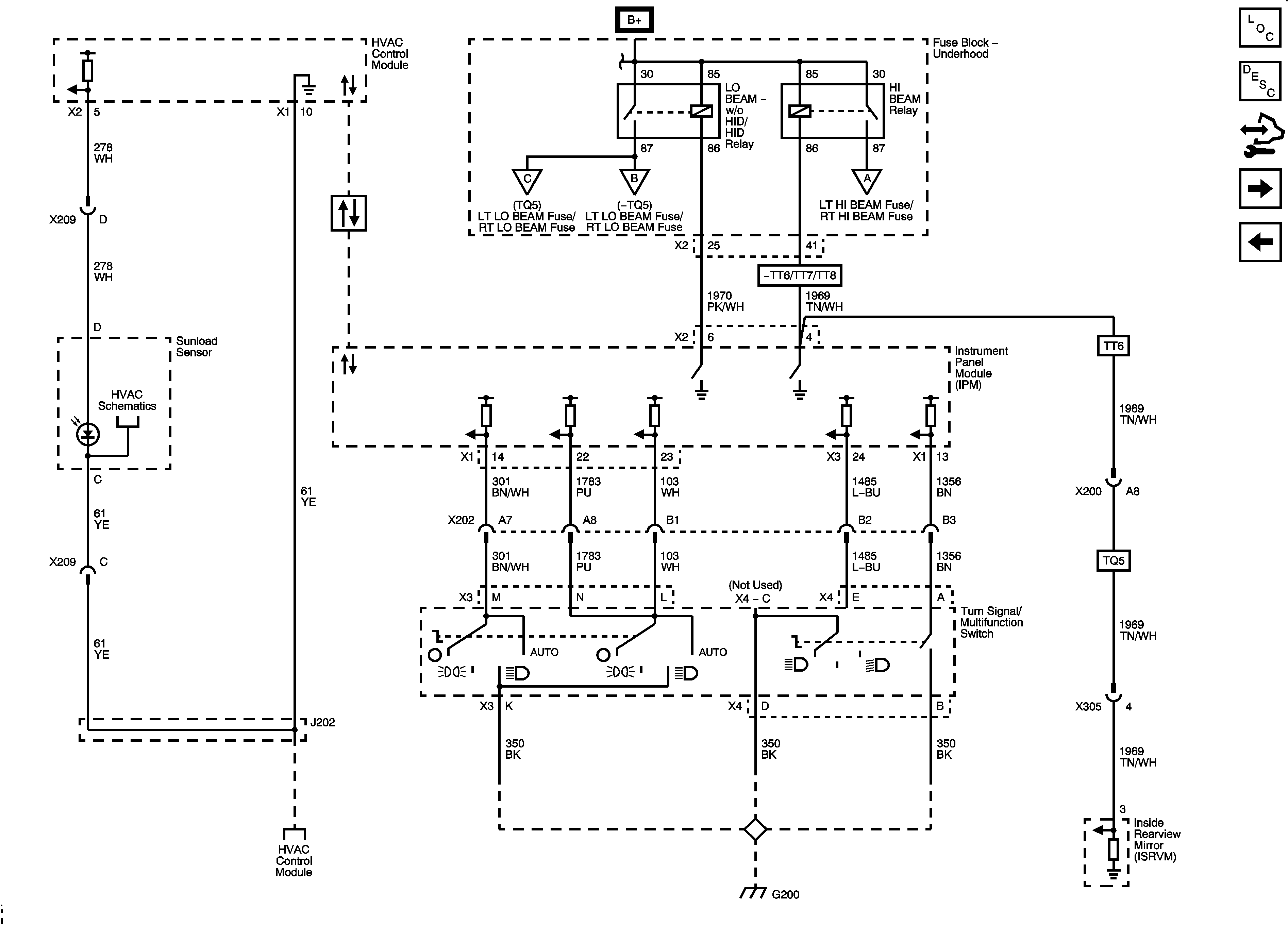
🢒 Headlights/Daytime Running Lights (DRL) Schematics
Figure
1:
Headlamp Switch, Ambient Light Sensor, DLC
Figure
2:
Headlamps
Figure
3:
Automatic Headlamp Dimming (TQ5)
Figure
4:
Daytime Running Lights