GM Service Manual Online
For 1990-2009 cars only
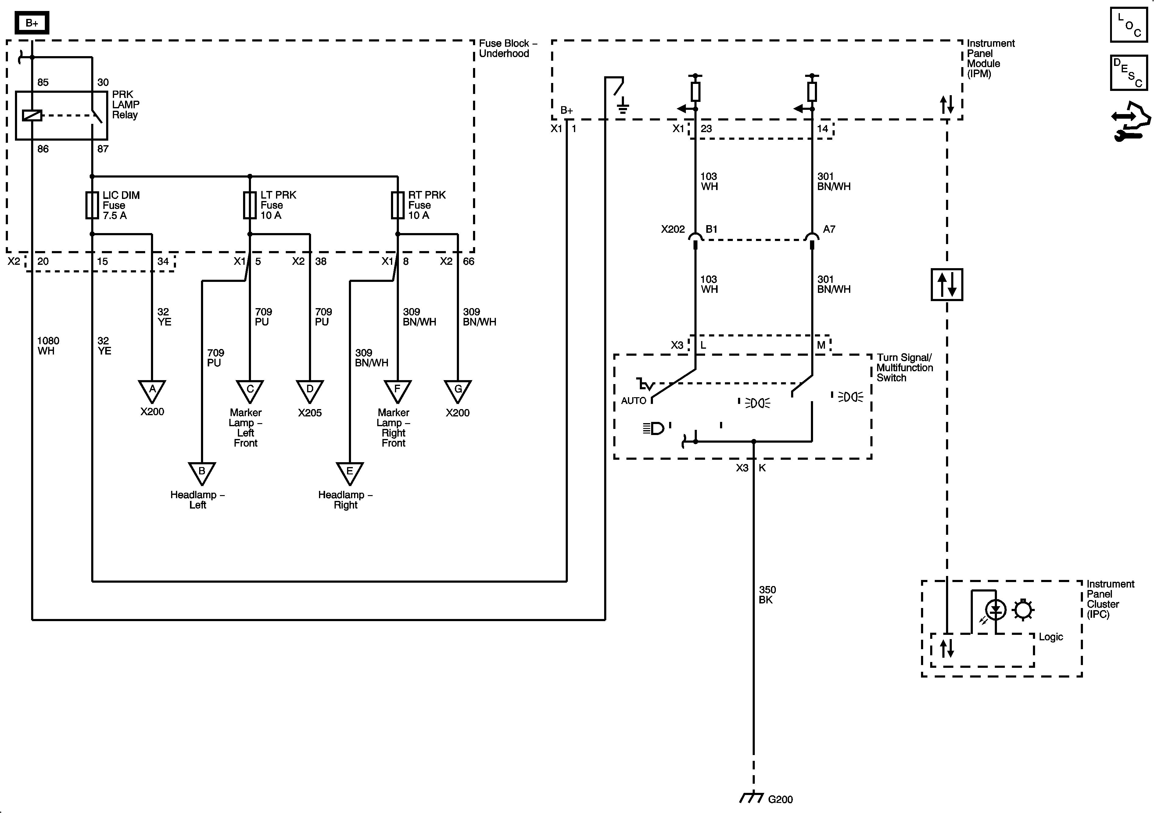
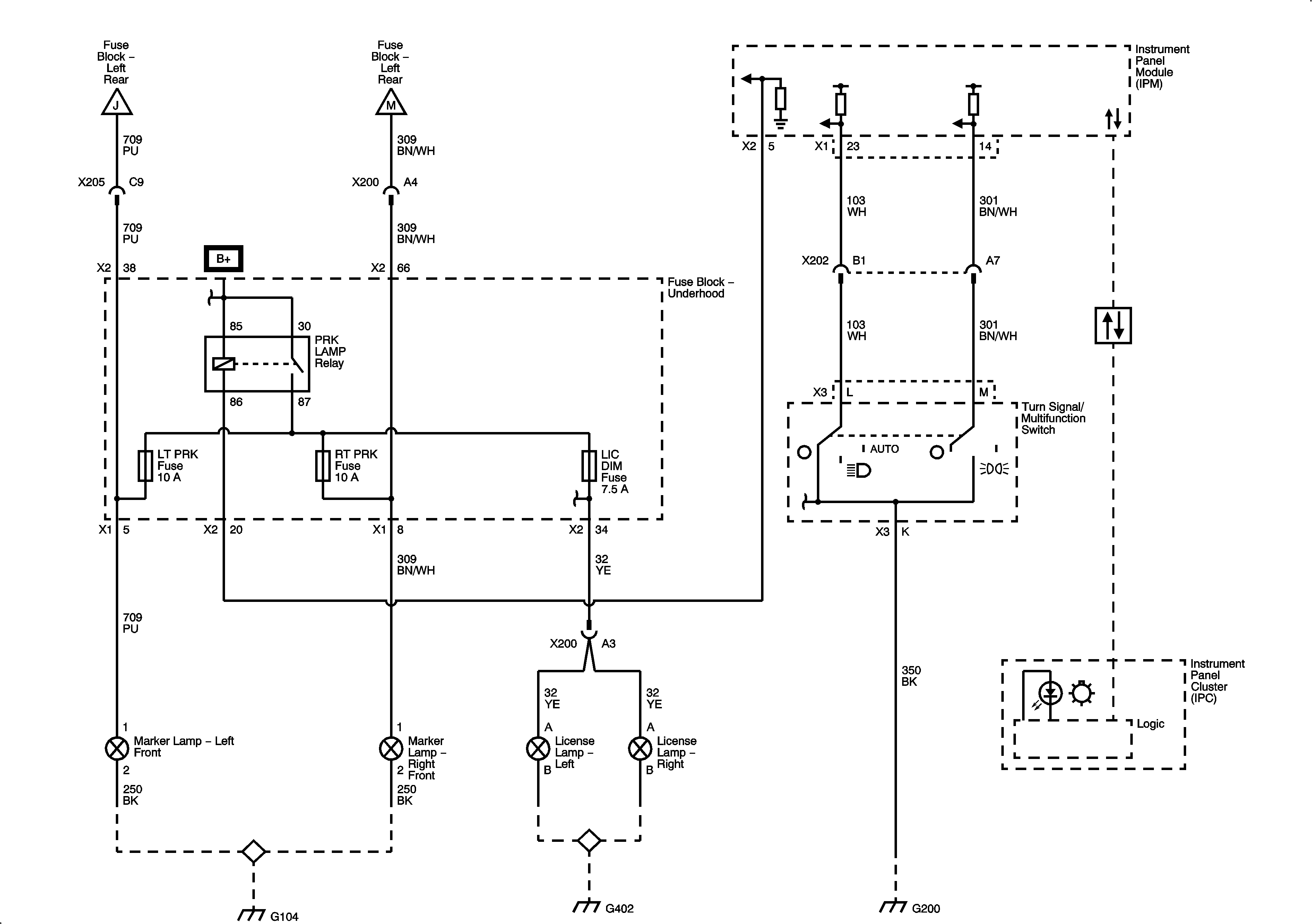
Figure 1:

Park Lamp Relay, Switch, and Instrument Cluster (North America)


Object Number: 2063578  Size: FS
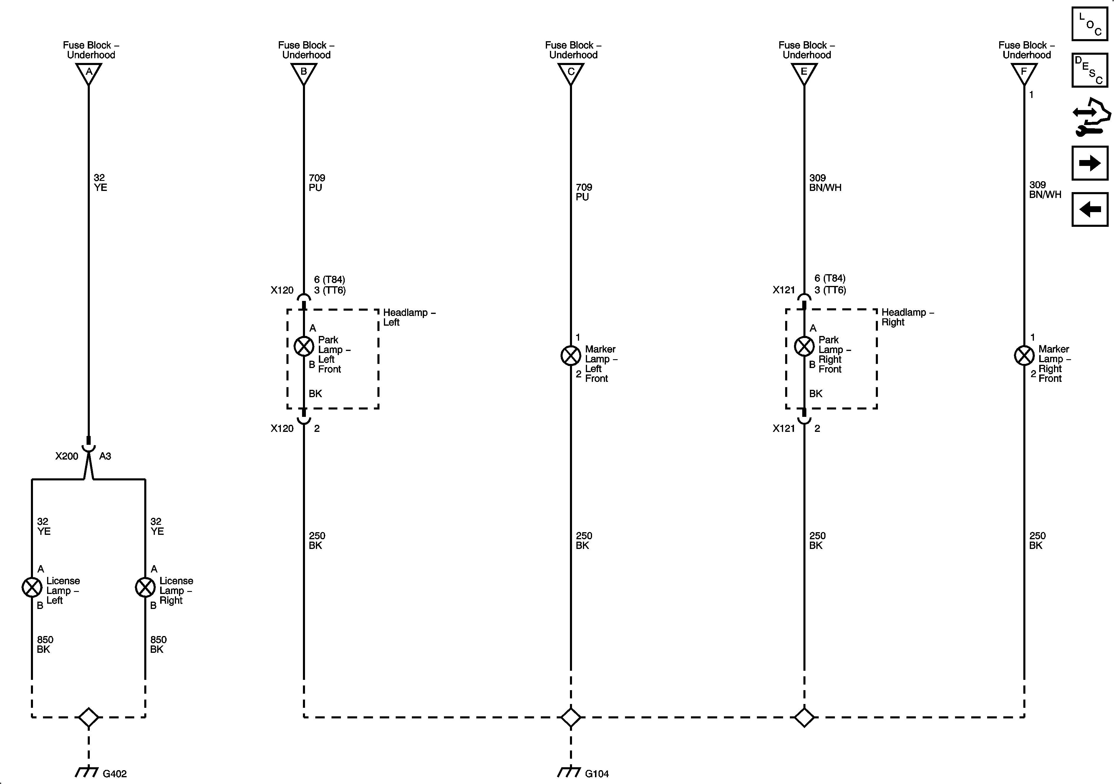
Figure 2:

License, Park, and Side Marker Lamps (North America)


Object Number: 2063584  Size: FS
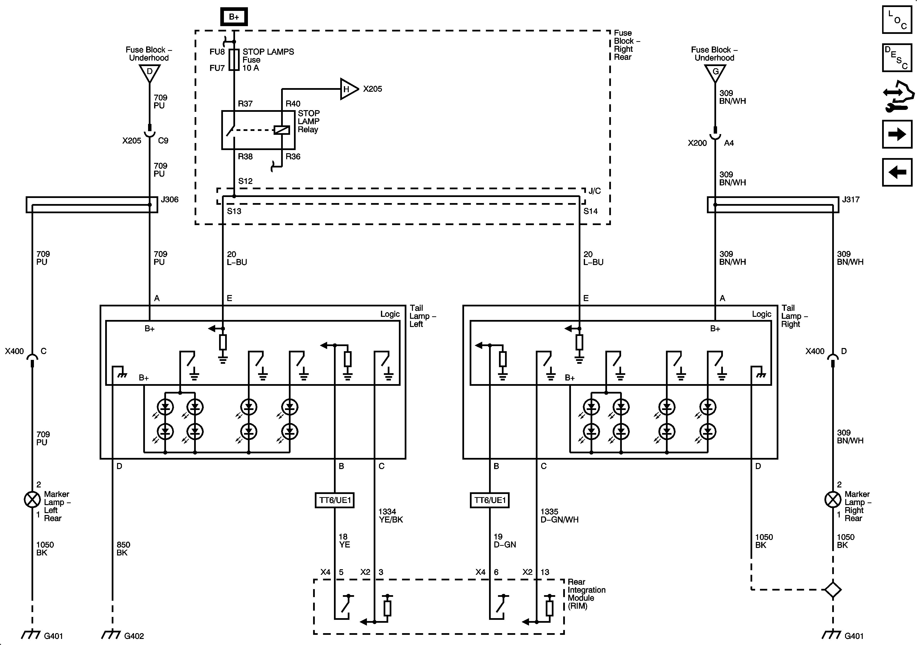
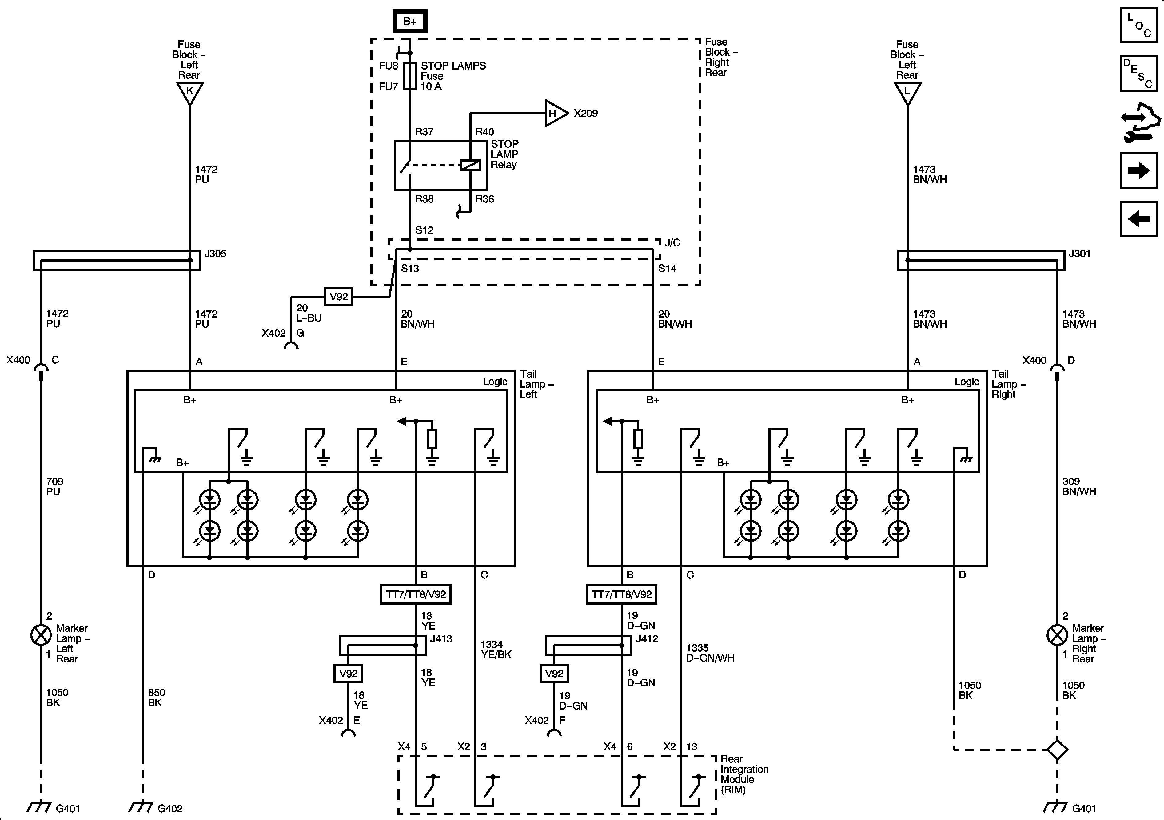
Figure 3:

Tail Lamps (North America)


Object Number: 2063592  Size: FS
Figure 4:

Backup Lamps, CHMSL


Object Number: 2063782  Size: FS
Figure 5:

Front Turn Signal and Repeater Lamps, Hazard Switch


Object Number: 2063784  Size: FS
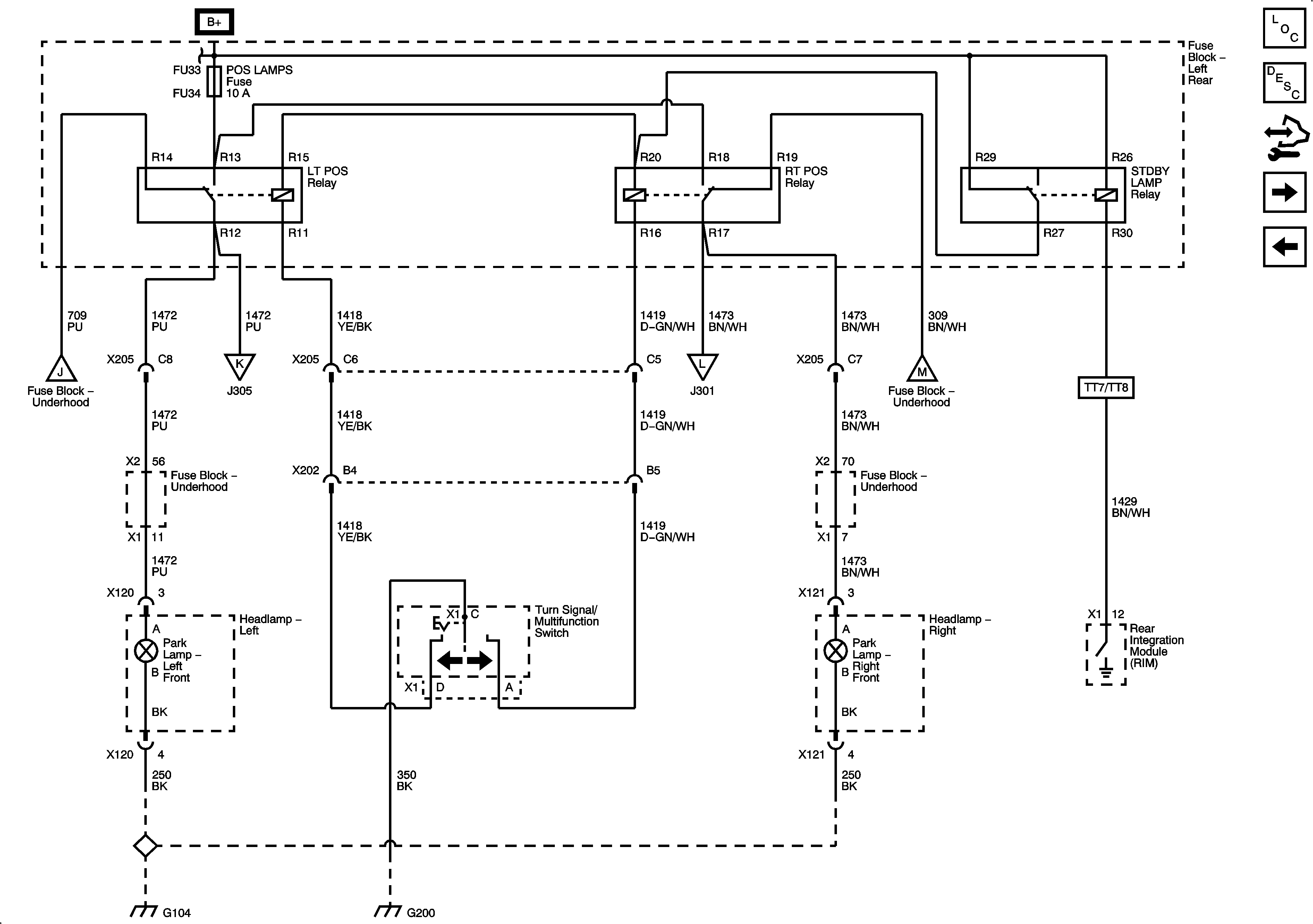
Figure 6:

Front Park Lamps, LT, RT Position and Standby Lamp Relays (except North America)


Object Number: 2063786  Size: FS
Figure 7:

Tail Lamps (except North America)


Object Number: 2063788  Size: FS
Figure 8:

Park Lamp Relay, Switch and Instrument Cluster (except North America)


Object Number: 2063790  Size: FS
Figure 9:

Front Turn Signal Switch Signals, Brake Pedal Position Sensor


Object Number: 2063792  Size: FS