GM Service Manual Online
For 1990-2009 cars only
Makes
🢒
Cadillac
🢒
2009
🢒
STS
🢒
Body Systems
🢒
Lighting
🢒 Fog Lights Schematics
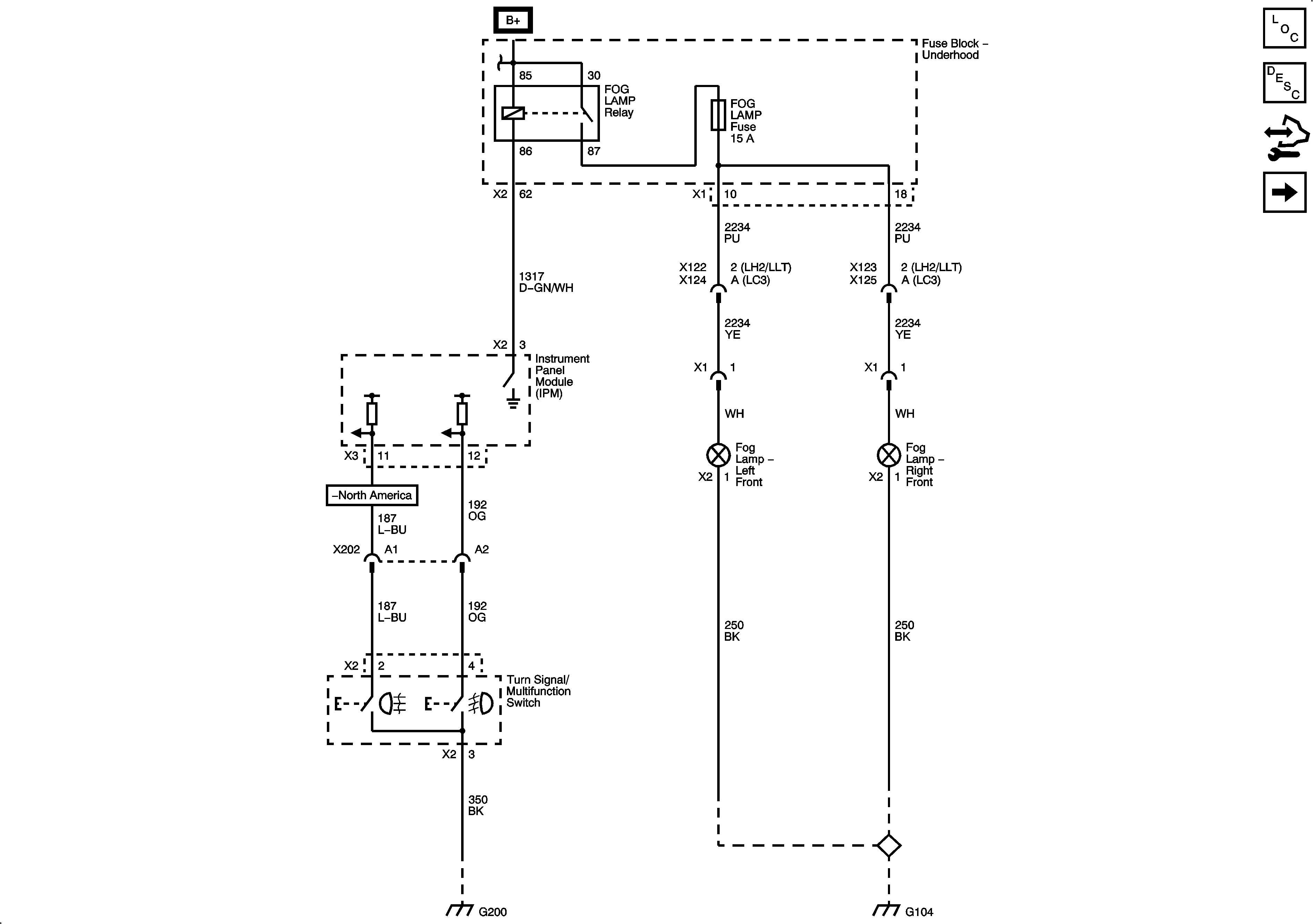
Figure
1:
Front Fog Lamps
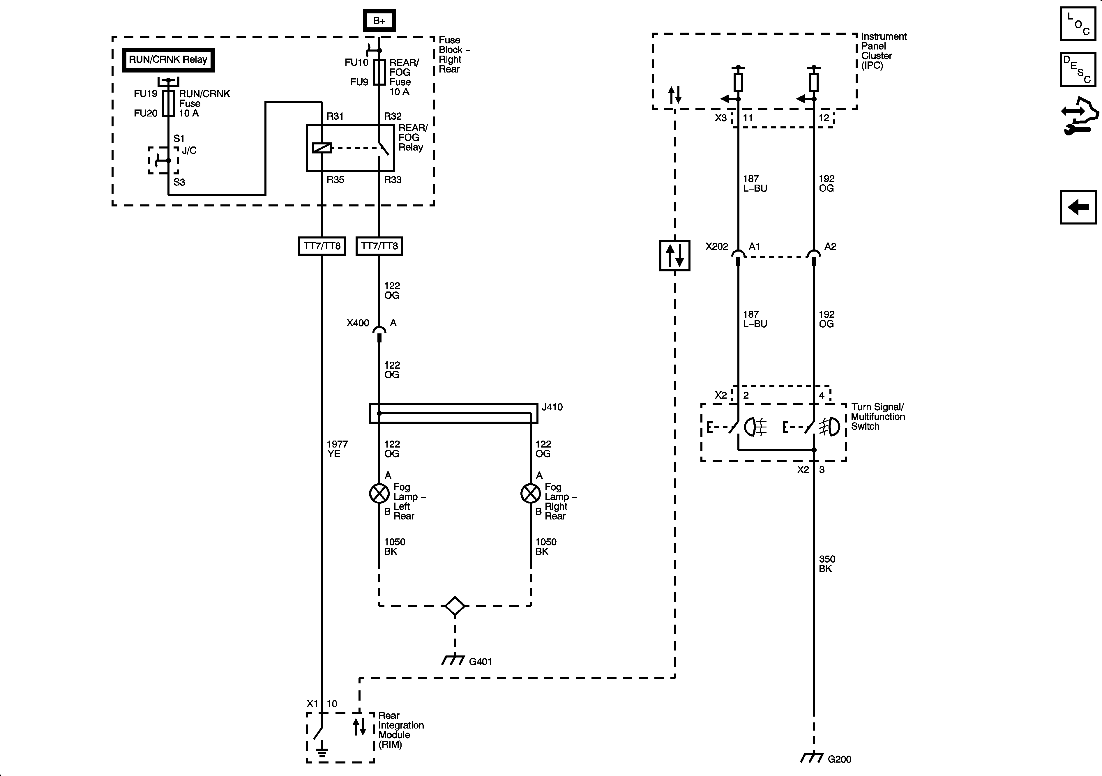
Figure
2:
Rear Fog Lamps (except North America)