GM Service Manual Online
For 1990-2009 cars only
Makes
🢒
Cadillac
🢒
2009
🢒
STS
🢒
Body Systems
🢒
Mirrors
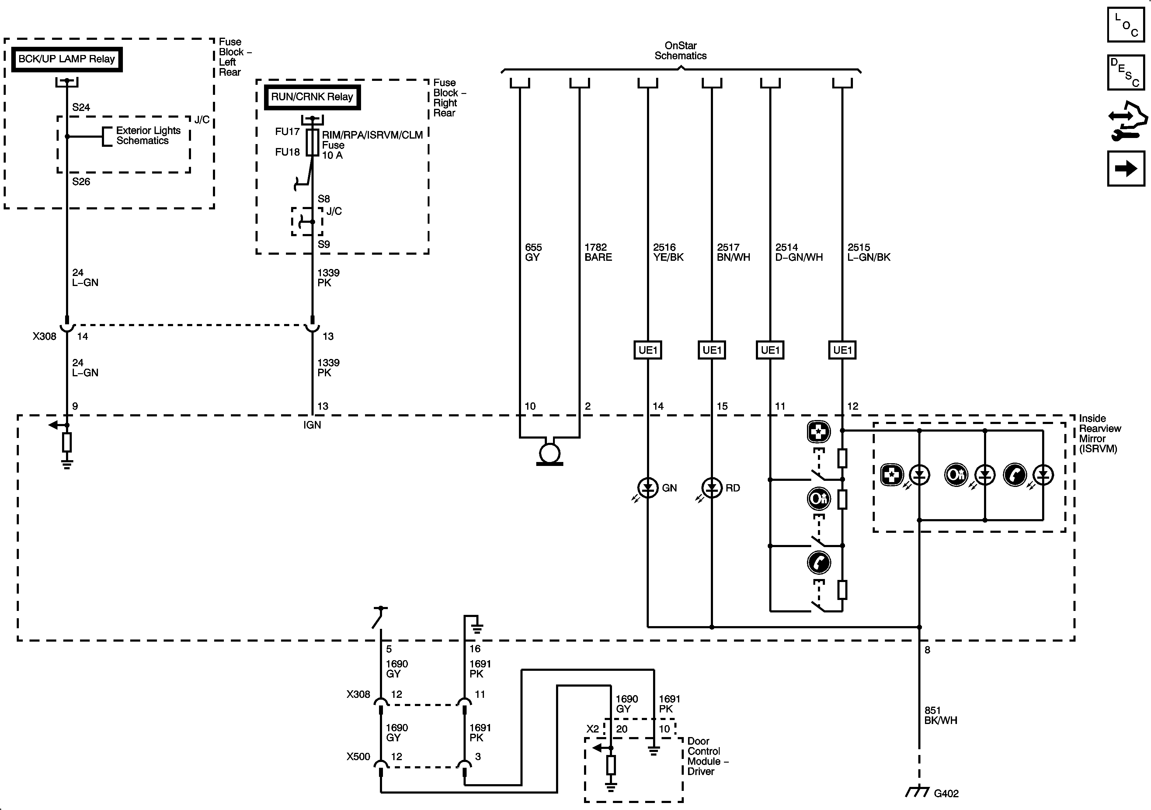
🢒 Inside Rearview Mirror Schematics
Figure
1:
Power and Ground
Figure
2:
Automatic Headlamp Dimming Signals