GM Service Manual Online
For 1990-2009 cars only
Figure 1:

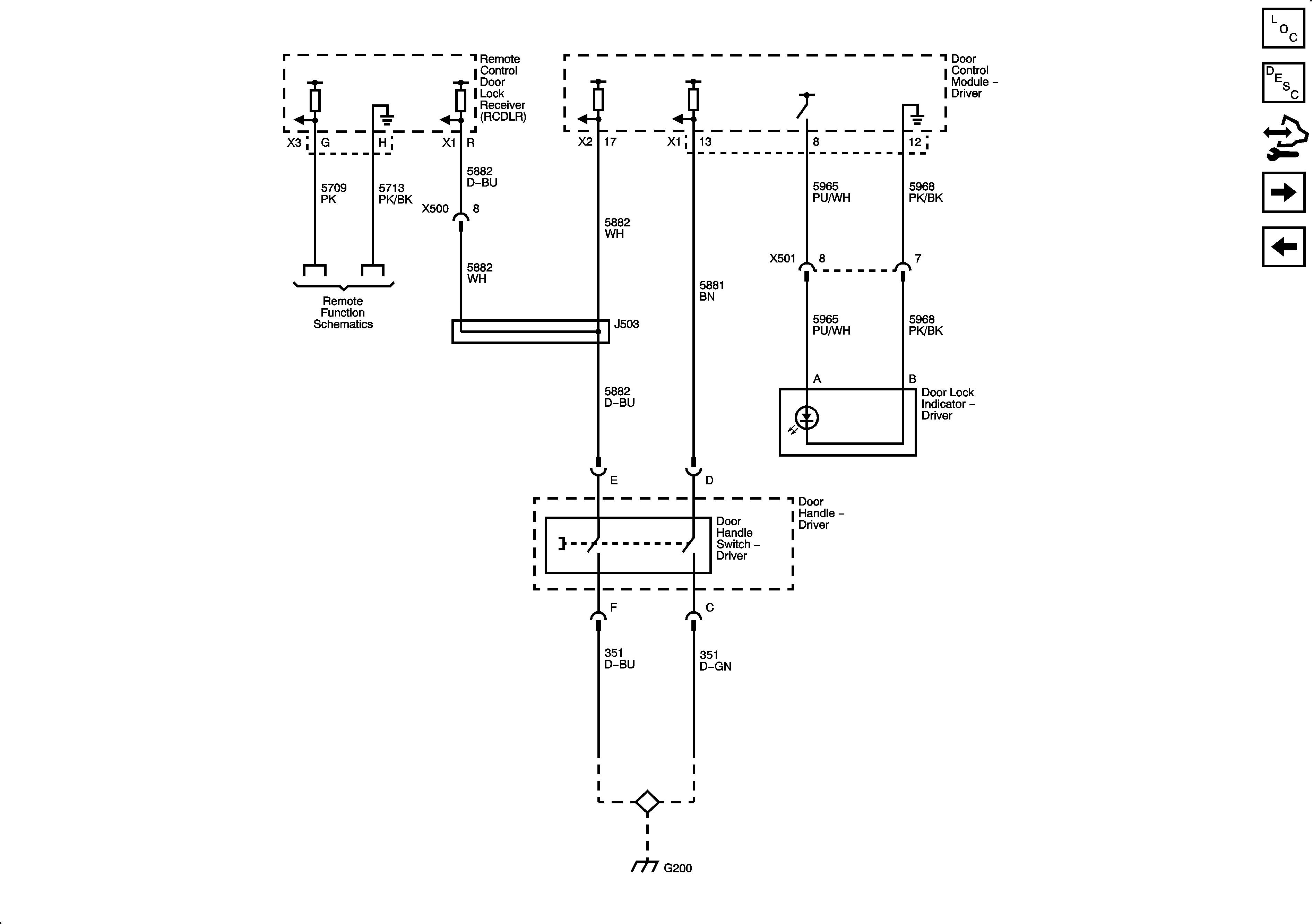
Driver Door Lock


Object Number: 2062449  Size: FS
Figure 2:

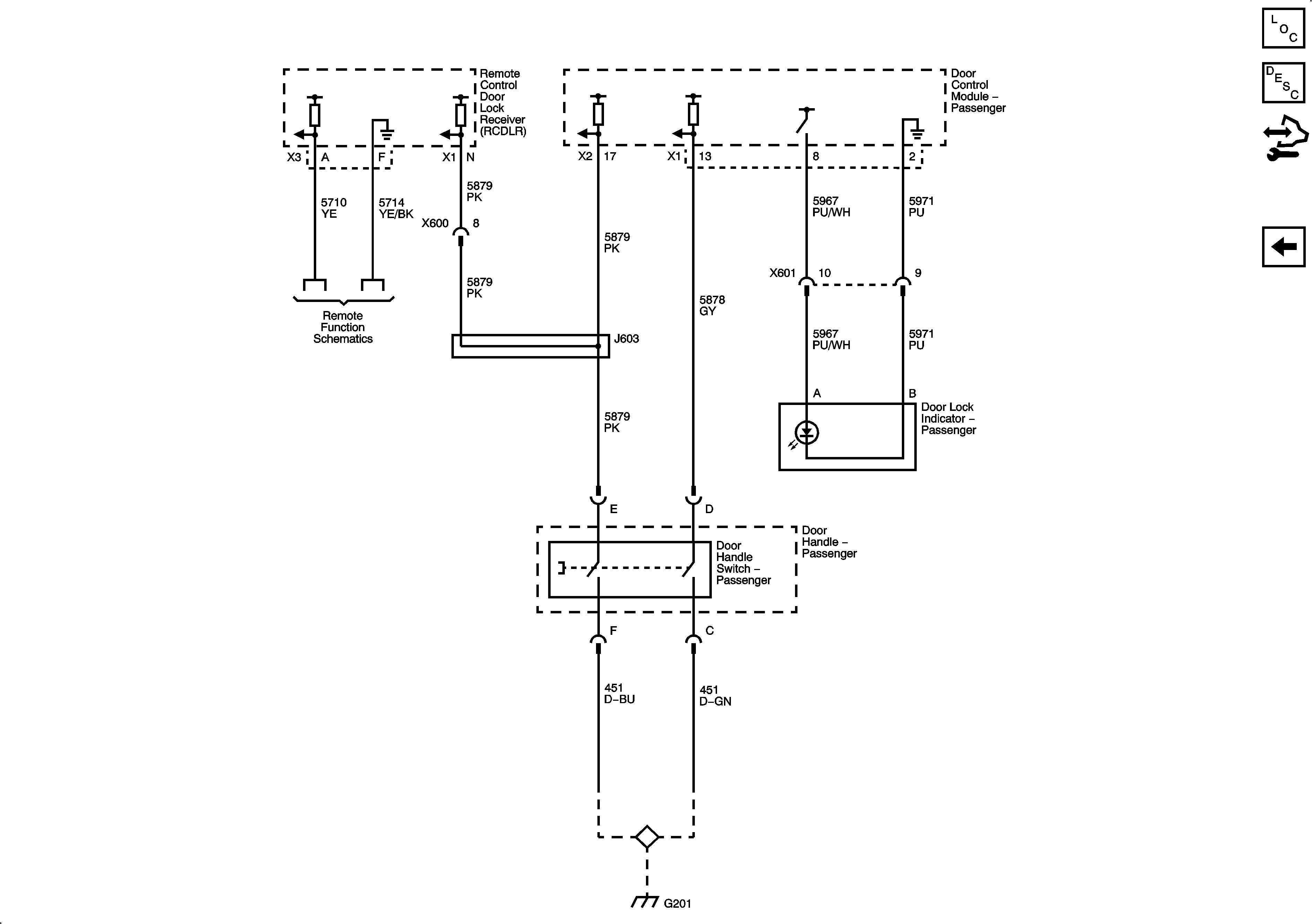
Front Passenger Door Lock


Object Number: 2062459  Size: FS
Figure 3:

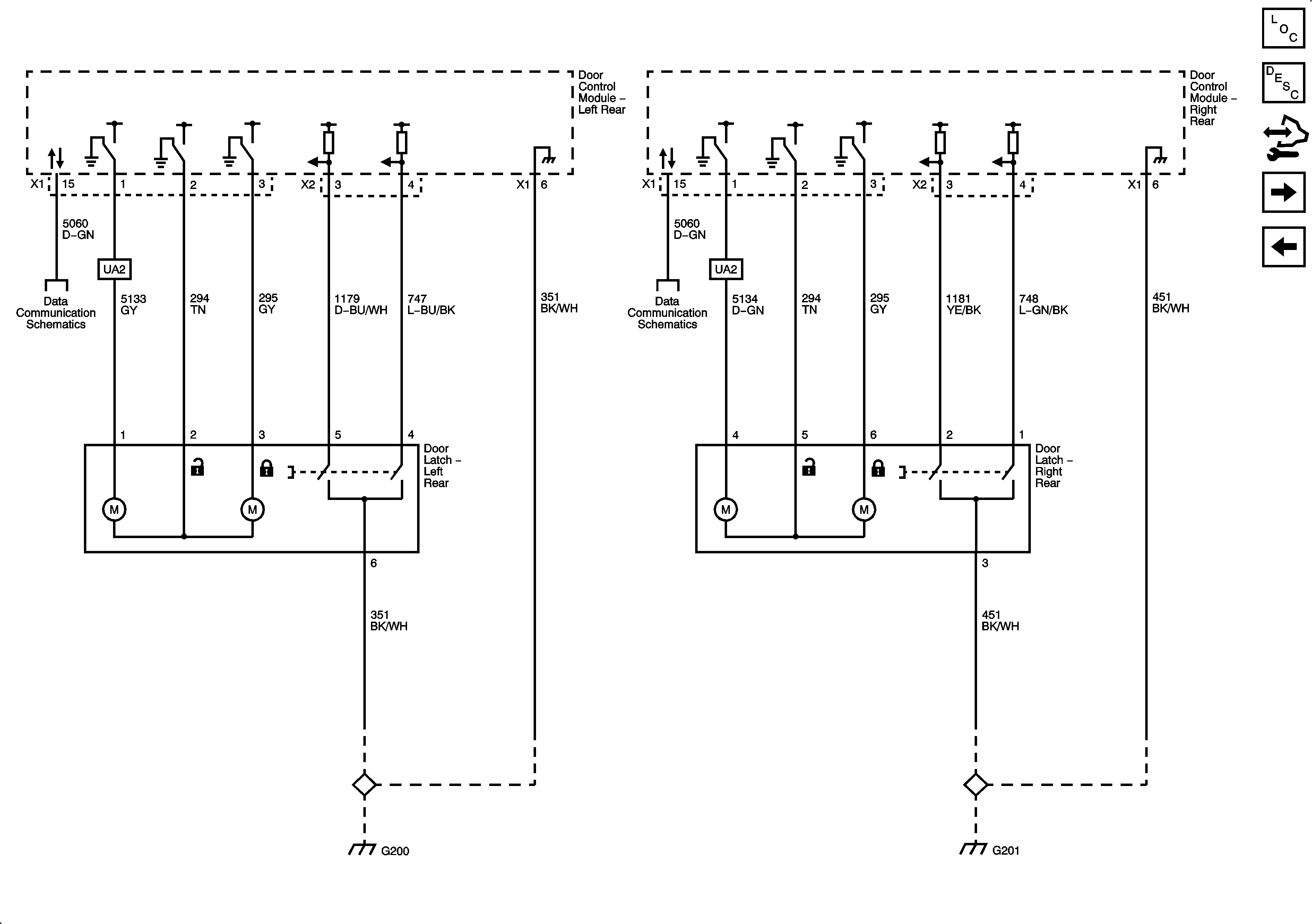
Left Rear and Right Rear Door Lock


Object Number: 2062471  Size: FS
Figure 4:

Left Front Door Handle Assembly, Door Status Indicator - Driver


Object Number: 2062481  Size: FS
Figure 5:

Right Front Door Handle Assembly, Door Status Indicator - Passenger


Object Number: 2062493  Size: FS