GM Service Manual Online
For 1990-2009 cars only
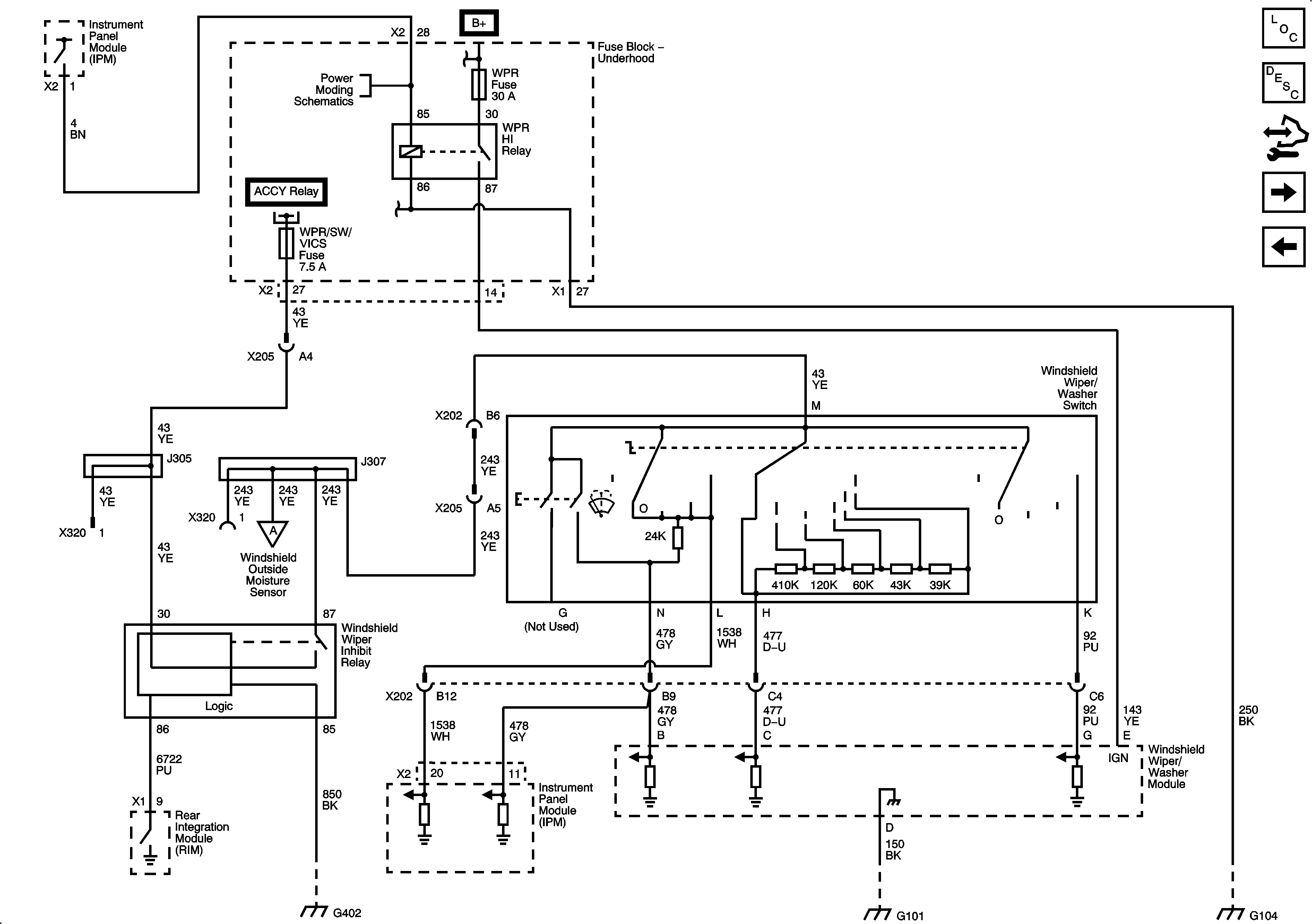
Figure 1:

Power, Grounds and Wiper Switch


Object Number: 2063510  Size: FS
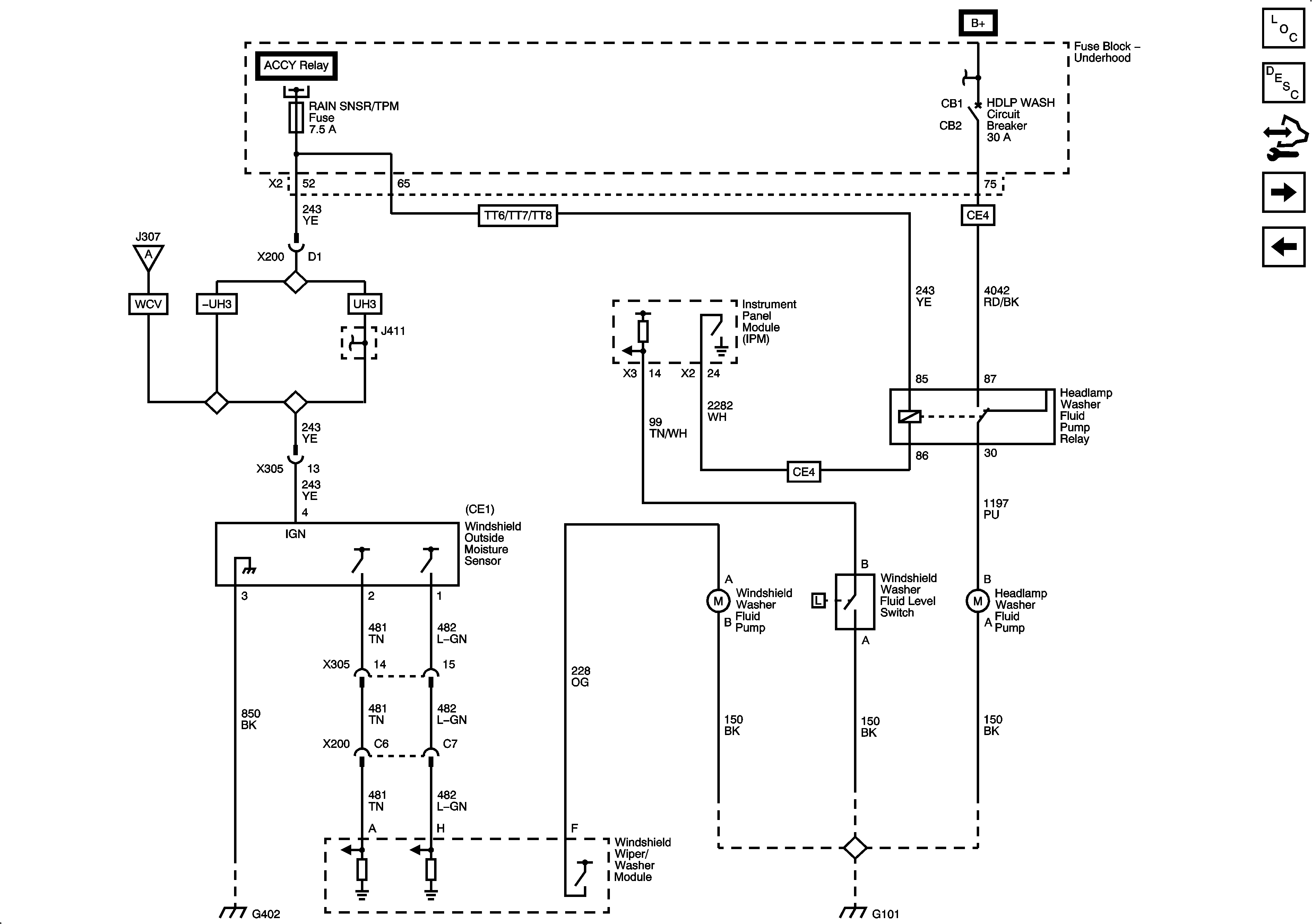
Figure 2:

Rain Sensor (CEI), Windshield Washer Pump and Headlamp Washer Pump (CE4)


Object Number: 2063524  Size: FS
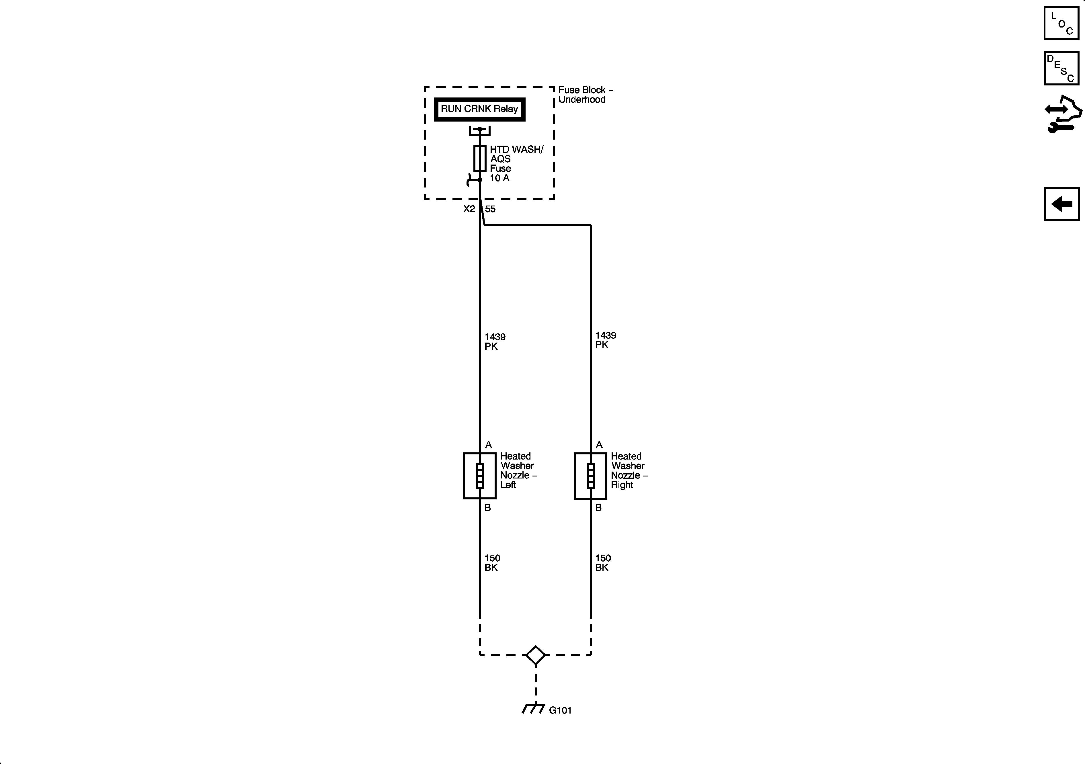
Figure 3:

Heated Washer Nozzles (XA7)


Object Number: 2063532  Size: FS
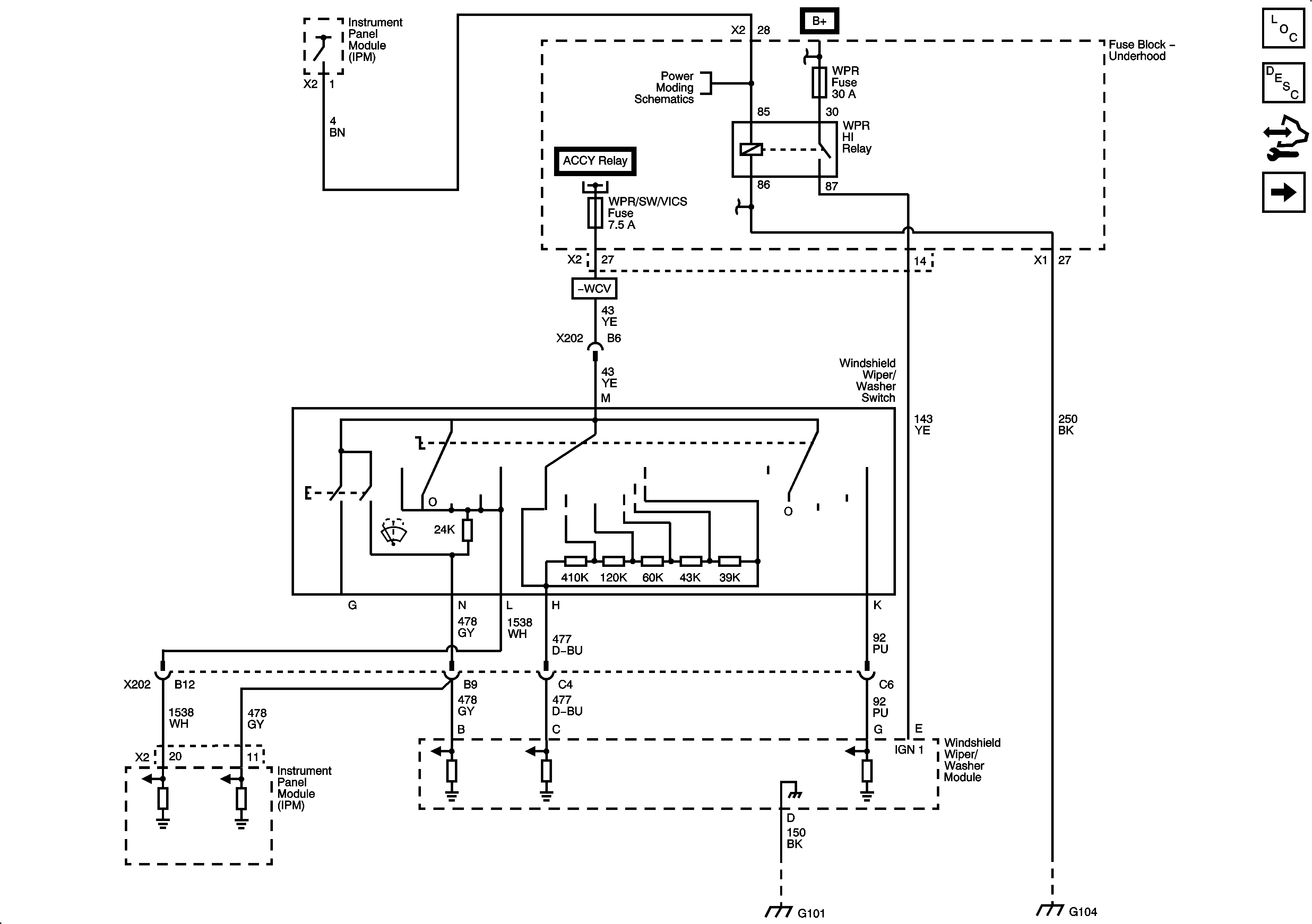
Figure 4:

Wiper Inhibit System (WCV)


Object Number: 2063536  Size: FS