GM Service Manual Online
For 1990-2009 cars only
Makes
🢒
Cadillac
🢒
2009
🢒
STS
🢒
Driver Information and Entertainment
🢒
Cellular, Entertainment, and Navigation
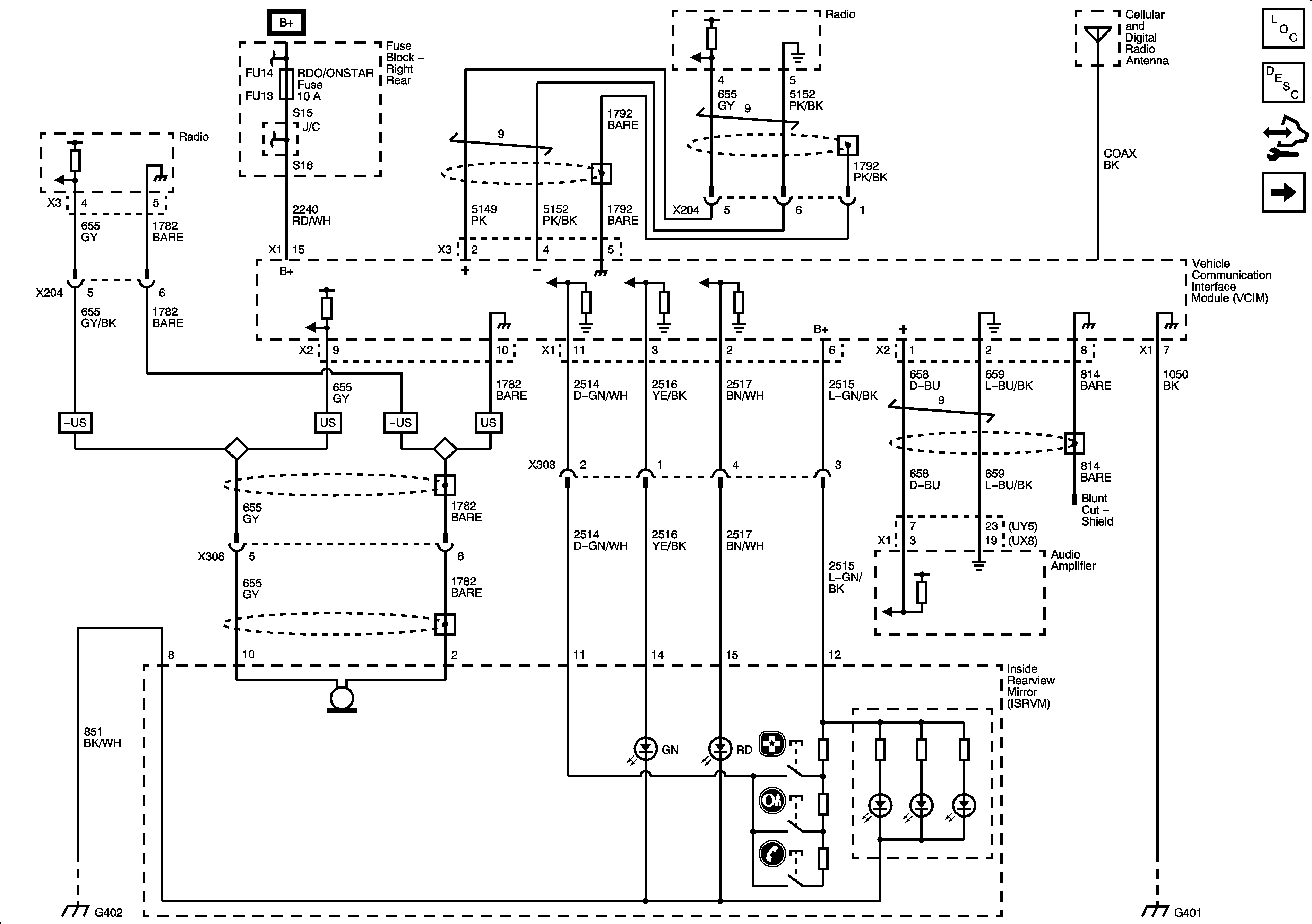
🢒 OnStar Schematics
Figure
1:
UE1
Figure
2:
VCIM, DLC