GM Service Manual Online
For 1990-2009 cars only
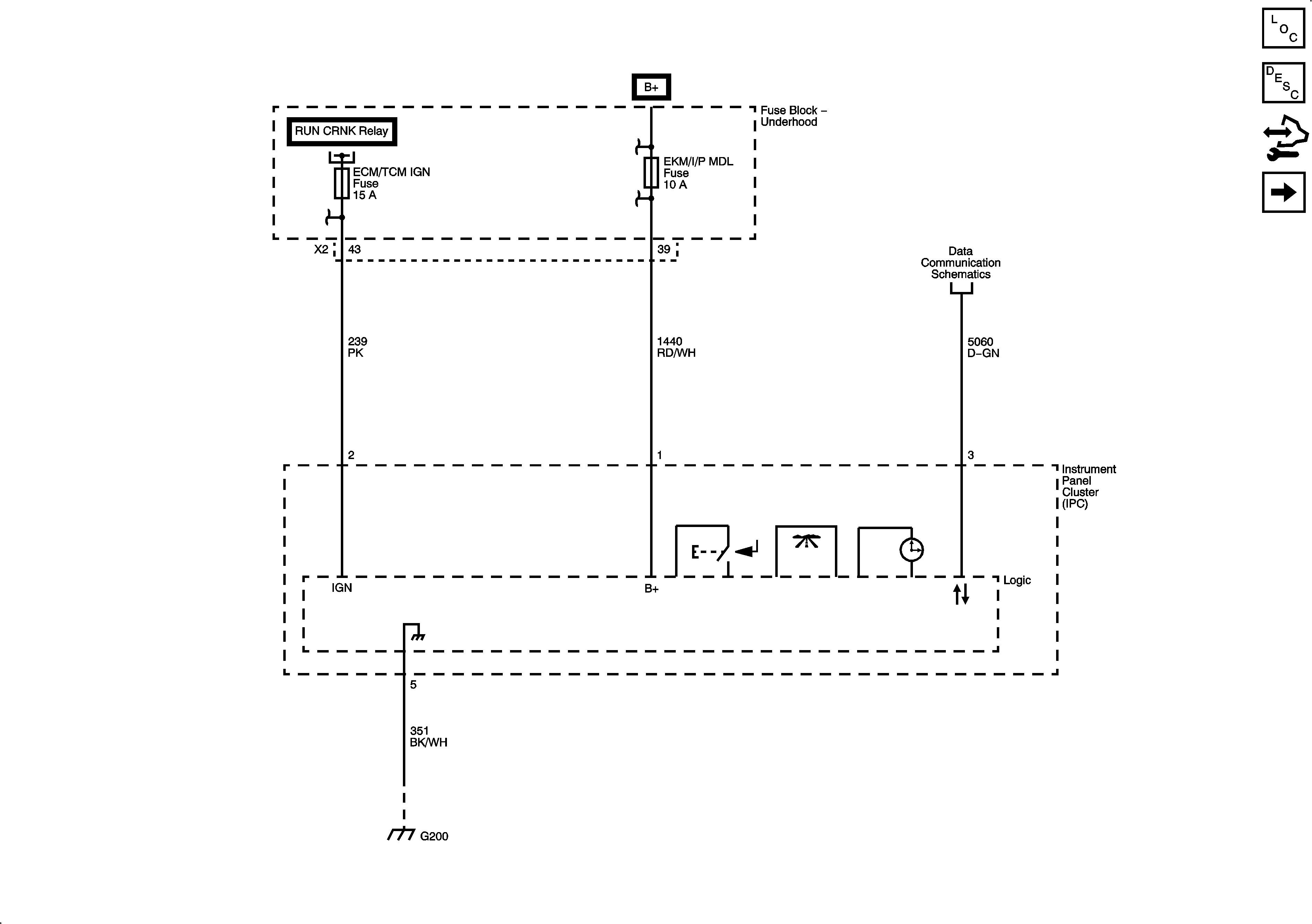
Figure 1:

Power, Ground, DLC, Odometer and Clock


Object Number: 2063294  Size: FS
Figure 2:

Indicators


Object Number: 2063296  Size: FS
Figure 3:

DIC/Dimmer Switch


Object Number: 2063299  Size: FS
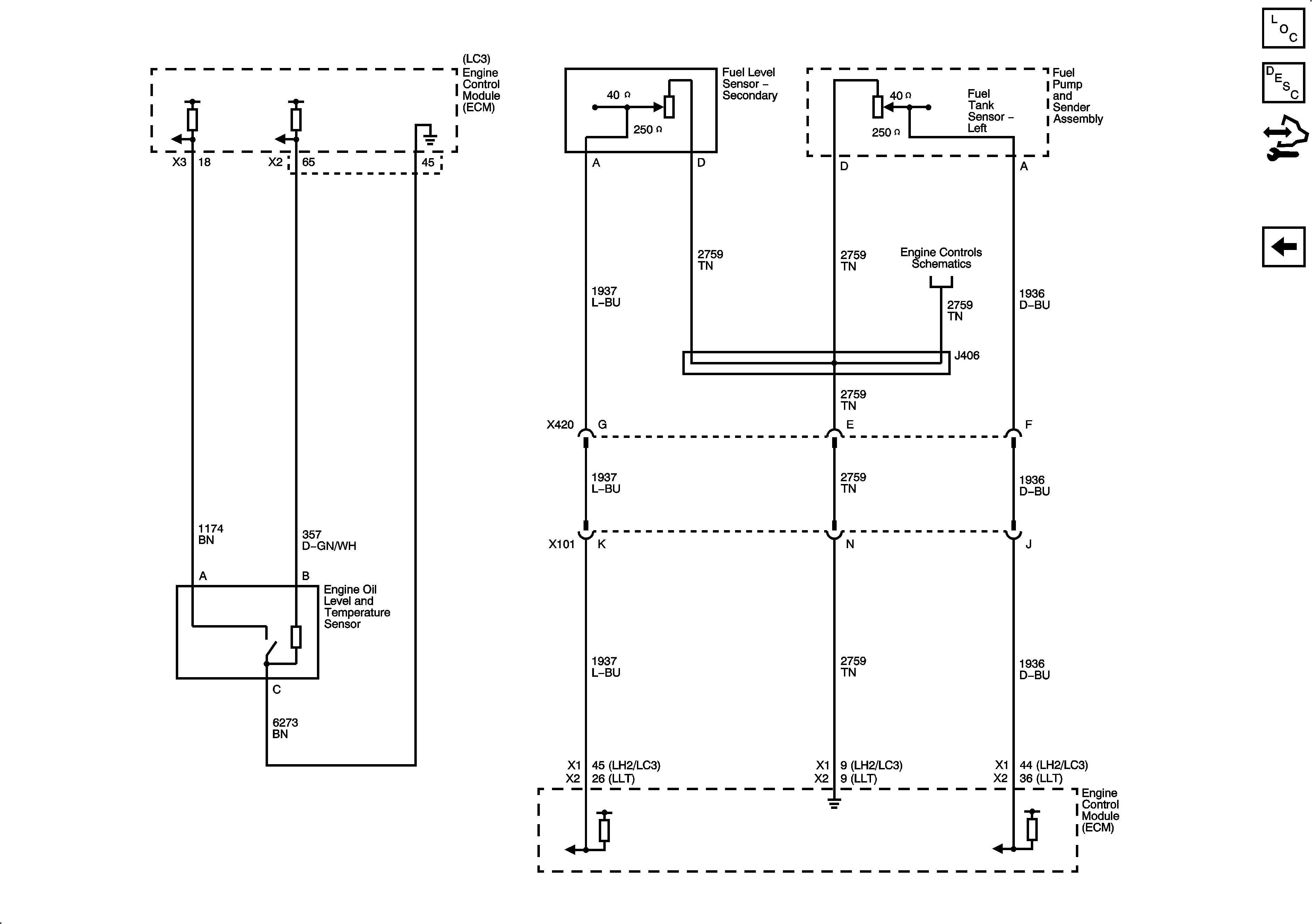
Figure 4:

Engine Oil and Fuel Tank Level


Object Number: 2063301  Size: FS