GM Service Manual Online
For 1990-2009 cars only
Makes
🢒
Cadillac
🢒
2009
🢒
STS
🢒 Ignition Controls - Ignition System Bank 2
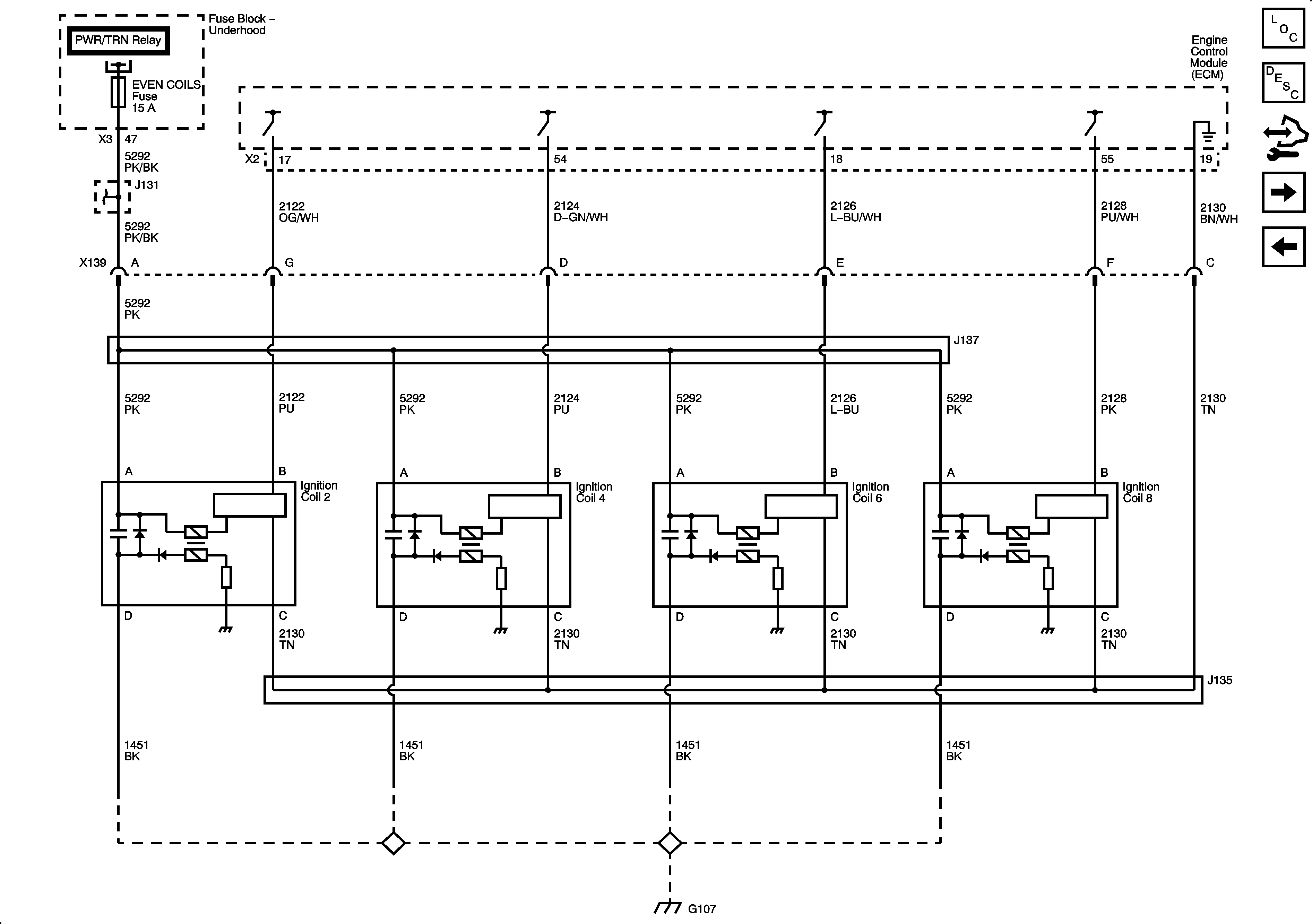
Ignition Controls - Ignition System Bank 2
Ignition Controls - Ignition System Bank 2
Master Electrical Component List
Electronic Ignition (EI) System Description
Control Module References
Ignition Controls - CMP Sensors and Solenoids
Ignition Controls - Ignition System Bank 1