GM Service Manual Online
For 1990-2009 cars only

FRONT/REAR DOOR ARMREST REPAIR PROCEDURE

MODELS AFFECTED: 1980-1984 SEVILLES

Should a front or rear door armrest on a 1980-1984 Seville become loose or broken at the attaching screw locations, the condition may be repaired as follows:

1. Using a flat-bladed tool, carefully remove courtesy lamp assembly from door armrest as shown in Figure 1.

2. Remove two (2) screws that are used to retain armrest to inner panel.

NOTICE: Repair only one (1) armrest attaching location at a time. Remaining two (2) attaching screws are needed to hold armrest in position while repair is being made.

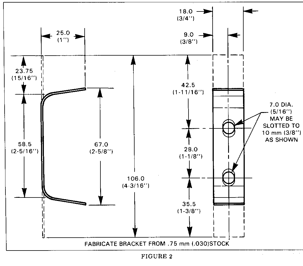
3. Fabricate metal bracket to shape of template shown in Figure 2.

4. Check bracket to armrest to ensure proper fit.

5. Clean plastic surface of armrest with naphtha or equivalent.

6. Using 3M 8101 structural adhesive or equivalent, mix according to manufacturer's directions on package. Apply adhesive to inboard attaching surface of armrest and corresponding surface of repair bracket.

NOTICE: If bracket cannot be securely bonded because too much plastic has broken away from base of armrest, armrest must be replaced.

7. Position repair bracket to armrest and install both attaching screws.

8. Repeat above repair procedure on other armrest attaching location as required.

NOTICE: 1984 Sevilles built on or after 3A (first week of March), body identification plate date code will incorporate revised rear armrest assemblies. 1984 Sevilles built on or after 4A (first week of April), body date code will incorporate both front and rear revised armrest assemblies.

For warranty purposes, use Operation No. T6094 at .5 hour to fabricate and install one repair bracket. Add .3 hour to the operation time for each additional repair bracket required.


Object Number: 84791  Size: FS


Object Number: 85512  Size: FS

General Motors bulletins are intended for use by professional technicians, not a "do-it-yourselfer". They are written to inform those technicians of conditions that may occur on some vehicles, or to provide information that could assist in the proper service of a vehicle. Properly trained technicians have the equipment, tools, safety instructions and know-how to do a job properly and safely. If a condition is described, do not assume that the bulletin applies to your vehicle, or that your vehicle will have that condition. See a General Motors dealer servicing your brand of General Motors vehicle for information on whether your vehicle may benefit from the information.