GM Service Manual Online
For 1990-2009 cars only

ENGINE OIL COOLER LINES LEAK OIL (APPLY ADHESIVE TO OIL

SUBJECT: ENGINE OIL COOLER LINES LEAK OIL (APPLY ADHESIVE TO OIL COOLER LINE NUT)

MODELS: 1993-97 CADILLAC SEVILLE 1993-98 CADILLAC DEVILLE, ELDORADO

CONDITION:

SOME CUSTOMERS MAY COMMENT THAT THE ENGINE OIL COOLER LINES APPEAR TO BE LEAKING OIL AT THE ATTACHMENT POINT TO THE ENGINE. THIS CONDITION IS MOST OFTEN FOUND DURING PRE-DELIVERY INSPECTIONS.

CAUSE:

THE NUT ON THE ENGINE OIL COOLER INLET AND OUTLET LINE ASSEMBLIES AT THE ENGINE OIL FILTER ADAPTER MAY BECOME LOOSE.

CORRECTION:

1. FOR VEHICLES BUILT AFTER JUNE 20, 1998:

- VEHICLES BUILT AFTER JUNE 20, 1998 WILL HAVE AN ADHESIVE COATING APPLIED TO THE THREADS OF THE CONNECTIONS BETWEEN THE OIL COOLER LINE AND ENGINE ASSEMBLY AND A HIGHER TORQUE SPECIFICATION FOR THE OIL COOLER LINE NUT AT THE ENGINE OIL FILTER ADAPTER. THE ADHESIVE HAS BEEN ADDED TO IMPROVE A CONDITION WHERE THE OIL LINES HAVE BEEN LOOSENING TO THE POINT THAT THE ENGINE LOOSES MOST OF ITS' OIL AND BEARING FAILURE HAS OCCURRED. RE-TIGHTENING THE OIL COOLER LINE NUT WILL BREAK THE BOND OF ADHESIVE AND NEGATE THE BENEFIT OF ADDING ADHESIVE TO THE CONNECTION AND IS NOT RECOMMENDED WITH THE INCREASED TORQUE SPECIFICATION. SOME RESIDUAL OIL MAY EXIST ON THE CONNECTION AFTER IT LEAVES THE ASSEMBLY PLANT (THIS IS NORMAL). IF THERE IS ANY QUESTION AS TO THE CONNECTION LEAKING, AN ULTRAVIOLET LIGHT SOURCE AND DYE SHOULD BE USED TO ASSURE THE CONNECTION IS BAD.

IMPORTANT:

DO NOT JUST TIGHTEN THE CONNECTION.

2. FOR VEHICLE REPAIRS:

- VEHICLES THAT NEED THE OIL COOLER INLET AND OUTLET LINE ASSEMBLIES DISCONNECTED AT THE ENGINE OIL FILTER ADAPTER OR HAVE A LEAK REPAIRED, SHOULD HAVE THE OIL COOLER LINE NUT THREADS CLEANED AND GM GOODWRENCH/LOCTITE(R) 272 THREADLOCKER ADHESIVE (OR AN EQUIVALENT ADHESIVE THAT MEETS GM MATERIAL SPECIFICATION 9985399) ADDED BEFORE REINSTALLATION. TORQUE THE OIL COOLER LINE NUT AT THE ENGINE OIL FILTER ADAPTER TO 45 N.M (33 LB FT).

WARRANTY INFORMATION:

FOR VEHICLES REPAIRED UNDER WARRANTY, USE:

LABOR OPERATION LABOR OPERATION NUMBER DESCRIPTION TIME =============== ================================= ===============

J3166 HOSE AND/OR LINE, ENGINE OIL 0.5 HR* COOLER - REPLACE

*REPAIR TIME IS FOR ENGINE OIL COOLER INLET AND OUTLET LINE ASSEMBLIES AT THE ENGINE OIL FILTER ADAPTER THAT ARE DISCONNECTED OR HAVE A LEAK REPAIRED.

FIGURES: 01 ATTACHMENTS: 00

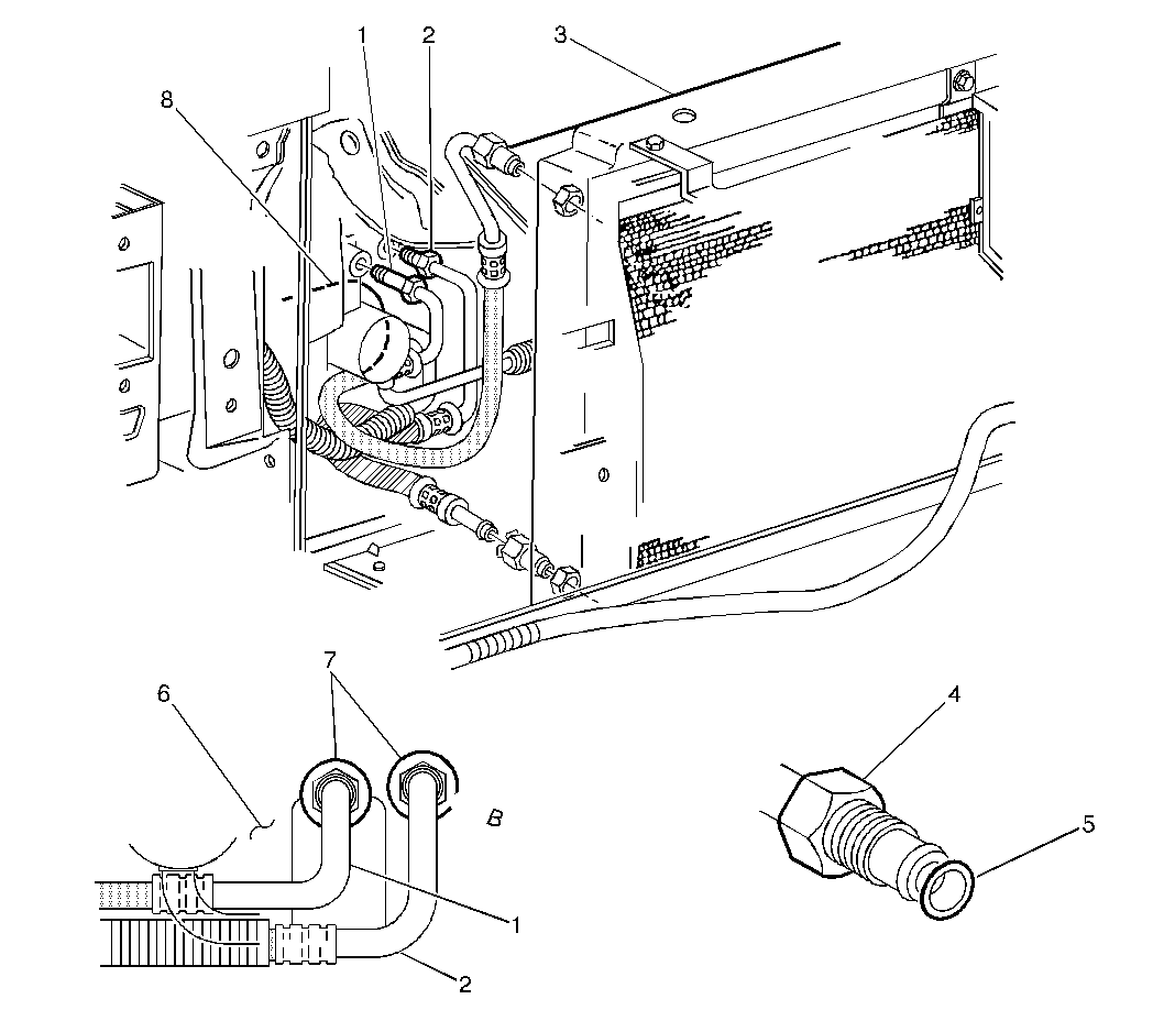
FIGURE 1 1. ENGINE OIL COOLER INLET LINE ASSEMBLY 2. ENGINE OIL COOLER OUTLET LINE ASSEMBLY 3. RADIATOR ASSEMBLY 4. NUT 5. O-RING 6. ENGINE 7. ENGINE OIL FILTER ADAPTER 8. COMPRESSOR ASSEMBLY


Object Number: 484443  Size: LF

GENERAL MOTORS BULLETINS ARE INTENDED FOR USE BY PROFESSIONAL TECHNICIANS, NOT A "DO-IT-YOURSELFER". THEY ARE WRITTEN TO INFORM THOSE TECHNICIANS OF CONDITIONS THAT MAY OCCUR ON SOME VEHICLES, OR TO PROVIDE INFORMATION THAT COULD ASSIST IN THE PROPER SERVICE OF A VEHICLE. PROPERLY TRAINED TECHNICIANS HAVE THE EQUIPMENT, TOOLS, SAFETY INSTRUCTIONS AND KNOW-HOW TO DO A JOB PROPERLY AND SAFELY. IF A CONDITION IS DESCRIBED, DO NOT ASSUME THAT THE BULLETIN APPLIES TO YOUR VEHICLE, OR THAT YOUR VEHICLE WILL HAVE THAT CONDITION. SEE A GENERAL MOTORS DEALER SERVICING YOUR BRAND OF GENERAL MOTORS VEHICLE FOR INFORMATION ON WHETHER YOUR VEHICLE MAY BENEFIT FROM THE INFORMATION.

COPYRIGHT 1998 GENERAL MOTORS CORPORATION. ALL RIGHTS RESERVED.