GM Service Manual Online
For 1990-2009 cars only

Air Delivery Improper - Auxiliary Rear


Object Number: 142274  Size: MF
HVAC Components
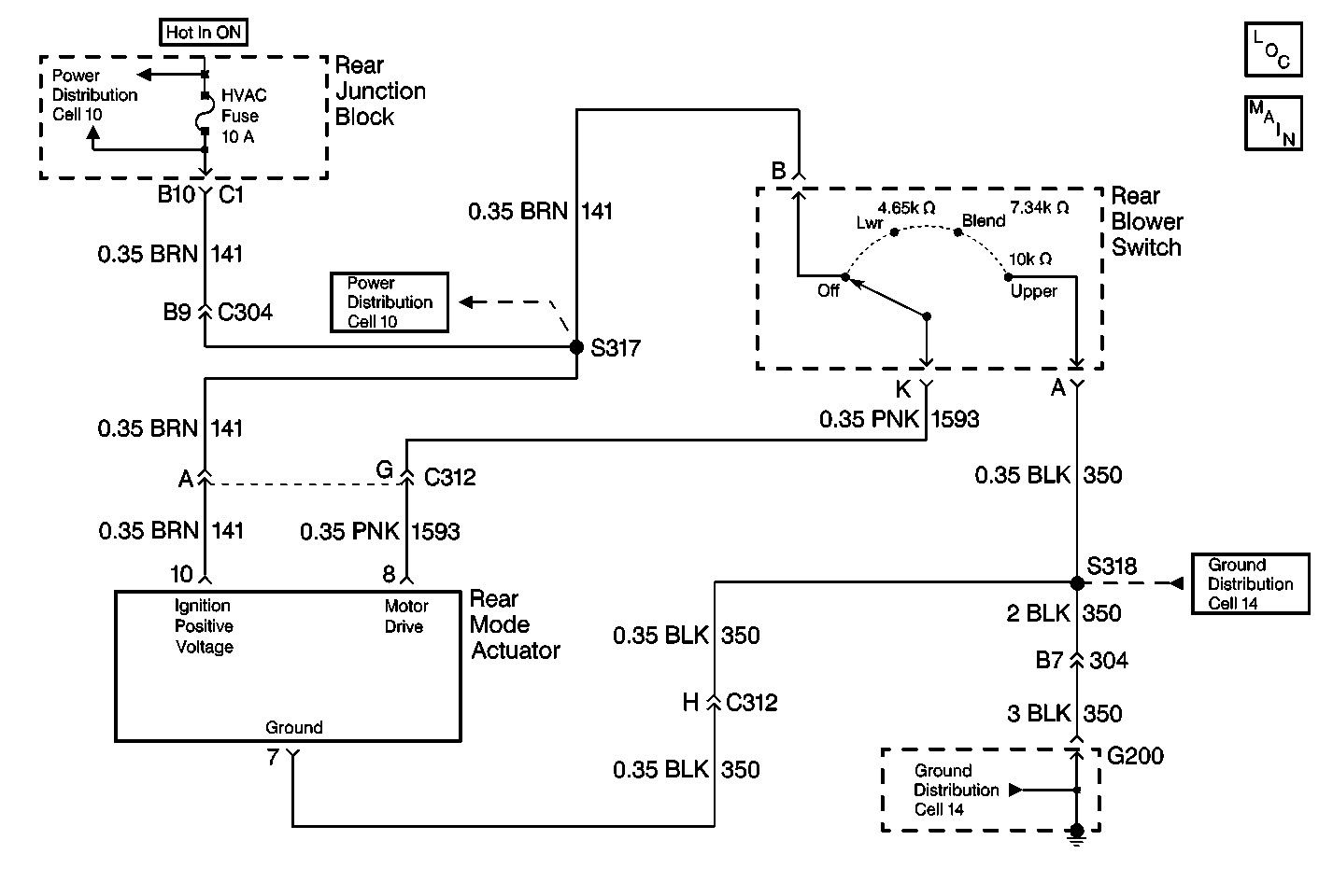
HVAC Blower Control Schematics Rear
Power Distribution Schematics
Power Distribution Schematics
Ground Distribution Schematics
Ground Distribution Schematics

Step

Action

Value(s)

Yes

No

DEFINITION: The rear mode air delivery does not operate.

1

  1. Turn the ignition to ON.
  2. Measure voltage between terminal 10 of the rear mode actuator and ground.

Is voltage greater than the specified value?

10.5 V

Go to Step 2

Go to Step 6

2

Measure voltage between terminal B of the rear blower switch and ground.

Is voltage greater than the specified value?

10.5 V

Go to Step 3

Go to Step 6

3

  1. Turn the rear blower switch to OFF.
  2. Measure voltage between terminal 8 of the rear mode actuator and ground.

Is voltage measured greater than the value?

10.5 V

Go to Step 4

Go to Step 7

4

Measure the voltage drop between terminal 7 of the rear mode actuator and ground.

Is the voltage drop measured near the value?

0-0.03 V

Go to Step 5

Go to Step 8

5

Replace the rear mode actuator. Refer to Auxiliary Mode Valve Actuator Replacement .

Is the repair complete?

--

Go to Step 10

--

6

Inspect CKT 141 (BRN) for an open condition.

Is the repair complete?

--

Go to Step 10

--

7

Measure voltage between terminal K of the rear blower switch and ground.

Is voltage measured greater then the value?

10.5 V

Go to Step 8

Go to Step 9

8

Inspect CKT 350 (BLK) for and open.

Is the repair complete?

--

Go to Step 10

--

9

Replace the rear blower switch.

Is the repair complete?

--

Go to Step 10

--

10

Confirm proper operation of the rear blower and the rear modes.

Is the rear blower and the rear mode systems operating normally?

--

System OK

--