GM Service Manual Online
For 1990-2009 cars only
Makes
🢒
Cadillac
🢒
1998
🢒
Seville
🢒
Body and Accessories
🢒
Roof
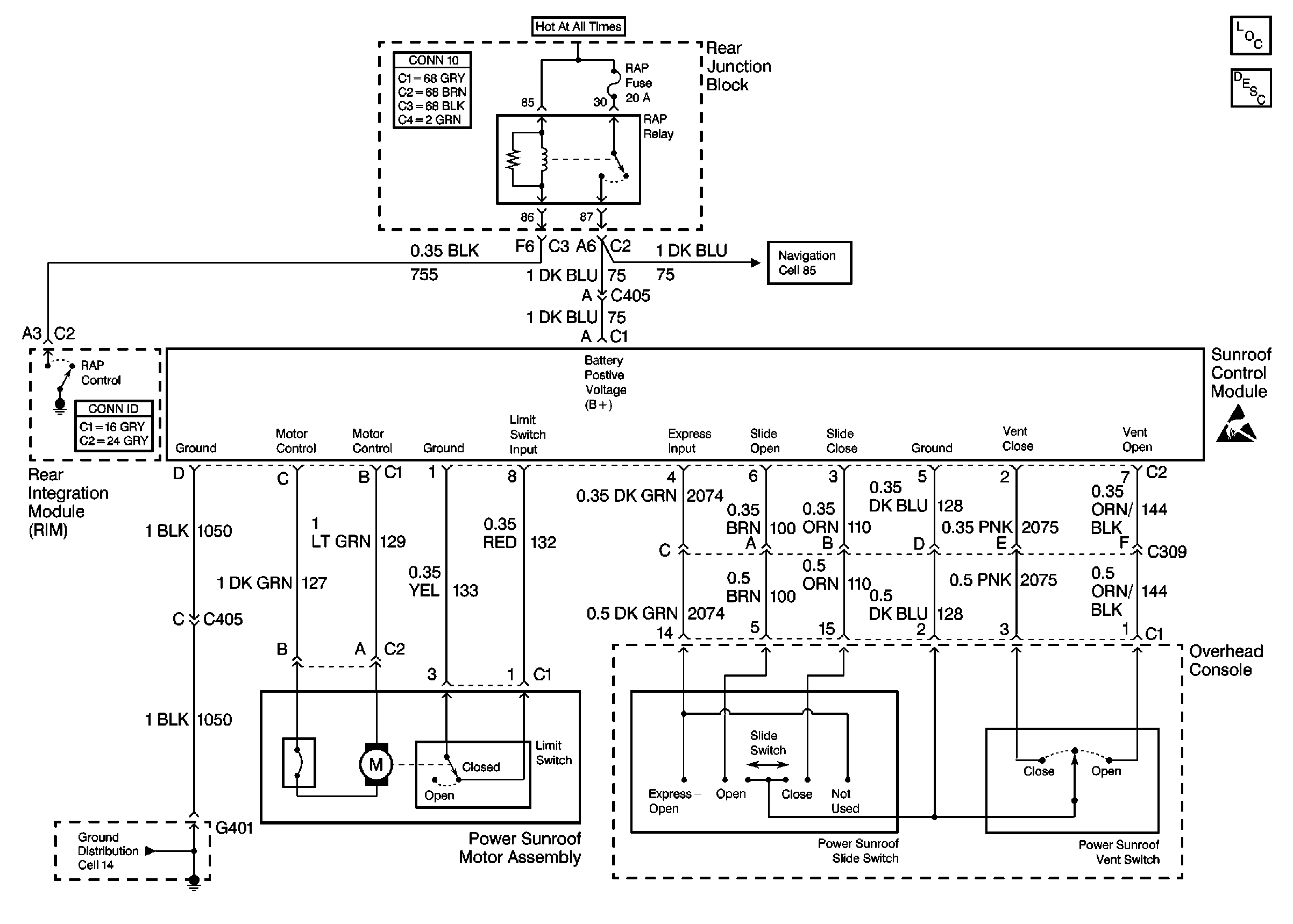
🢒 Sunroof Schematics
Cell 122: Power, Grounds, and Components
Cell 14: G401 (1 of 3)
Handling ESD Sensitive Parts Notice
Power and Grounding Connector End Views