GM Service Manual Online
For 1990-2009 cars only
Makes
🢒
Cadillac
🢒
1998
🢒
Seville
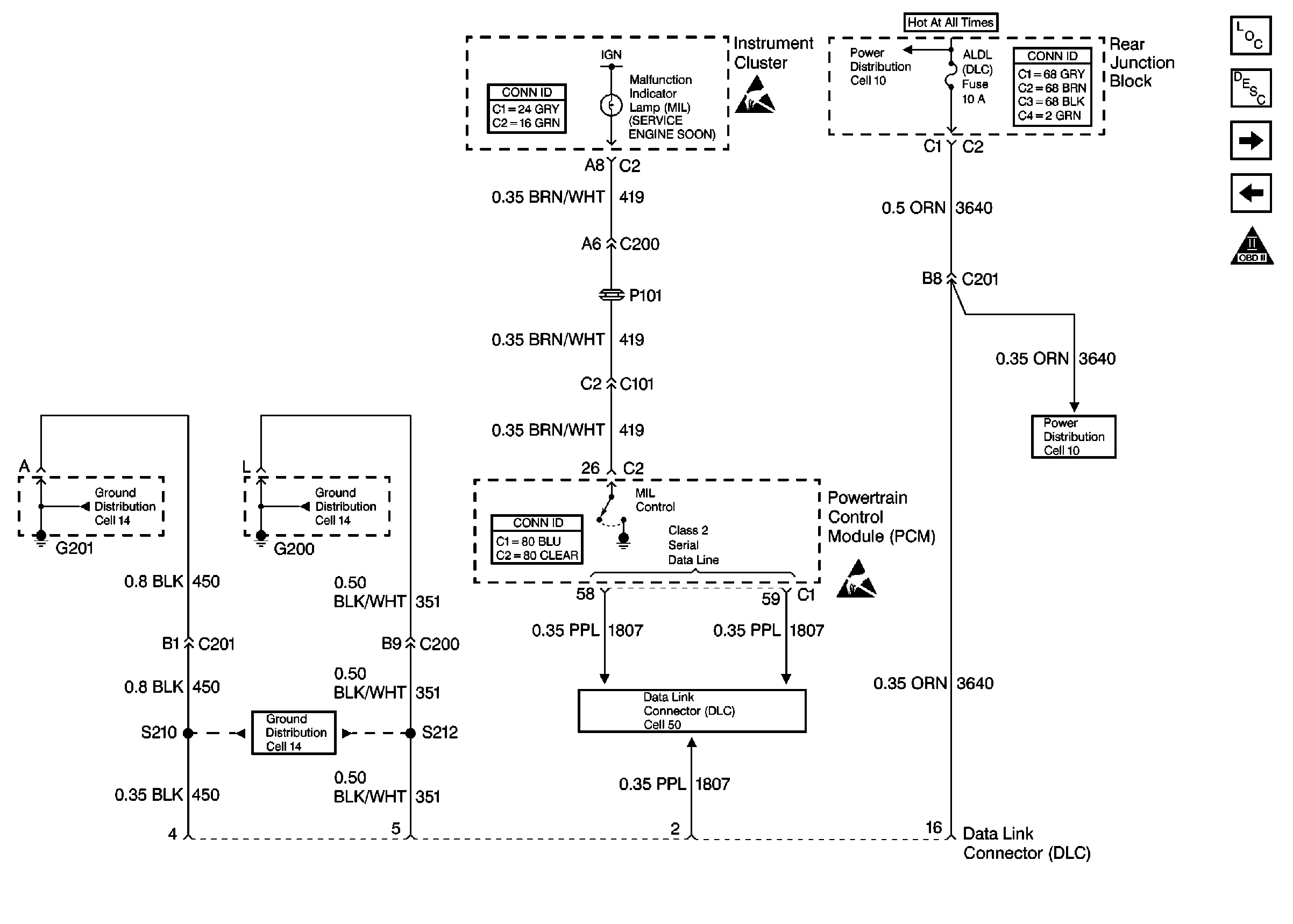
🢒 Cell 20: MIL Control and DLC
Cell 20: MIL Control and DLC
Cell 20: MIL Control and DLC
Engine Controls Components
Information Sensors/Switches Description
Cell 20: Ignition Control (IC) Module
Cell 20: PCM Power and Grounds
OBD II Symbol Description Notice
Handling ESD Sensitive Parts Notice
Engine Controls Schematic References
Engine Controls Schematic References
Engine Controls Schematic References
Powertrain Control Module Connector End Views
Handling ESD Sensitive Parts Notice
Engine Controls Schematic References
Engine Controls Schematic References