GM Service Manual Online
For 1990-2009 cars only
Makes
🢒
Cadillac
🢒
1998
🢒
Seville
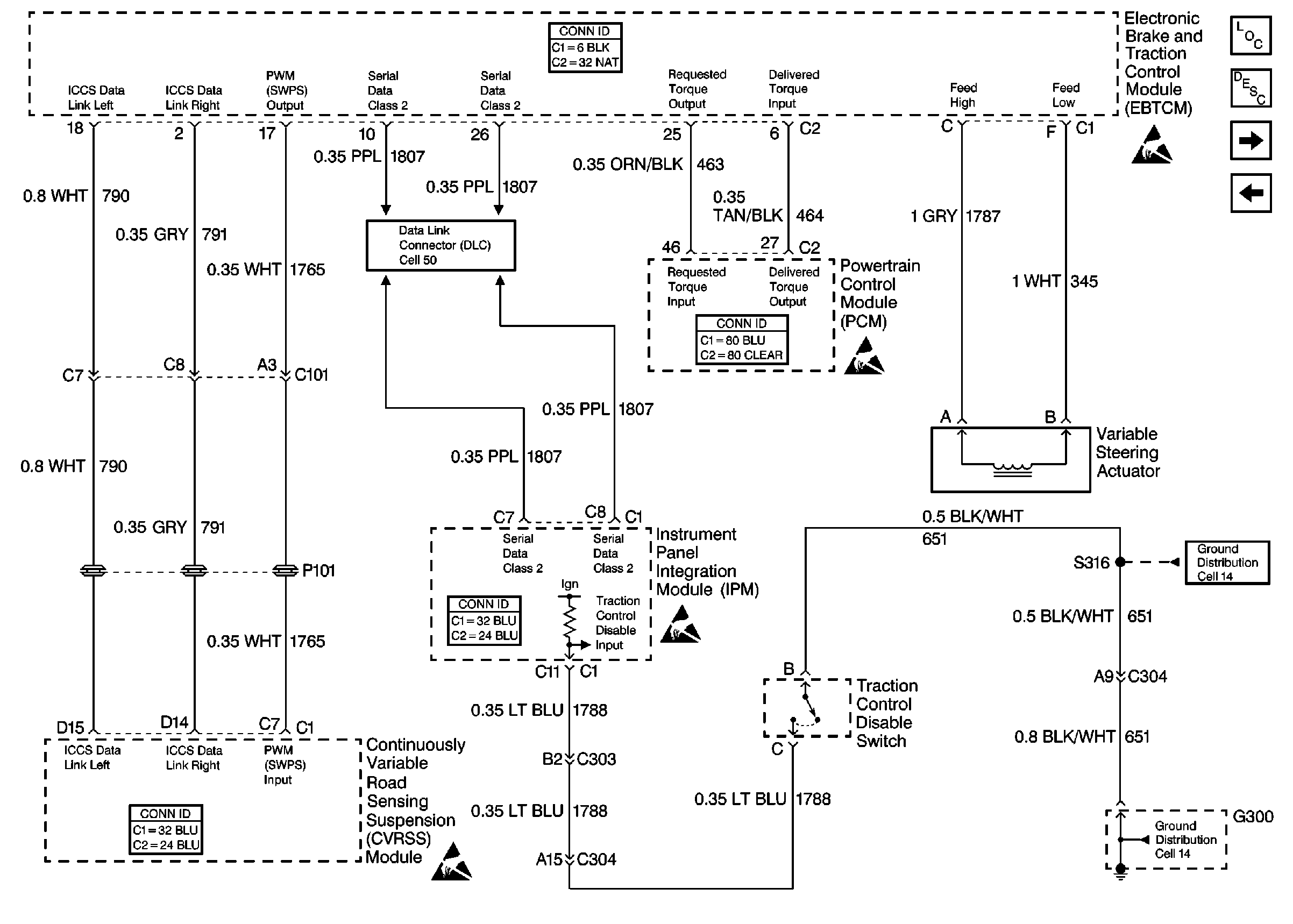
🢒 Cell 44: CVRSS, IPM, PCM, MSVA, Class 2 and Traction Control Switch
Cell 44: CVRSS, IPM, PCM, MSVA, Class 2 and Traction Control Switch
Cell 44: CVRSS, IPM, PCM, MSVA, Class 2 and Traction Control Switch
ABS Components
ABS/TCS/ICCS System Description
Cell 44: Stoplamp/BTSI Switch and ANTILOCK Indicator
Cell 44: Brake Pad Wear Sensors
Handling ESD Sensitive Parts Notice
Handling ESD Sensitive Parts Notice
Handling ESD Sensitive Parts Notice
Handling ESD Sensitive Parts Notice
Cell 14: G300
Cell 14: G300
Cell 50: Class Serial Data Line (2 of 2)