GM Service Manual Online
For 1990-2009 cars only
Makes
🢒
Cadillac
🢒
1998
🢒
Seville
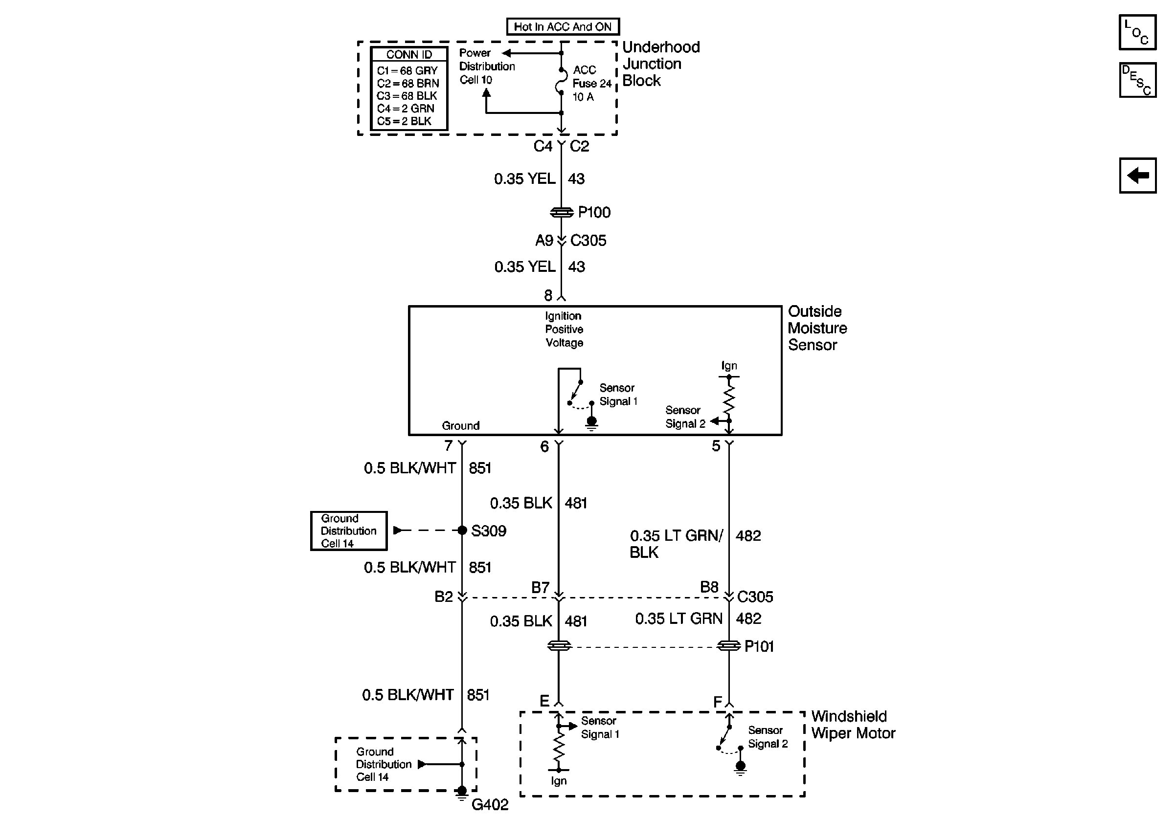
🢒 Cell 91: Outside Moisture Sensor (w/ CE1)
Cell 91: Outside Moisture Sensor (w/ CE1)
Cell 91: Outside Moisture Sensor (w/ CE1)
Wiper/Washer System Components
Wiper/Washer System Components
Cell 91: Power, Ground, Switch, and Pump
Cell 10: START Circuit Breaker and ACC, WSW Fuses
Cell 14: G402 (1 of 2)
Cell 14: G402 (1 of 2)