GM Service Manual Online
For 1990-2009 cars only
Makes
🢒
Cadillac
🢒
1998
🢒
Seville
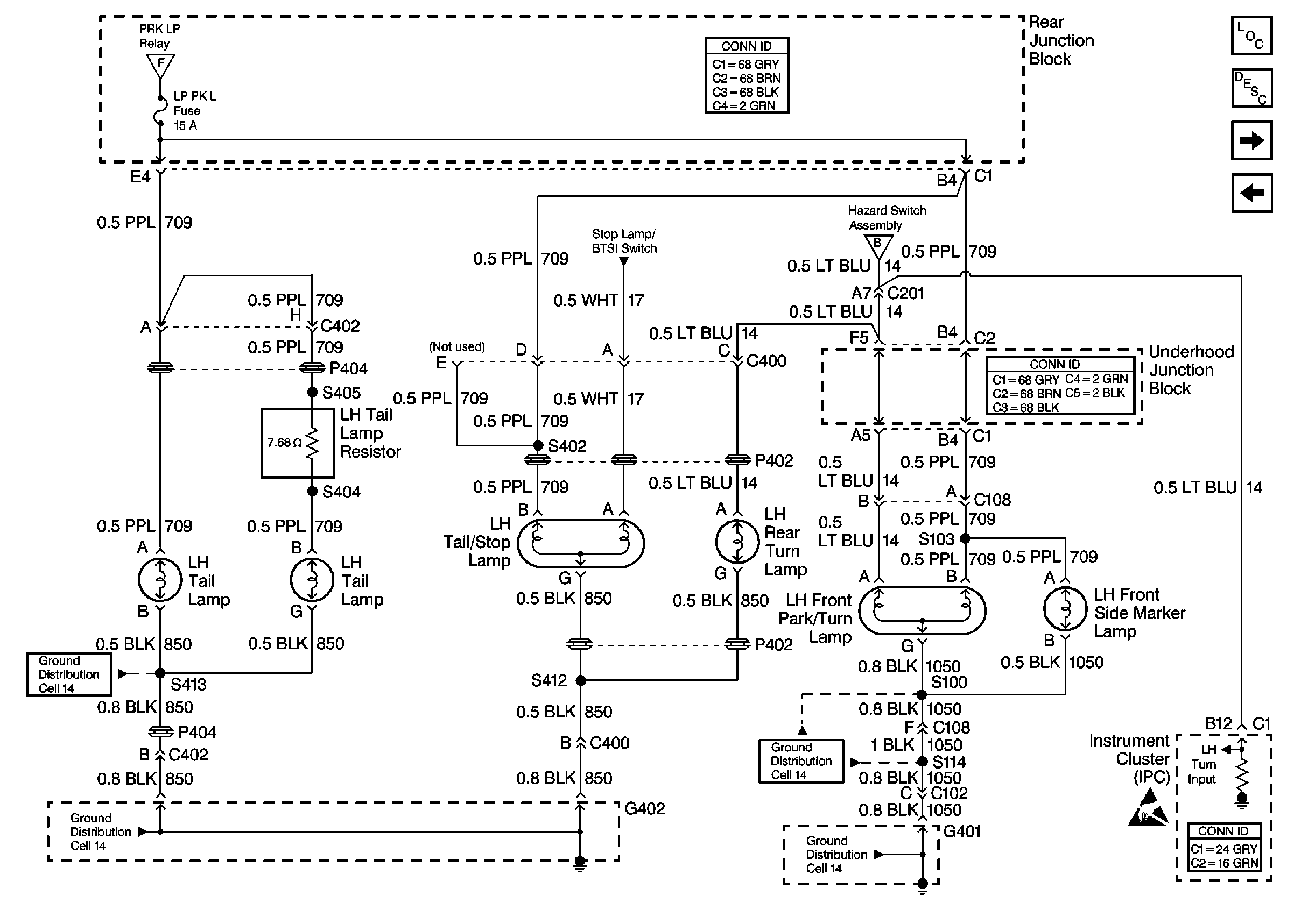
🢒 Cell 110: LH Exterior Lamps
Cell 110: LH Exterior Lamps
Cell 110: LH Exterior Lamps
Lighting Systems Components
Exterior Lights Circuit Description
Cell 110: License, Underhood, and Cornering Lamps
Cell 110: RH Exterior Lamps
Handling ESD Sensitive Parts Notice
Cell 14: G401 (3 of 3)
Cell 14: G401 (3 of 3)
Cell 14: G402 (1 of 2)
Cell 14: G402 (2 of 2)
Cell 110: Hazard Switch Assembly
Cell 110: Stop Lamps
Cell 110: RH Exterior Lamps
Power and Grounding Connector End Views
Instrument Panel, Gages, and Console Connector End Views
Power and Grounding Connector End Views