GM Service Manual Online
For 1990-2009 cars only
Makes
🢒
Cadillac
🢒
1998
🢒
Seville
🢒 Cell 117: Class 2 Dimming Communication
Cell 117: Class 2 Dimming Communication
Cell 117: Class 2 Dimming Communication
Lighting Systems Components
Interior Lights Dimming Circuit Description
Cell 117: Dimming Control, IP Dimmer Switch
Handling ESD Sensitive Parts Notice
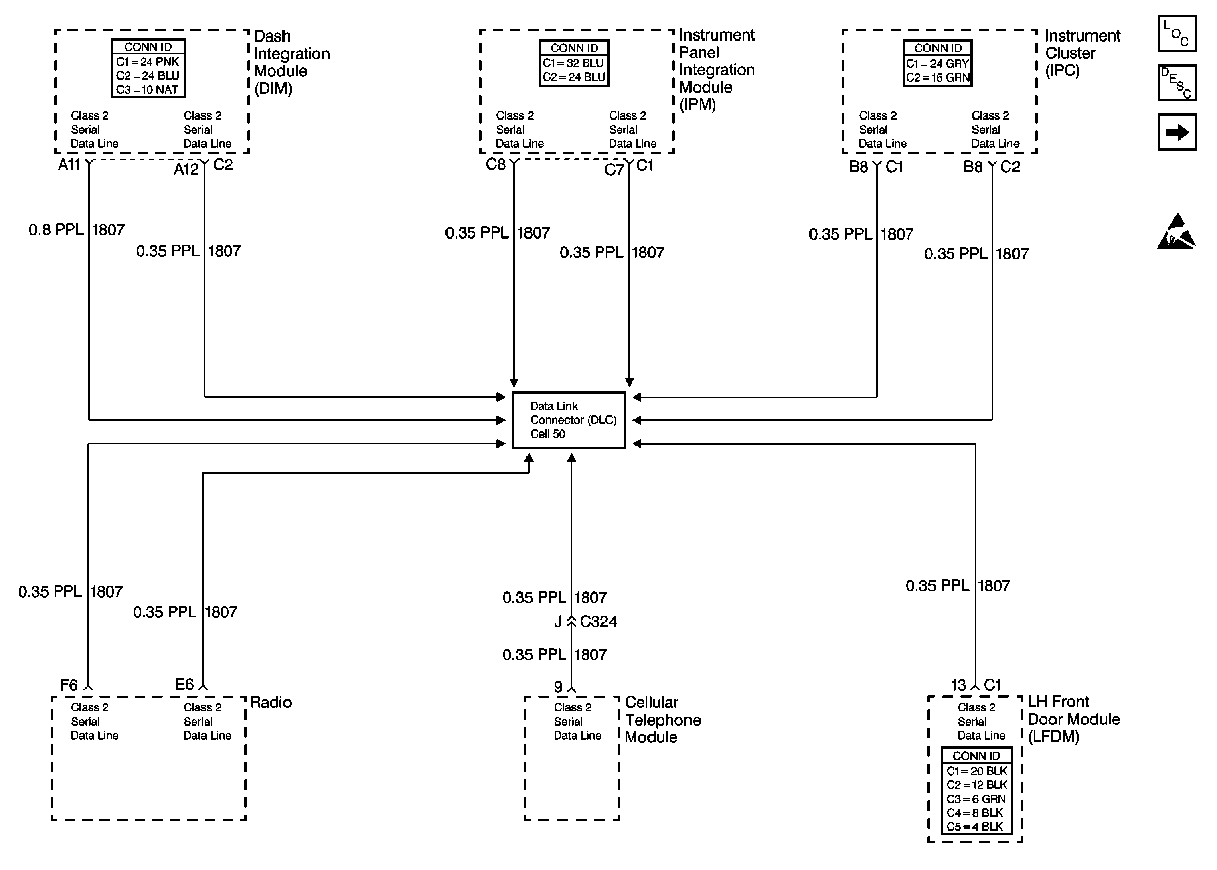
Data Link Connector Schematics
Body Control System Connector End Views
Body Control System Connector End Views
Instrument Panel, Gages, and Console Connector End Views
Power Door Systems Connector End Views