GM Service Manual Online
For 1990-2009 cars only
Makes
🢒
Cadillac
🢒
1998
🢒
Seville
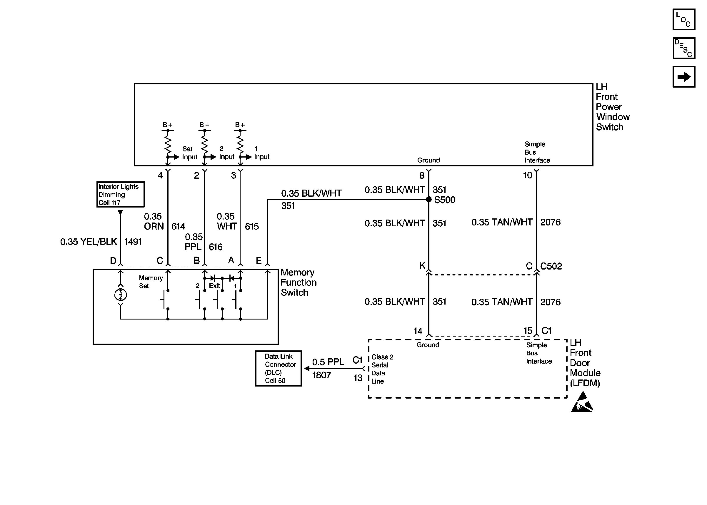
🢒 Cell 141: Memory Function Switch
Cell 141: Memory Function Switch
Cell 141: Memory Function Switch
Power Seat Systems Components
Memory Seat Circuit Description
Cell 141: PWR, GND, LH Seat Switch, and MSM
Handling ESD Sensitive Parts Notice
Cell 50: Class Serial Data Line (1 of 2)
Cell 117: Front Door Dimming