GM Service Manual Online
For 1990-2009 cars only
Makes
🢒
Cadillac
🢒
1998
🢒
Seville
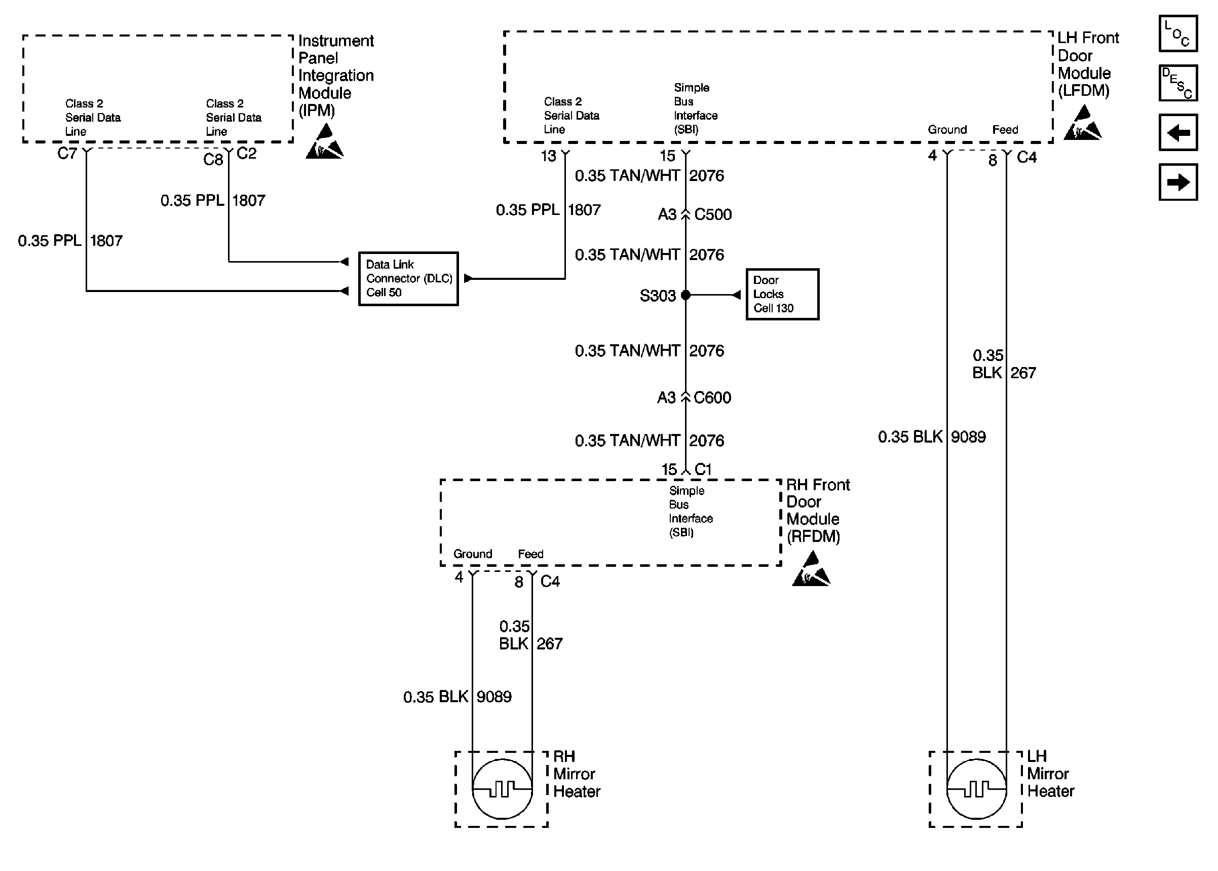
🢒 Outside Mirrors Schematics (Cell 147-Heated Mirrors)
Outside Mirrors Schematics (Cell 147-Heated Mirrors)
Outside Mirrors Schematics (Cell 147-Heated Mirrors)
Power Door Systems Component Views
Outside Mirrors Circuit Description
Cell 147 - RH Power Mirror with Memory (A45)
Cell 147 - LH Front Power Window Switch
Handling ESD Sensitive Parts Notice
Cell 130 - LH Power Door Locks
Handling ESD Sensitive Parts Notice
Cell 50: Class Serial Data Line (1 of 2)
Handling ESD Sensitive Parts Notice