GM Service Manual Online
For 1990-2009 cars only
Makes
🢒
Cadillac
🢒
1998
🢒
Seville
🢒 Cell 76: Radio Output, Door and Ignition Switches
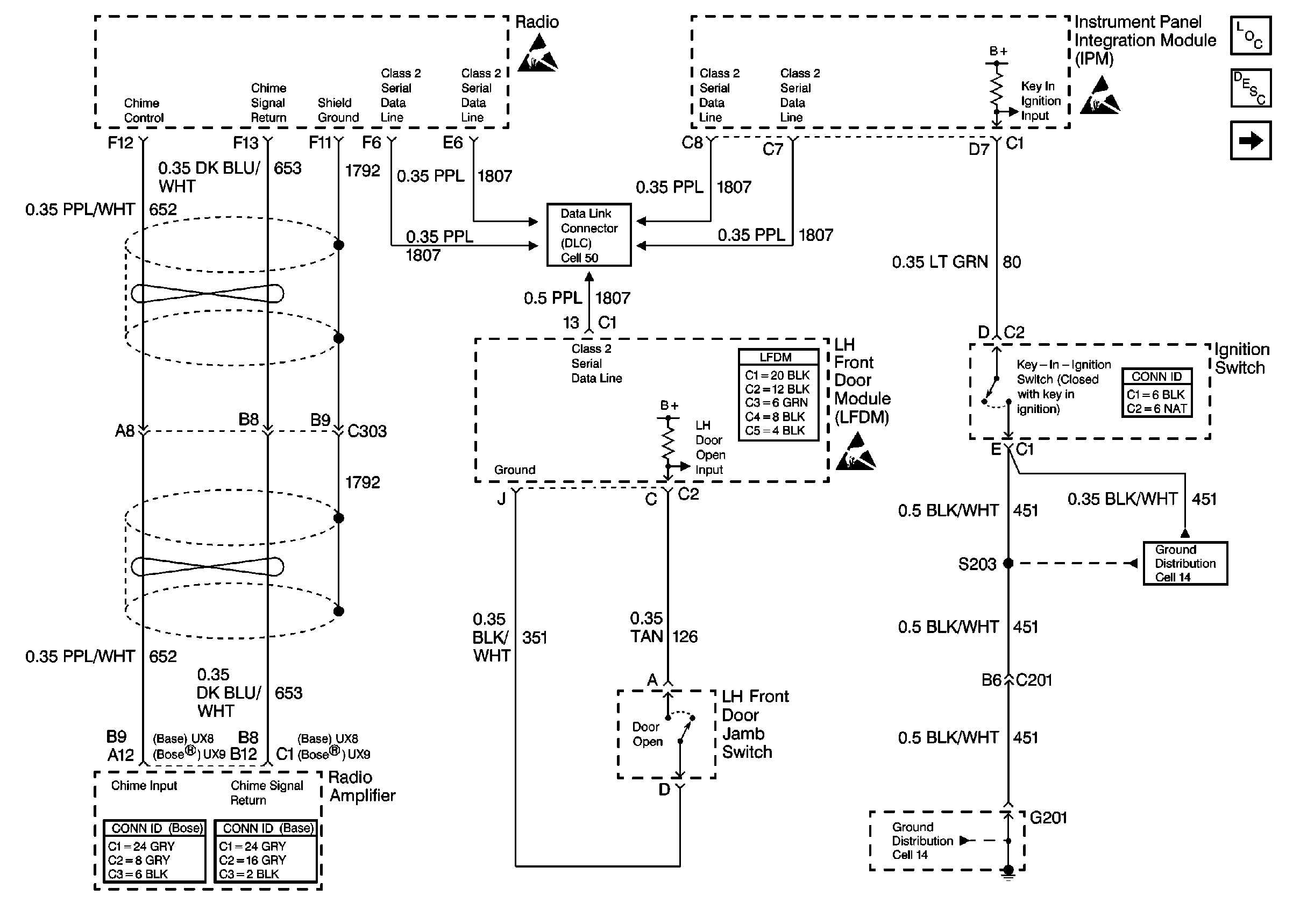
Cell 76: Radio Output, Door and Ignition Switches
Cell 76: Radio Output, Door and Ignition Switches
Audible Warnings Components
Audible Warnings Circuit Description
Cell 76: Seat Belt and Headlamp Switches
Handling ESD Sensitive Parts Notice
Handling ESD Sensitive Parts Notice
Handling ESD Sensitive Parts Notice
Ground Distribution Schematics
Ground Distribution Schematics
Data Link Connector Schematics