GM Service Manual Online
For 1990-2009 cars only
Makes
🢒
Cadillac
🢒
1998
🢒
Seville
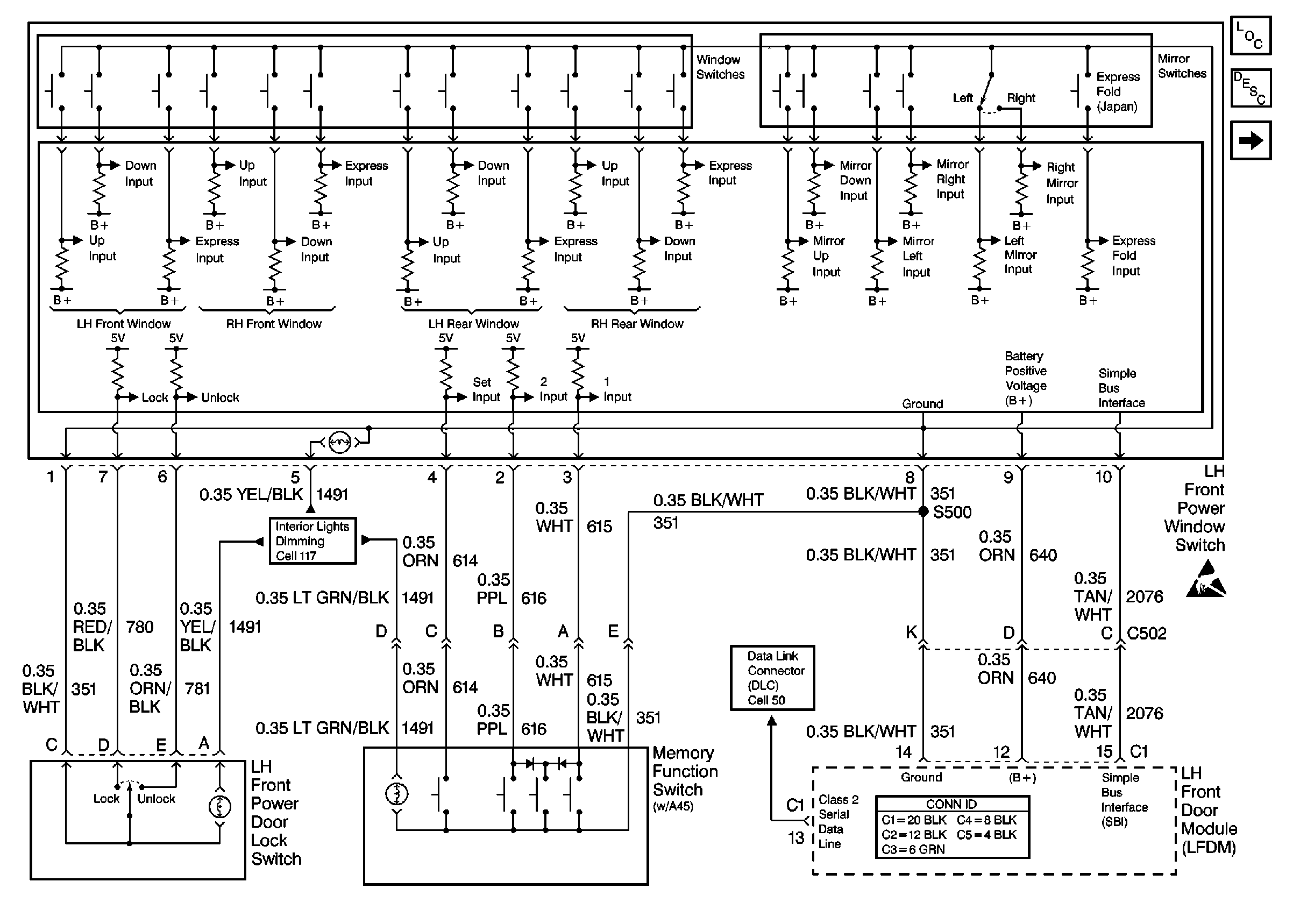
🢒 Cell 55: LH Front Power Window Switch
Cell 55: LH Front Power Window Switch
Cell 55: LH Front Power Window Switch
Power Door Systems Components
Door Description
Cell 55: SBI
Handling ESD Sensitive Parts Notice
Power Door Systems Connector End Views
Data Link Connector Schematics
Interior Lights Dimming Schematics